Назначение
Приборы приёмно-контрольные и управления охранно-пожарные Гранит-16 и Гранит-24(далее – прибор или ППКУОП) предназначены для локальной и централизованной охраны различных объектов, оборудованных электроконтактными и токопотребляющими охранными и пожарными извещателями, с передачей информации о тревожных сообщениях и прочих событиях на специально оборудованный пульт централизованного наблюдения (ПЦН).
ППКУОП Гранит-16 и Гранит-24 могут работать автономно, а также в качестве объектовых приборов в составе систем передачи извещений (СПИ) «ГОРИЗОНТ», «ЛАВИНА» либо в составе СПИ других производителей, работающих по протоколу SurGard.
Особенности
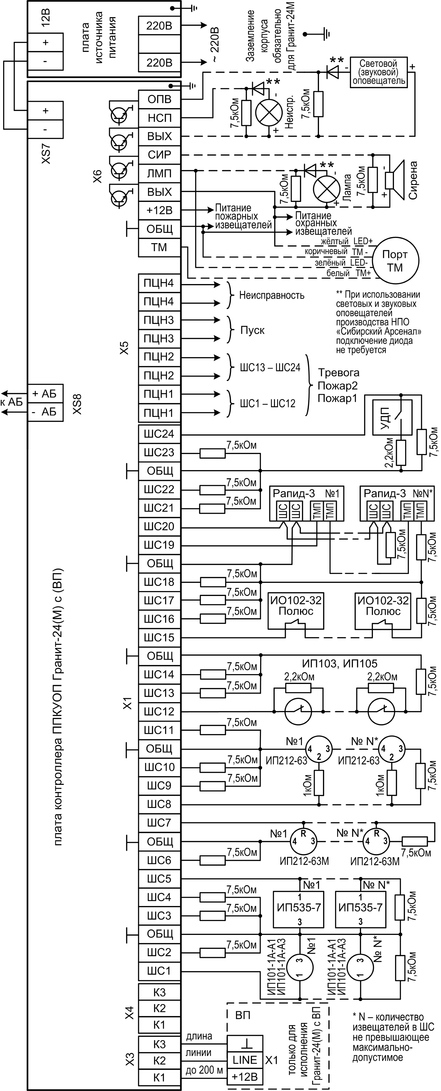
- В зависимости от исполнения прибор позволяет подключить 16 или 24 шлейфа сигнализации (ШС) с функциями охранных и/или пожарных;
- Наличие выходов и органов управления оповещением при пожаре;
- Запуск оповещения о пожаре осуществляется:
- автоматически, при определении события «Пожар2» и «Пожар1» в пожарном ШС;
- вручную с панели индикации и управления прибора (кнопка «ПУСК»);
- дистанционно, с помощью устройства дистанционного пуска (УДП), включенного в линию «УДП».
- Возможность передачи тревожных извещений «Пожар2», «Пожар1» и «Тревога» на пульт централизованного наблюдения по двум каналам путём размыкания/замыкания «сухих» контактов выходных реле «ПЦН1» и «ПЦН2» или организация автономной работы прибора;
- Настройки прибора задаются в программном обеспечении конфигуратор «Гранит-С». Вы сами определяете наиболее подходящую для Вас конфигурацию прибора;
- Возможность подключения внешних коммутационных устройств: блоков реле ПЦН БР-24 и ВЕТТА-БР. Не более 6-ти блоков и не более 48-ми каналов коммутации;
- Возможность подключения к прибору коммуникаторов: Wi-Fi коммуникатора или/и GE коммуникатора;
ВНИМАНИЕ! При работе с коммуникаторами прибор работает в охранных тактиках, при этом прибор может также осуществлять и пожарную охрану. - При подключении коммуникаторов передача информации на ПЦН осуществляется по сетям Ethernet (Internet, локальные сети) с помощью Wi-Fi коммуникатора и по сетям Ethernet или/и GSM/GPRS с помощью GE коммуникатора;
- Прибор обеспечивает рассылку SMS, а так же дозвон на телефонные номера пользователей (до 3-х номеров) при наличии в нём GE коммуникатора;
- Прибор совместно с коммуникаторами программируется с компьютера ПЦН через USB или удаленно, используя каналы доставки извещений (первое программирование только через USB);
- При работе с коммуникаторами прибор имеет обратный канал управления (поставить/снять зону или группу зон, перепоставить прибор, включить/выключить реле прибора);
- При работе в СПИ «ГОРИЗОНТ» настройки прибора и коммуникаторов и используемые прибором ключи управления, задаются при программировании прибора в программном обеспечении АРМ администратора системы «Горизонт»;
- При работе в СПИ «ЛАВИНА» настройки прибора и коммуникаторов и используемые прибором ключи управления, задаются при программировании прибора в программном обеспечении АРМ администратора системы «Лавина» и в конфигураторе «Гранит-С»;
- Управлениеприбором (постановка/снятие/перепостановка) осуществляется:
- кнопками «1»…«16/24» на панели индикации и управления прибора;
- электронными ключами Touch Memory через порт ТМ;
- удалённо с ПЦН (по каналам доставки извещений коммуникаторов);
- прибором можно также управлять proximity-картами, набором цифрового кода кнопками, брелоками и/или ключами ТМ с помощью считывателя «Портал» производства ООО НПО «Сибирский Арсенал» (приобретается отдельно). С более подробной информацией о считывателях Вы можете ознакомиться в соответствующих руководствах по эксплуатации на нашем сайте в разделе «Документация».
- ВНИМАНИЕ! Считыватель «Портал» требует питания 12 В
- Количество ключей управления (ключи ТМ, proximity-карты, цифровые коды, брелоки) – до 64 шт.;
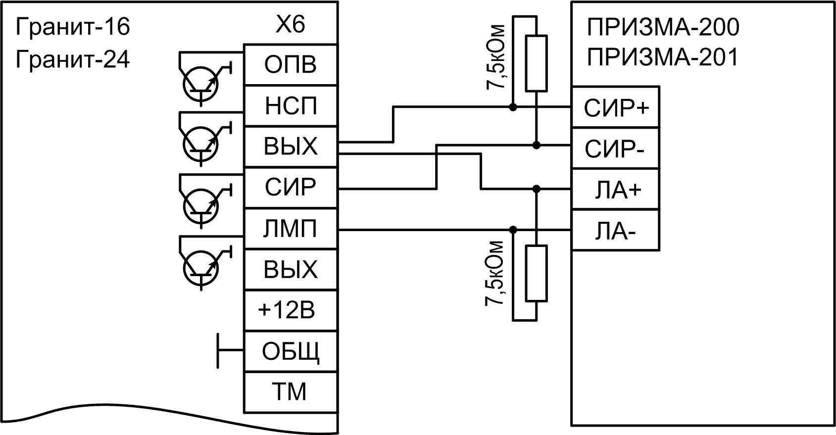
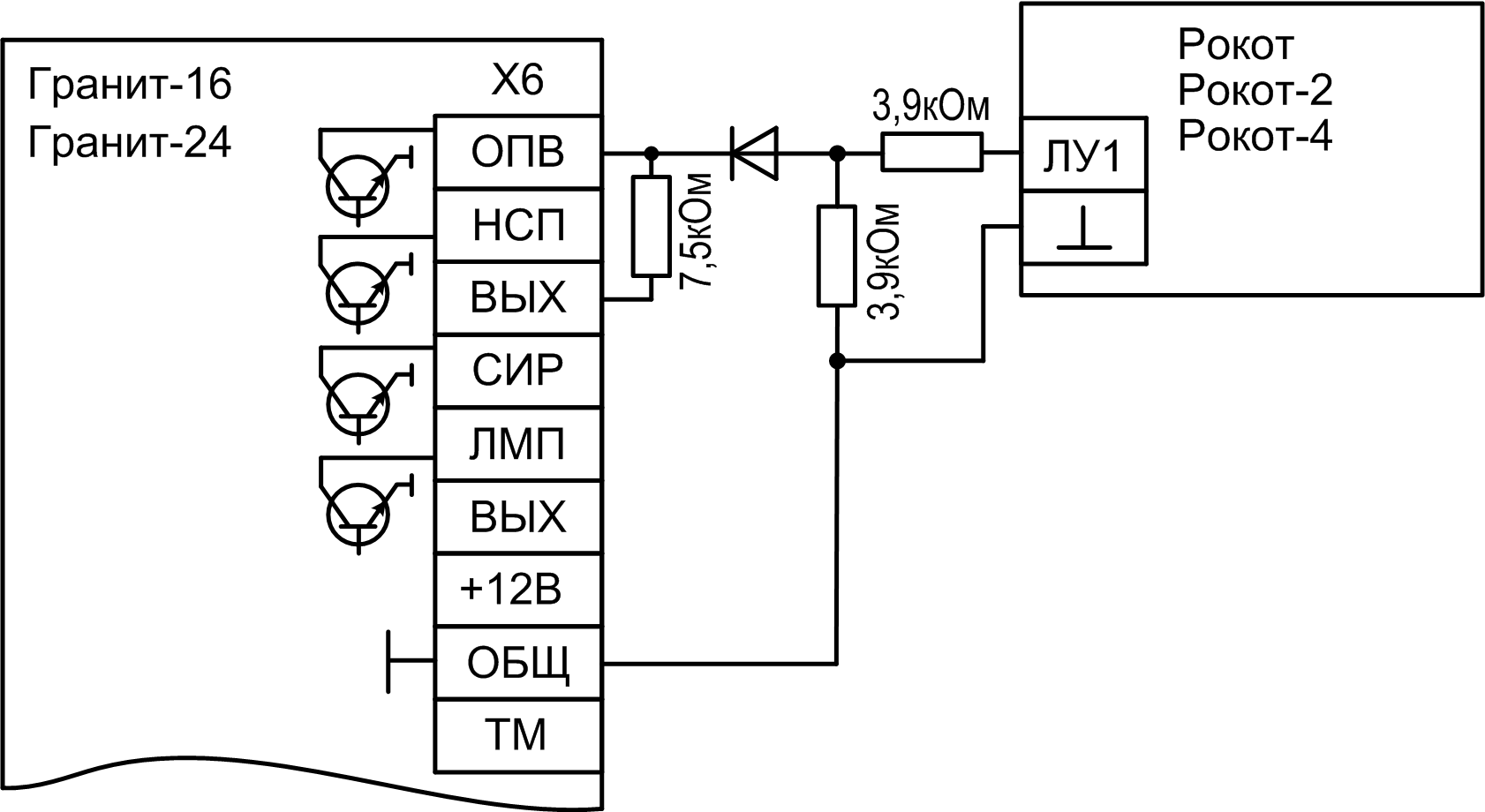
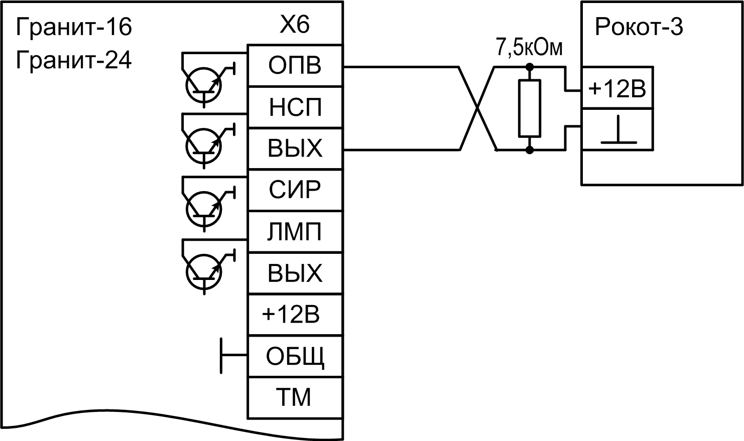
- Три выхода оповещения типа «открытый коллектор»: «СИР» («Сирена»),«ЛМП» («Лампа») и «ОПВ» («Оповещение о пожаре») и выход оповещения типа «сухие» контакты реле: «ПЦН3»;
- Автоматический контроль на обрыв и короткое замыкание соединительных линий выходов оповещения «СИР», «ЛМП», «ОПВ», входа «УДП» и, опционально, входа «ТМ»;
- Выход контроля неисправностей и контроля тампера типа «сухие» контакты реле: «ПЦН4»;
- Наличие функций «Автовозврат» и «Тихая тревога» для охранных ШС (опционально);
- Парольная защита органов управления прибора от несанкционированного доступа;
- Возможность обновления прошивки прибора;
- Наличие неотключаемого выхода +12 В (выход «ВЫХ») для питания извещателей, оповещателей, так же можно подключать блоки реле ПЦН;
- Наличие отключаемого выхода +12 В (выход «+12В») для питания извещателей, сброс состояния которых после сработки производится снятием напряжения питания;
- Электропитание прибора осуществляется от сети 220 В с обязательным наличием встроенной аккумуляторной батареи (далее – АБ), либо от двух внешних источников питания (ИП) с выходным напряжением +12 В;
- Автоматический переход на питание от АБ при отключении сети 220 В, и обратно, при восстановлении питания 220 В. Сигнал «Тревога» при этом не выдаётся. При питании от ИП – автоматический переход на питание от второго ИП при неисправности первого;
- При полном отключении электропитания прибор запоминает состояние ШС;
- Возможность передачи тревожных и других извещений на любые ПЦН систем передачи извещений, принимающие извещения по протоколу SurGard. В этих случаях программирование прибора осуществляется с помощью конфигуратора «Гранит-С» и специализированного программного обеспечения на данные СПИ.
Прибор предназначен для установки внутри охраняемого объекта и рассчитан на круглосуточный режим работы. Конструкция прибора не предусматривает его эксплуатацию в условиях воздействия агрессивных сред и во взрывоопасных помещениях.
Прибор поддерживает все алгоритмы работы (А, В и С) согласно свода правил СП 484.1311500.2020 "Системы противопожарной защиты. Системы пожарной сигнализации и автоматизация систем противопожарной защиты. Нормы и правила проектирования", действующего с 01.03.2021 г.
| Информационная ёмкость (количество шлейфов сигнализации) | 24 | Информативность (кол-во основных видов извещений прибора) | 18 | Ёмкость памяти кодов идентификаторов (макс. кол-во электронных ключей) (ключи ТМ / proximity-карты* / цифровые коды / брелоки) | 64 | Напряжение на входе ШС при номинальном сопротивлении (7,5 кОм ) | 17 ± 0,5 В | Суммарная токовая нагрузка в ШС в дежурном режиме, не более | 1 мА | Напряжение / токвыходов реле ПЦН1…4 («сухой» контакт оптореле), до | 100 В / 100 мА | Ток потребления по выходу «+12В» для питания извещателей, не более | 250 мА | Ток потребления по выходу «ВЫХ» для питания извещателей, не более | 400 мА | Ток потребления по выходу «ОПВ» (оповещение), не более | 1 А | Ток потребления по вых.«ЛМП» для питания внешнего светового оповещателя 12 В (при наличии подключенной, заряженной АБ), не более | 200 мА | Ток потребления по вых.«СИР» для питания внешнего звукового оповещателя 12 В (при наличии подключенной, заряженной АБ), не более | 300 мА | Регистрируются нарушения ШС длительностью, более | 350 мс | Не регистрируются нарушения ШС длительностью, менее | 200 мс | Напряжение питания от сети (переменный ток 50 Гц) | от 187до242 В | Мощность, потребляемая от сети, не более | 20 ВА | Напряжение питания от аккумуляторной батареи | от 11,8до 14,0 В | Номинальная ёмкость встроенной аккумуляторной батареи | 7 Ач | Ток потребления от аккумуляторной батареи в дежурном режиме (при отсутствии внешних потребителей), не более ** | 180 мА | Ток потребления от аккумуляторной батареи в режиме «Пуск»,«Пожар», «Тревога», не более ** | 190 мА | Масса прибора без аккумуляторной батареи, не более | 2 кг | Габаритные размеры прибора, не более | 325 х 260 х 90 мм | Степень защиты оболочкой (степень защиты оболочкой при эксплуатации прибора закреплённого на ровной поверхности) | IP20(IP40) | Средняя наработка на отказ прибора в дежурном режиме или в режиме снят с охраны, не менее | 40 000 часов | Срок эксплуатации | 10 лет | Диапазон рабочих температур | от - 30 до +50 °С | Относительная влажность воздуха при + 40 °С, не более | 93 % | * – технические характеристики используемых proximity-карт:Формат:EM-Marin,частота:125кГц,длинакодовойпосылки:64бита,скоростьпередачи:2кБод.Модуляция: амплитудная, код: Манчестер. | ** – при передаче данных по GPRS-каналу ток может кратковременно возрастать |
Оплата
Оплатить заказ Вы можете безналичным переводом по реквизитам, указанным в выставленном счёте после оформления заказа.
Доставка
«Альянс групп»предоставляет полный комплекс услуг по доставке оборудования в любую точку страны, любым видом транспорта.
Получить приобретённый товар Вы можете удобным для Вас способом:
- Самовывозом с нашего склада, расположенного по адресу- г. Москва, 104 км. МКАД, д. 8А.
- Воспользоваться услугой доставки в пределах Москвы и Московской области. Заказ и согласование даты доставки осуществляется через Вашего менеджера.
Если сумма заказа превышает 50 тыс. рублей, доставка по одному адресу Получателя осуществляется БЕСПЛАТНО.
- Доставка заказа в регионы России осуществляется через транспортные компании. Доставка груза до транспортной компании производится нашим транспортом.
Тарифы доставки по Москве:
При сумме заказа менее 50 тыс. рублей, доставка по Москве осуществляется по тарифам зоны:
- зона 3 — 500 руб.;
- зона 1 — 1000 руб.;
- зона 2, 4 — 1500 руб.;
- зона 5 — 2000 руб
Транспортные компании, с которыми мы сотрудничаем:
- Деловые линии
- Байкал-Сервис
- СДЭК
- Энергия
- Другим удобным для вас способом по согласованию



























