Назначение
Пожарный дымовой оптико-электронный извещатель ИП212-63 «Данко» служит для обнаружения признаков пожара (задымленности).
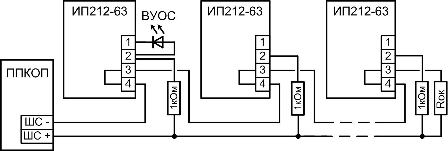
Извещатель предназначен для круглосуточной работы с любым приемно-контрольным прибором, обеспечивающим постоянное (или знакопеременное) напряжение питания в шлейфе сигнализации и воспринимающим сигнал «Пожар» в виде дискретного уменьшения внутреннего сопротивления извещателя в прямой полярности.
Особенности
- Отображение режимов работы светодиодным индикатором:
- «Дежурный режим» - мигание индикатора с периодом 7 секунд;
- «Пожар» -постоянное свечение.
- Высокая помехозащищенность.
- Кнопка для ручного контроля извещателя.
Чтобы проверить извещатель на работоспособность, достаточно нажать на кнопку, расположенную на крышке извещателя. - Возможность подключения выносного оптического индикатора (светодиода).
| Чувствительность при определении задымлённости (удельная оптическая плотность окружающей среды, при которой формируется извещение «Пожар») | от 0,05 дБ/м до 0,2 дБ/м | Допустимая фоновая освещенность от искусственного и/или естественного освещения, не более | 12000 лк | Напряжение питания постоянного тока (с возможной переполюсовкой длительностью до 100 мс и периодом повторения не менее 0,7 с). Электропитание извещателя производится от ШС ППКП | от 9 В до 30 В | Ток потребления в дежурном режиме при напряжении питания 20 В, не более | 75 мкА | Падение напряжения на извещателе в режиме «ПОЖАР» | от 5,5 В до 8,5 В | Максимально допустимый ток извещателя в режиме «ПОЖАР» без учета выносного светового индикатора, не более | 25 мА | Величина сопротивления между контактами «3» и «4» извещателя, не более | 2 Ом | Габаритные размеры, не более | Ø104×50 мм | Степень защиты оболочкой | IP40 | Масса с базовым основанием, не более | 150 г | Средняя наработка на отказ, не менее | 60 000 часов | Средний срок службы, не менее | 10 лет | Диапазон рабочих температур | от -30 °С до +55 °С | Относительная влажность воздуха при температуре +40 °С, до | 93 % |
Оплата
Оплатить заказ Вы можете безналичным переводом по реквизитам, указанным в выставленном счёте после оформления заказа.
Доставка
«Альянс групп»предоставляет полный комплекс услуг по доставке оборудования в любую точку страны, любым видом транспорта.
Получить приобретённый товар Вы можете удобным для Вас способом:
- Самовывозом с нашего склада, расположенного по адресу- г. Москва, 104 км. МКАД, д. 8А.
- Воспользоваться услугой доставки в пределах Москвы и Московской области. Заказ и согласование даты доставки осуществляется через Вашего менеджера.
Если сумма заказа превышает 50 тыс. рублей, доставка по одному адресу Получателя осуществляется БЕСПЛАТНО.
- Доставка заказа в регионы России осуществляется через транспортные компании. Доставка груза до транспортной компании производится нашим транспортом.
Тарифы доставки по Москве:
При сумме заказа менее 50 тыс. рублей, доставка по Москве осуществляется по тарифам зоны:
- зона 3 — 500 руб.;
- зона 1 — 1000 руб.;
- зона 2, 4 — 1500 руб.;
- зона 5 — 2000 руб
Транспортные компании, с которыми мы сотрудничаем:
- Деловые линии
- Байкал-Сервис
- СДЭК
- Энергия
- Другим удобным для вас способом по согласованию

























