Назначение
Дымовой пожарный извещатель ИП212-63М предназначен для обнаружения загораний в закрытых помещениях, сопровождающихся появлением дыма. Извещатель регистрирует оптическое излучение, отражённое от частиц дыма, и передаёт информацию на приёмно-контрольный прибор.
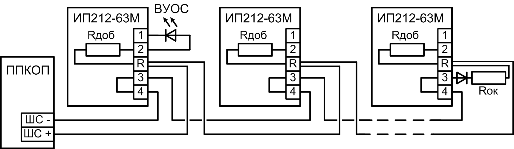
Извещатель предназначен для круглосуточной работы с любым ПКП, обеспечивающим постоянное (или знакопеременное)напряжение питания в шлейфе сигнализации и воспринимающим сигнал «Пожар» в виде дискретного уменьшения внутреннего сопротивления извещателя в прямой полярности.
Особенности
- Отображение режимов работы светодиодным индикатором:
- "Дежурный режим" - мигание индикатора с периодом 8 секунд;
- "Пожар" -постоянное свечение индикатора.
- Встроенный дополнительный резистор 1кОм.
- Индикация работоспособности дымового канала.
- Автоматическая компенсация запылённости дымовой камеры.
- Сигнал срабатывания извещателя сохраняется после окончания воздействия на него продуктов горения (дыма). Сброс сигнала производится отключением или переполюсовкой питания извещателя на время не менее 3 секунд.
- Возможность подключения выносного оптического индикатора (светодиода).
- Новая система крепления извещателя к потолку.
- Извещатель сохраняет работоспособность при воздействии фоновой освещённости от искусственного и/или естественного освещения 12 000 лк.
| Чувствительность при определении задымлённости (удельная оптическая плотность окружающей среды, при которой формируется извещение «Пожар») | от 0,05 дБ/м до 0,2 дБ/м | Допустимая фоновая освещенность от искусственного и/или естественного освещения, не более | 12000 лк | Напряжение питания постоянного тока (с возможной переполюсовкой длительностью до 100 мс и периодом повторения не менее 0,7 с). Электропитание извещателя производится от ШС ППКП | от 9 В до 30 В | Ток потребления в дежурном режиме при напряжении питания 20 В, не более | 75 мкА | Падение напряжения на извещателе в режиме «ПОЖАР» | от 5,5 В до 8,5 В | Максимально допустимый ток извещателя в режиме «ПОЖАР» без учета выносного светового индикатора, не более | 25 мА | Величина сопротивления между контактами «3» и «4» извещателя, не более | 2 Ом | Габаритные размеры, не более | Ø105×50 мм | Степень защиты оболочкой | IP40 | Дальность обнаружения при нормальной чувствительности | 150 г | Средняя наработка на отказ, не менее | 60 000 часов | Средний срок службы, не менее | 10 лет | Диапазон рабочих температур | от -30 °С до +55 °С | Относительная влажность воздуха при температуре +40 °С, до | 93 % |
Оплата
Оплатить заказ Вы можете безналичным переводом по реквизитам, указанным в выставленном счёте после оформления заказа.
Доставка
«Альянс групп»предоставляет полный комплекс услуг по доставке оборудования в любую точку страны, любым видом транспорта.
Получить приобретённый товар Вы можете удобным для Вас способом:
- Самовывозом с нашего склада, расположенного по адресу- г. Москва, 104 км. МКАД, д. 8А.
- Воспользоваться услугой доставки в пределах Москвы и Московской области. Заказ и согласование даты доставки осуществляется через Вашего менеджера.
Если сумма заказа превышает 50 тыс. рублей, доставка по одному адресу Получателя осуществляется БЕСПЛАТНО.
- Доставка заказа в регионы России осуществляется через транспортные компании. Доставка груза до транспортной компании производится нашим транспортом.
Тарифы доставки по Москве:
При сумме заказа менее 50 тыс. рублей, доставка по Москве осуществляется по тарифам зоны:
- зона 3 — 500 руб.;
- зона 1 — 1000 руб.;
- зона 2, 4 — 1500 руб.;
- зона 5 — 2000 руб
Транспортные компании, с которыми мы сотрудничаем:
- Деловые линии
- Байкал-Сервис
- СДЭК
- Энергия
- Другим удобным для вас способом по согласованию

























