Назначение
Прибор приёмно-контрольный охранно-пожарный GSM охраны «ВЕРСЕТ–GSM 02» (далее – прибор) является универсальным прибором для обеспечения безопасности на объектах. Возможностей прибора достаточно, чтобы реализовать качественную охрану от проникновения посторонних лиц в помещения и пожарную сигнализацию.
Особенности
- Прибор управляется с телефонов пользователей специальными SMS-сообщениями и на месте расположения прибора с помощью кнопки управления, электронных ключей и кодонаборных клавиатур серии «ПОРТАЛ».
- В случае возникновения тревожных ситуаций прибор также выдает звуковые и световые сигналы на оповещатели, подключенные к прибору.
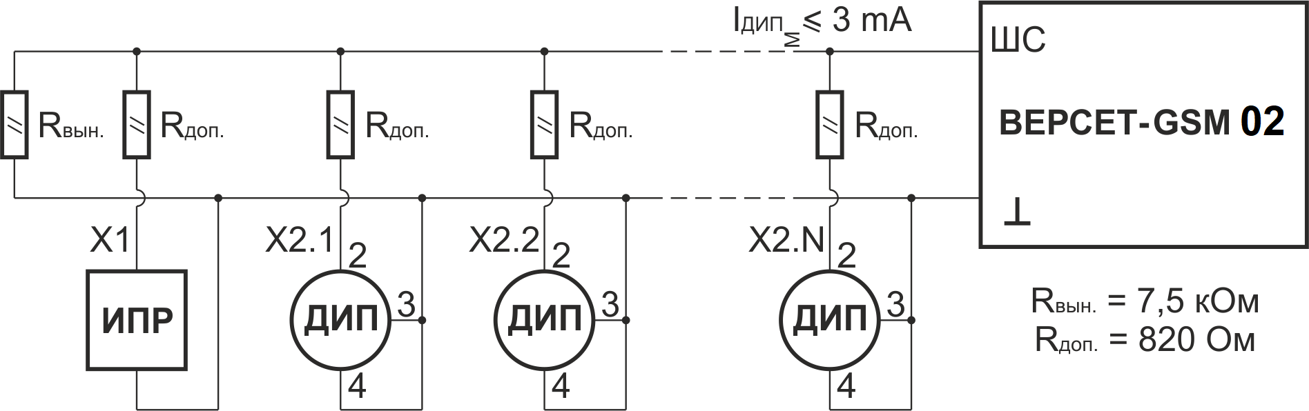
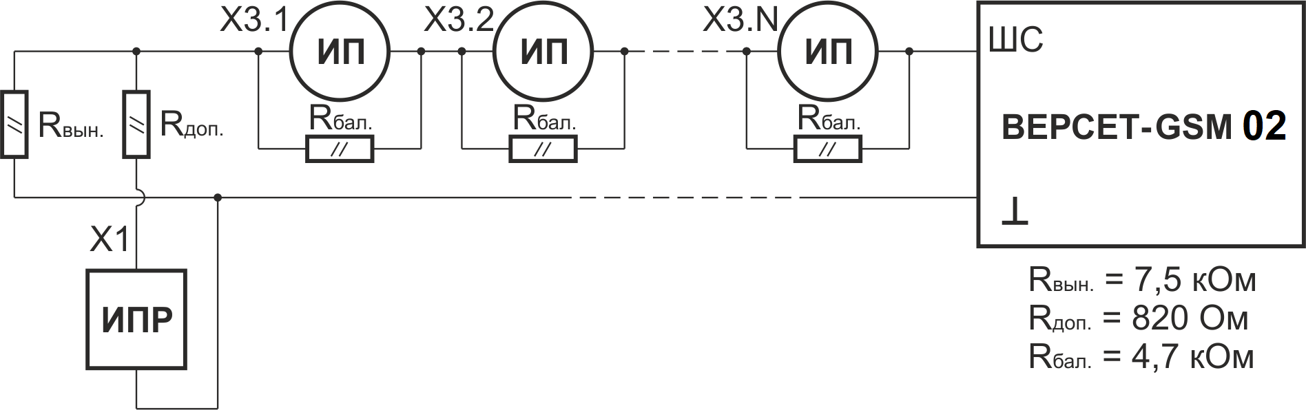
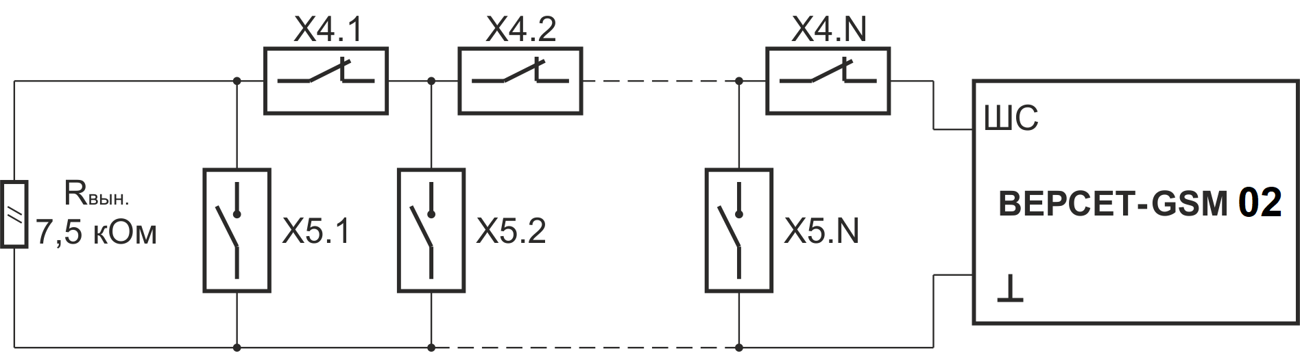
- Прибор имеет универсальные проводные шлейфы сигнализации, к которым подключаются охранные, пожарные извещатели.
- Прибор обеспечивает сервисные функции, доступные по телефону, такие, как получение баланса счёта SIM–карты прибора, получение информации о состоянии охраны.
- Настройка прибора для работы быстро и удобно выполняется с помощью компьютерной программы, поставляемой с прибором.
- При передаче прибором сообщений, ему может быть задано до 8 телефонных номеров, включая, номера пользователей и номера станции мониторинга «ВЕТТА-50 GSM», на которые передаются сообщения.
- Сообщения прибора разделены на 8 групп. При настройке прибора выбираются группы сообщений, которые будут передаваться на телефоны пользователей.
- Прибор оснащен внешним источником питания, который обеспечивает работу прибора от сети электропитания с диапазоном напряжения 110 – 240 В. В качестве резервного источника питания используется размещённый внутри прибора аккумулятор. Источник питания прибора обеспечивает заряд аккумулятора в автоматическом режиме.
- Особо компактный корпус (110х105х40 мм).
- Встроенный литиевый аккумулятор.
- Оптимизированная работа со станцией мониторинга «ВЕТТА - 50 GSM».
- Работа с двумя SIM–картами.
- Уникальная цена.
| Количество ШС, подключаемых к прибору, шт | 2 | Питание прибора от внешнего источника питания 5В,1А, В | 5± 0,25 | Питание прибора от встроенного аккумулятора, В | 3,7 ± 0,5 | Максимальная мощность, потребляемая прибором, ВА, не более | 5 | Максимальный ток, потребляемый прибором (без учета внешней нагрузки в цепи 12 В и выносных оповещателей) в дежурном режиме от внутреннего резервного аккумулятора при отсутствии питания от внешнего источника, А, не более: | 0,18 | Время работы прибора в дежурном режиме без внешней нагрузки в цепи 12В от встроенного АКБчас, не менее: | 24 | Время работы прибора в режиме тревоги при полной нагрузке в цепи 12В от встроенного АКБчас, не менее: | 2 | Напряжение, выдаваемое прибором на внешнюю нагрузку, В | 12 ± 2 | Суммарный ток внешней нагрузки прибора в цепи 12 В, А, не более: | 0,15 | Напряжение на клеммах подключения ШС в дежурном режиме | 17 ± 1,5 | Напряжение на клеммах подключения ШС при разомкнутом состоянии ШС | 22 ± 2 | Максимальный ток на клеммах ШС для токопотребляющих извещателей, мА | 3±0,3 | Максимальный ток на клеммах ШС при замкнутом состоянии ШС, мА | 20±3 | Сопротивление утечки между проводами ШС для охранного ШС, кОм, не менее | 20 | Сопротивление утечки между проводами ШС для пожарного ШС, кОм, не менее | 50 | Сопротивление выносного резистора, кОм | 7,5 ± 5% | Максимальное сопротивление ШС без учета сопротивления выносного элемента, Ом | 220 | Время реакции на нарушение шлейфа (выбираемое), мс | 50, 300, 3000 | Задержки для охранного ШС (выбираемые), сек: задержка взятия на охрану для тактики «с задержкой взятия» и «с открытой дверью» задержка включения вешнего звукового оповещателя (сирены) при нарушении ШС | 15,30,45,600,15,30,60 | Длительность звучания внутреннего и внешнего звукового оповещателя в режимах «ВНИМАНИЕ», «ТРЕВОГА» и «НЕИСПРАВНОСТЬ», мин | 5 | Длительность звучания (выбираемая) внутреннего и внешнего звукового оповещателя в режиме «ПОЖАР | 5илине ограничена | Максимальное количество ключей ТМ, записываемых в прибор, шт: | 30 | На контактах реле 1, реле 2, реле 3 прибора: Напряжение переменного тока, не более, В Напряжение постоянного тока, не более, В Ток, не более, м | 70100150 | Степень защиты, не менее | IP40 | Диапазон рабочих температур | от –20 до +50° | Относительная влажность при температуре окружающего воздуха 25 °С, % | до 98 | Габаритные размеры прибора, мм, не более | 110х105х40 | Масса прибора, кг, не более | 0,5 |
Оплата
Оплатить заказ Вы можете безналичным переводом по реквизитам, указанным в выставленном счёте после оформления заказа.
Доставка
«Альянс групп»предоставляет полный комплекс услуг по доставке оборудования в любую точку страны, любым видом транспорта.
Получить приобретённый товар Вы можете удобным для Вас способом:
- Самовывозом с нашего склада, расположенного по адресу- г. Москва, 104 км. МКАД, д. 8А.
- Воспользоваться услугой доставки в пределах Москвы и Московской области. Заказ и согласование даты доставки осуществляется через Вашего менеджера.
Если сумма заказа превышает 50 тыс. рублей, доставка по одному адресу Получателя осуществляется БЕСПЛАТНО.
- Доставка заказа в регионы России осуществляется через транспортные компании. Доставка груза до транспортной компании производится нашим транспортом.
Тарифы доставки по Москве:
При сумме заказа менее 50 тыс. рублей, доставка по Москве осуществляется по тарифам зоны:
- зона 3 — 500 руб.;
- зона 1 — 1000 руб.;
- зона 2, 4 — 1500 руб.;
- зона 5 — 2000 руб
Транспортные компании, с которыми мы сотрудничаем:
- Деловые линии
- Байкал-Сервис
- СДЭК
- Энергия
- Другим удобным для вас способом по согласованию




























