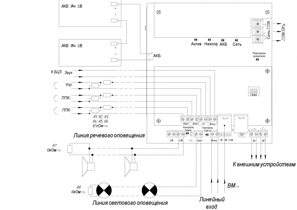
Однозонный прибор управления оповещением “Октава-100Ц”, обеспечивает трансляцию записанных речевых сообщений, включение и питание световых оповещателей по командам внешних устройств, прямую трансляцию речевых сообщений оператора от встроенного или внешнего микрофона. Осуществляет непрерывный контроль исправности линий связи речевого и светового оповещения с индикацией неисправного состояния. При пропадании сетевого напряжения автоматически переходит на резервное питание.
- Управление в составе системы оповещения “Октава-100” по RS-485
- Возможность наращивания по зонам и по мощности
- Трансляция записанных сообщений по командам внешних устройств
- Прямая трансляция сообщений от встроенного микрофона, внешнего микрофона ВМ-02 или ВПУ-16
- Два нестираемых предварительно записанных сообщения
- Запись двух пользовательских речевых сообщений
- Питание световых оповещателей от встроенного резервированного источника
- Трансляция сигналов ГО и ЧС
- Возможность трансляции звуковых сигналов от внешних источников
- Контроль исправности линий связи речевого и светового оповещения
- Индикация наличия сетевого напряжения и состояния АКБ
- Шлейф передачи извещения “Неисправность”
- Шлейф передачи извещения “Пуск”
- Автоматический переход на резервное питание при пропадании основного

| Номинальное выходное напряжение светового оповещения, Вольт | 24 |
| Емкость АКБ | 7 А*ч 24В (2 АКБ 7 А*ч 12В) |
| Длительность записываемых сообщений | два сообщения по 2 мин |
| Максимальный выходной ток светового оповещения, мА | 250 |
| Номинальное выходное напряжение, Вольт | 30 и 100 |
| Напряжение питания, Вольт | 187..242 В, 50 Гц |
| Диапазон воспроизводимых частот, Гц | 200...10000 |
| Количество зон оповещения | до 16 (по 1 Октава-100Ц на зону) |
| Мощность, потребляемая в режиме оповещения | не более 100 Вт |
| Максимальная выходная мощность, Ватт | 100 |
| Тип прибора | Прибор управления оповещением |
| Степень защиты оболочки | IP30 |
| Температура эксплуатации | 0..+40C |
| Номинальная выходная мощность, Ватт | 80 |
Оплата
Оплатить заказ Вы можете безналичным переводом по реквизитам, указанным в выставленном счёте после оформления заказа.
Доставка
«Альянс групп»предоставляет полный комплекс услуг по доставке оборудования в любую точку страны, любым видом транспорта.
Получить приобретённый товар Вы можете удобным для Вас способом:
- Самовывозом с нашего склада, расположенного по адресу- г. Москва, 104 км. МКАД, д. 8А.
- Воспользоваться услугой доставки в пределах Москвы и Московской области. Заказ и согласование даты доставки осуществляется через Вашего менеджера.
Если сумма заказа превышает 50 тыс. рублей, доставка по одному адресу Получателя осуществляется БЕСПЛАТНО.
- Доставка заказа в регионы России осуществляется через транспортные компании. Доставка груза до транспортной компании производится нашим транспортом.
Тарифы доставки по Москве:
При сумме заказа менее 50 тыс. рублей, доставка по Москве осуществляется по тарифам зоны:
- зона 3 — 500 руб.;
- зона 1 — 1000 руб.;
- зона 2, 4 — 1500 руб.;
- зона 5 — 2000 руб
Транспортные компании, с которыми мы сотрудничаем:
- Деловые линии
- Байкал-Сервис
- СДЭК
- Энергия
- Другим удобным для вас способом по согласованию























