Назначение
Компактный извещатель охранный оптико-электронный инфракрасный пассивный «Рапид Эк» предназначен для обнаружения проникновения в охраняемое пространство закрытого помещения и формирования тревожного извещения увеличением тока в цепи шлейфа сигнализации (ШС).
Особенности
- Компактный корпус прибора.
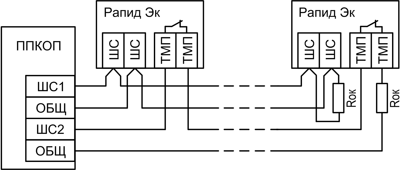
- Используется в два раза меньше проводов при монтаже. Питание по шлейфу сигнализации. Подключение извещателя к прибору приемно-контрольному охранно-пожарному (далее – ППКОП) осуществляется по двухпроводной схеме. Для работы извещателя не требуется источника напряжения 12 В и соответствующей линии питания.
- Малый ток потребления не более 70 мкА в режиме «Норма».
- Широкоугольная линза, позволяющая создать зону обнаружения максимальной площади.
- Антисаботажная зона обнаружения на расстоянии до 1,5 м.
- Работоспособность сохраняется в широком температурном диапазоне: от - 40 °С до + 70 °С.
- Крепление извещателя на кронштейне (входит в комплект поставки).
- Встроенный микропереключатель (тампер) для выдачи тревожного извещения при несанкционированном вскрытии корпуса извещателя.
- Не создает излучения и является безопасным для людей и животных.
- Отсутствие помех для работы бытовой радиоэлектронной аппаратуры и других извещателей.
- Современный дизайн корпуса извещателя подойдёт к интерьеру любых помещений.
| Максимальная дальность обнаружения, не менее | 15 м | Диапазон скоростей движения нарушителя | от 0,3 до 3,0 м/с | Оптимальная высота установки извещателя | 2,1 м | Угол наклона в вертикальной плоскости | 6° | Напряжение питания от ШС | от 8 до 24 В | Максимальный ток потребления в режиме «Норма», не более | 70 мкА | Максимальный ток потребления в режиме «Включение», не более | 200 мкА | Время технической готовности (режим «Включение»), не более | 40 с | Время восстановления после окончания тревожного режима, не более | 3 с | Длительность тревожного извещения, не менее | 2 с | Ток потребления в режиме «Тревога» | 5 ± 1 мА | Остаточное напряжение ШС ПКП в режиме «Тревога» | от 8 до 22 В | Устойчивость к внешней засветке, до | 6500 лк | Диапазон рабочих температур | от - 40 до + 70 °С | Относительная влажность воздуха при +25°С | до 98 % | Габариты без кронштейна, не более | 74х51х38 мм | Степень защиты оболочкой | IP41 | Масса с кронштейном, не более | 50 г | Срок службы | 10 лет |
Оплата
Оплатить заказ Вы можете безналичным переводом по реквизитам, указанным в выставленном счёте после оформления заказа.
Доставка
«Альянс групп»предоставляет полный комплекс услуг по доставке оборудования в любую точку страны, любым видом транспорта.
Получить приобретённый товар Вы можете удобным для Вас способом:
- Самовывозом с нашего склада, расположенного по адресу- г. Москва, 104 км. МКАД, д. 8А.
- Воспользоваться услугой доставки в пределах Москвы и Московской области. Заказ и согласование даты доставки осуществляется через Вашего менеджера.
Если сумма заказа превышает 50 тыс. рублей, доставка по одному адресу Получателя осуществляется БЕСПЛАТНО.
- Доставка заказа в регионы России осуществляется через транспортные компании. Доставка груза до транспортной компании производится нашим транспортом.
Тарифы доставки по Москве:
При сумме заказа менее 50 тыс. рублей, доставка по Москве осуществляется по тарифам зоны:
- зона 3 — 500 руб.;
- зона 1 — 1000 руб.;
- зона 2, 4 — 1500 руб.;
- зона 5 — 2000 руб
Транспортные компании, с которыми мы сотрудничаем:
- Деловые линии
- Байкал-Сервис
- СДЭК
- Энергия
- Другим удобным для вас способом по согласованию



















