Устройство защиты УЗЛ-И предназначено для защиты оборудования распределительных сетей аппаратуры промышленной автоматизации, линий последовательного интерфейса RS-485 и его аналогов, сигнальных линий систем управления и измерения от импульсных перенапряжений (грозовых, электростатических разрядов и др.) в пределах 2 ÷ 3 зон молниезащиты (в соответствии с МЭК 61312-1).
Защищаемое оборудование: контроллеры систем сигнализации и автоматизации, исполнительные устройства, системы телеметрии и учёта и т.д.
УЗЛ-И по техническим и эксплуатационным характеристикам удовлетворяет требованиям ГОСТ IEC 61643-21, ГОСТ IEC 61000-4-5. Степень защиты IP20 в соответствии с ГОСТ 14254. Конструктивно УЗЛ-И выполнено в пластмассовом корпусе с креплением на 35мм DIN-рейку. Изделие выпускается по техническим условиям ТУ 26.30.50-077-31006686-2017.
Габаритные и установочные размеры

Схемы подключения
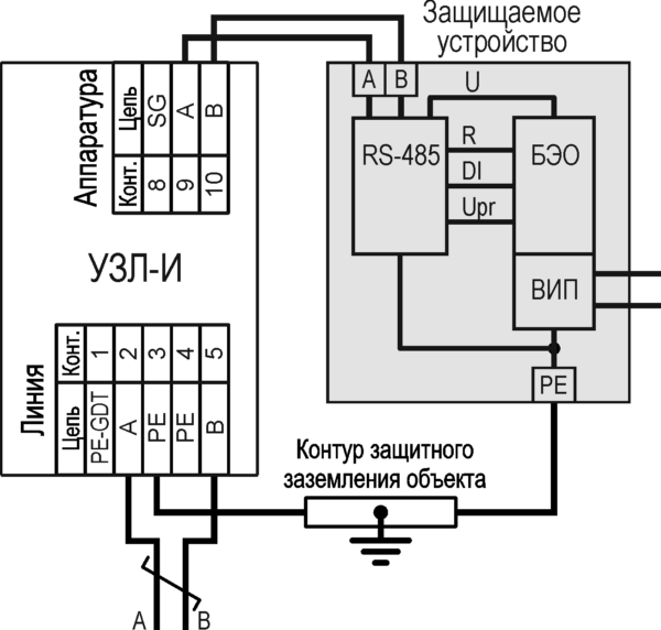
Схема включения 1 используется в двухпроводных системах связи, в которых устройства подключены к общему контуру заземления:

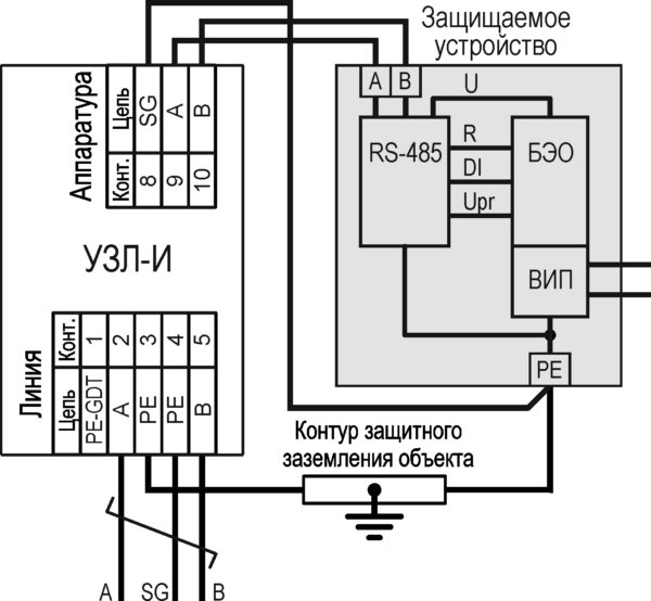
Схема включения 2 используется в трехпроводных системах связи, в которых для выравнивания потенциалов земли между сигнальными землями (SG) устройств прокладывается возвратный проводник:

Схема включения 3 используется в трехпроводных системах связи, в которых для устранения влияния разности потенциалов между сигнальными землями (SG) устройств применяются приемо-передатчики с гальванической развязкой:

Пока не грянул гром… [Алгоритм безопасности № 1, 2010]
Безопасность для систем сигнализации или… пока не грянул гром 2
Идем на грозу… Защита сигнальных линий от опасных напряжений. [Алгоритм безопасности №1, 2002]
Не плюй на… землю (неграмотный монтаж – залог отказа). [Алгоритм безопасности – спецвыпуск, 2002]
| Номинальное рабочее напряжение UN | 5 В DC |
| Макс. длительное рабочее напряжение UС | 7 В DC |
| Номинальный рабочий ток IN | 100 мА |
| С2 Номинальный ток разряда (8/20 мкс) In Линия-линия / линия-земля | 2 / 2 кА |
| Суммарный импульсный ток (8/20 мкс) | 4 кА |
| С2 Уровень напряжения защиты UP при In, не более Линия – линия (A – B) Линия – сигнальная земля (A, B – SG) Линия –защитная земля: (A, B, SG) – (PE-GDT) | 15 В 15 В 600 В |
| Время срабатывания tA, не более Линия-линия / линия-земля | 10нс/100нс |
| Вносимое сопротивление на цепь, не более | 4,7 Ом |
| Скорость передачи данных, не более | 1 Мбит / сек |
| Диапазон рабочих температур | – 55°С … +85°С |
| Габаритные размеры | 89 х 58 х 35 мм |
| Вес в упаковке | 90 г |
| Категория испытаний по МЭК 61643-21 | С2 |
Оплата
Оплатить заказ Вы можете безналичным переводом по реквизитам, указанным в выставленном счёте после оформления заказа.
Доставка
«Альянс групп»предоставляет полный комплекс услуг по доставке оборудования в любую точку страны, любым видом транспорта.
Получить приобретённый товар Вы можете удобным для Вас способом:
- Самовывозом с нашего склада, расположенного по адресу- г. Москва, 104 км. МКАД, д. 8А.
- Воспользоваться услугой доставки в пределах Москвы и Московской области. Заказ и согласование даты доставки осуществляется через Вашего менеджера.
Если сумма заказа превышает 50 тыс. рублей, доставка по одному адресу Получателя осуществляется БЕСПЛАТНО.
- Доставка заказа в регионы России осуществляется через транспортные компании. Доставка груза до транспортной компании производится нашим транспортом.
Тарифы доставки по Москве:
При сумме заказа менее 50 тыс. рублей, доставка по Москве осуществляется по тарифам зоны:
- зона 3 — 500 руб.;
- зона 1 — 1000 руб.;
- зона 2, 4 — 1500 руб.;
- зона 5 — 2000 руб
Транспортные компании, с которыми мы сотрудничаем:
- Деловые линии
- Байкал-Сервис
- СДЭК
- Энергия
- Другим удобным для вас способом по согласованию























