Всепогодный узел коммутации ВУК-14-PoE+ предназначен для обеспечения работы от 1-й до 4-х IP-видеокамер с питанием по технологии РоЕ/PoE+, организации группового канала передачи данных по волоконно-оптической сети, а также поддержания заданного температурного режима при эксплуатации задействованного оборудования.
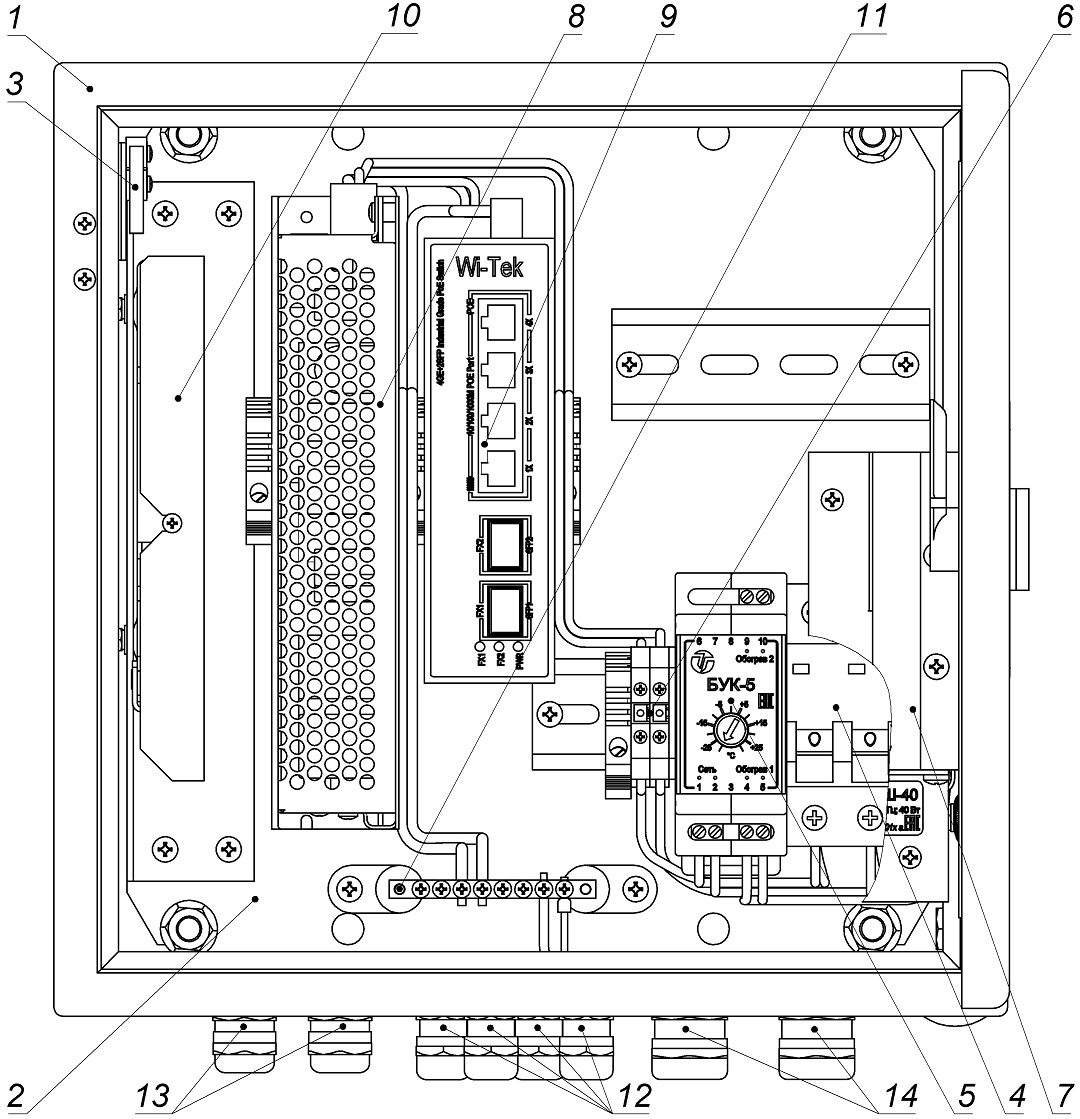
Изделие оборудовано
- блоком управления климатом (БУК-5), предназначенным для управление обогревом;
- обогревателем термошкафов ОТШ-40, оборудованным встроенным биметаллическим выключателем, ограничивающим температуру поверхности радиатора до +90°С;
- тамперным контактом для сигнализации о несанкционированном доступе.
Изделие выпускается по техническим условиям ТУ 26.30.50-077-31006686-2017.
По способу защиты человека от поражения электрическим током изделие соответствует классу I по ГОСТ 12.2.007.0-75.
Климатическое исполнение изделия соответствует УХЛ1, 5 ГОСТ 15150-69. Степень защиты IP 66.
Состав изделия:

| 1. Шкаф 300х300х210мм | 1шт. |
| 2. Монтажная панель | 1шт. |
| 3. Тамперный контакт (S2) | 1шт. |
| 4. Выключатель автоматический ВА47-29 2P6A/4,5кА хар-ка С "TDM" (S1) | 1шт. |
| 5. Блок управления климатом (БУК-5) | 1шт. |
| 6. Клеммы проходные (Х1) (S провода до 6 мм²) | 2шт. |
| 7. Обогреватель (ОТШ-40) | 1шт. |
| 8. AC/DC преобразователь 220/56В, 150Вт | 1шт. |
| 9. Неуправляемый коммутатор WiTek 4 порта Eth + 2 порта SFP Wi-PS306GF-l | 1шт. |
| 10. Оптический кросс W4 (или аналогичный) с адаптерами SC-SC (4 шт) | 1шт. |
| 11. Шина заземления (Ш1) | 1шт. |
| 12. Гермоввод PBA9-08, Ø кабеля 4,5-8 мм | 4шт. |
| 13. Гермоввод PBA11-10, Ø кабеля 6-10 мм | 2шт. |
| 14. Гермоввод PBA13,5-11, Ø кабеля 7-12 мм | 2шт. |
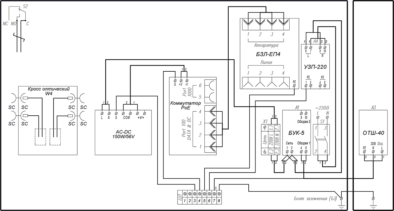
Схема подключения:

“Все в одном флаконе” – оно вам надо? Или как правильно установить наружную камеру [Технологии защиты, № 02, 2021]
СИСТЕМЫ ВИДЕОНАБЛЮДЕНИЯ ДЛЯ ПЕРИМЕТРА: СТАНДАРТНЫЕ ЗАДАЧИ — СТАНДАРТНОЕ ОБОРУДОВАНИЕ [Алгоритм безопасности № 2, 2019]
САМАЯ ЧЕСТНАЯ РЕКЛАМНАЯ СТАТЬЯ ПРО САМЫЕ БАНАЛЬНЫЕ ТЕРМОШКАФЫ
Климатические испытания. Что имеем и чем руководствоваться
| 1. Питание изделия: | |
| – напряжение питания | 220 В AC, 50 Гц |
| – максимальный ток нагрузки | 6 А |
| 2. Обогрев: | |
| – напряжение питания | 220 В AC, 50 Гц |
| – потребляемая мощность | 40 Вт |
| 3. Диапазон рабочих температур | – 60°С÷+50°С |
| 4. Интерфейсы: | |
| – порт 10/100/1000 Base-T RJ-45 PoE+ | 4 шт. |
| – порт 1000 Base-X SFP | 2 шт. |
| 5. Питание подключаемых видеокамер/устройств | PoE/PoE+ |
| 6. Максимальная мощность, подключаемых видеокамер/устройств, не более: | |
| – по стандарту PoE IEEE 802.3af | 4х15 Вт |
| – по стандарту PoE IEEE 802.3at | 4х30 Вт |
| – общий бюджет PoE | 120 Вт |
| 7. Максимальная потребляемая мощность | 170 Вт |
| 8. Материалы и поверхности изделия: | |
| – корпус (дверь) | листовая сталь 1,25 (1,5) мм, грунтовка, порошковое покрытие |
| – панель монтажная | листовая сталь 2 мм, оцинкованная |
| 9. Габаритные размеры (без гермовводов) ШхВхГ | 300х300х210 мм |
| 10. Вес c упаковкой | 10 кг |
Оплата
Оплатить заказ Вы можете безналичным переводом по реквизитам, указанным в выставленном счёте после оформления заказа.
Доставка
«Альянс групп»предоставляет полный комплекс услуг по доставке оборудования в любую точку страны, любым видом транспорта.
Получить приобретённый товар Вы можете удобным для Вас способом:
- Самовывозом с нашего склада, расположенного по адресу- г. Москва, 104 км. МКАД, д. 8А.
- Воспользоваться услугой доставки в пределах Москвы и Московской области. Заказ и согласование даты доставки осуществляется через Вашего менеджера.
Если сумма заказа превышает 50 тыс. рублей, доставка по одному адресу Получателя осуществляется БЕСПЛАТНО.
- Доставка заказа в регионы России осуществляется через транспортные компании. Доставка груза до транспортной компании производится нашим транспортом.
Тарифы доставки по Москве:
При сумме заказа менее 50 тыс. рублей, доставка по Москве осуществляется по тарифам зоны:
- зона 3 — 500 руб.;
- зона 1 — 1000 руб.;
- зона 2, 4 — 1500 руб.;
- зона 5 — 2000 руб
Транспортные компании, с которыми мы сотрудничаем:
- Деловые линии
- Байкал-Сервис
- СДЭК
- Энергия
- Другим удобным для вас способом по согласованию























