Аппаратура передачи видеосигнала АПВС–TVI предназначена для передачи как обычного TV-cигнала, так и TV-cигнала высокой чёткости стандарта TVI по витой паре кабеля F/UTP CAT 5E.
Устройство и габаритные размеры

Схемы подключения
Схема включения АПВС-TVI

Схема включения АПВС-TVI при невозможности заземления на передающей стороне

Схемы построения линии с Max длиной 1500 м
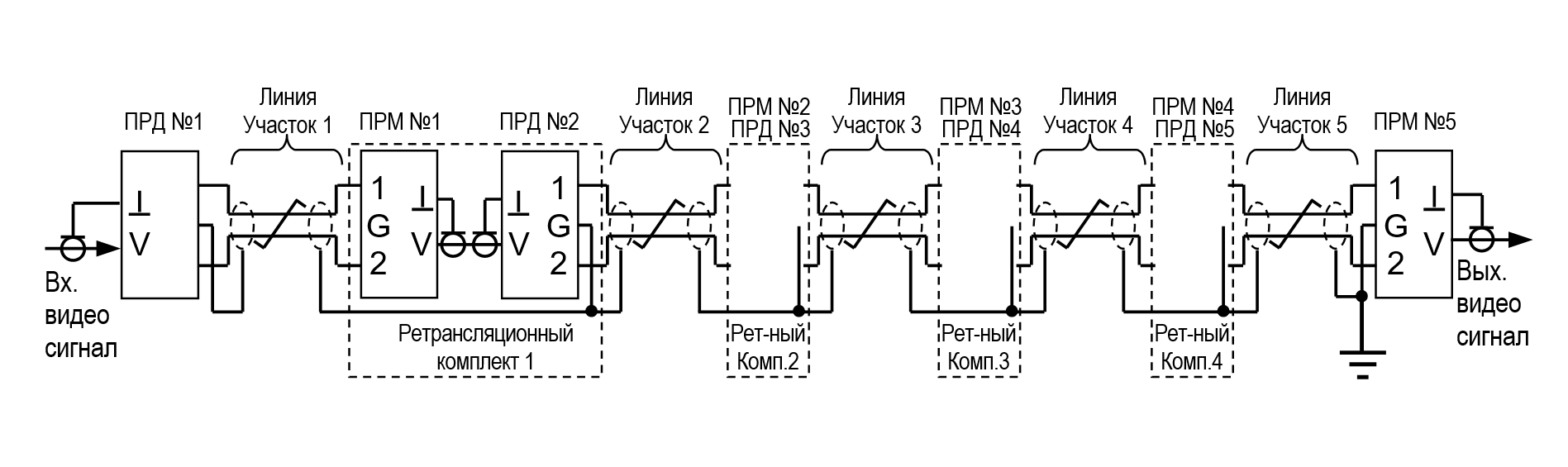
Схема построения линии с Max длиной 1500 м, состоящей из пяти участков

Схема построения линии с Max длиной 1500 м, при невозможности заземления на всех передающих сторонах

| Характеристика | Значение |
| Напряжение питания: передатчик стабилизированное пост. приемник стабилизированное пост. | 12 В DC |
| Ток потребления: передатчик не более приемник не более | 70 мА 120 мА |
| Входное сопротивление передатчика | 75 Ом |
| Выходное сопротивление приёмника | 75 Ом |
| Номинальный уровень входного и выходного видеосигналов | 1 В |
| Дальность передачи видеосигнала по кабелю F/UTP CAT 5E | для сигналов стандарта TVI – 0 ÷ 450 м для сигналов стандарта CVI – 0 ÷ 500 м |
| Диапазон регулировки уровня выходного видеосигнала | ± 3 дБ |
| Диапазон рабочих частот | 50 Гц ÷ 15 МГц |
| Система защиты рассчитана на кратковременный импульсный разрядный ток с tфронта = 8мкс / tспада = 20мкс – 10 кА | передатчик – двухступенчатая защита по входу и выходу приёмник – трёхступенчатая защита по входу |
| Диапазон рабочих температур | – 40 °С ÷ +50 °С |
| Габаритные размеры | 35х90х60 мм |
| Вес комплекта в упаковке, не более | 0,2 кг |
Оплата
Оплатить заказ Вы можете безналичным переводом по реквизитам, указанным в выставленном счёте после оформления заказа.
Доставка
«Альянс групп»предоставляет полный комплекс услуг по доставке оборудования в любую точку страны, любым видом транспорта.
Получить приобретённый товар Вы можете удобным для Вас способом:
- Самовывозом с нашего склада, расположенного по адресу- г. Москва, 104 км. МКАД, д. 8А.
- Воспользоваться услугой доставки в пределах Москвы и Московской области. Заказ и согласование даты доставки осуществляется через Вашего менеджера.
Если сумма заказа превышает 50 тыс. рублей, доставка по одному адресу Получателя осуществляется БЕСПЛАТНО.
- Доставка заказа в регионы России осуществляется через транспортные компании. Доставка груза до транспортной компании производится нашим транспортом.
Тарифы доставки по Москве:
При сумме заказа менее 50 тыс. рублей, доставка по Москве осуществляется по тарифам зоны:
- зона 3 — 500 руб.;
- зона 1 — 1000 руб.;
- зона 2, 4 — 1500 руб.;
- зона 5 — 2000 руб
Транспортные компании, с которыми мы сотрудничаем:
- Деловые линии
- Байкал-Сервис
- СДЭК
- Энергия
- Другим удобным для вас способом по согласованию























