Назначение
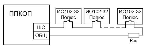
Извещатель охранный точечный магнитоконтактный ИО102-32 «ПОЛЮС-2» предназначен для обнаружения несанкционированного открывания дверей, окон, люков и т.п. и выдачи извещения «Тревога» на приемно-контрольный прибор.
Извещатель обеспечивает размыкание шлейфа сигнализации при открывании дверей, окон, люков или при перемещении заблокированных им предметов.
Особенности
- Извещатель «Полюс-2» имеет абсолютно новый корпус с современным дизайном. Крепление извещателя к поверхности сделано скрытым, оно не портит внешний вид интерьера. «Полюс-2» можно устанавливать на металлическую поверхность.
- Работа извещателя основана на замыкании контактов геркона при воздействии на него постоянного магнита.
- Извещение "Тревога" выдается на приемно-контрольный прибор.
- Конструктивно извещатель состоит из двух частей: геркона и магнита, размещённых в одинаковых корпусах. Корпус с герконом монтируется на неподвижную часть объекта, корпус с магнитом – на подвижную. Корпуса должны быть установлены параллельно, метками навстречу друг другу и с соблюдением расстояния между ними. Допускается установка на двухсторонний скотч на подготовленную поверхность.
- Материал корпуса – пластик ABS. Цвет: белый.
- Извещатель может быть применен как в производственных, так и жилых помещениях. Не предназначен для использования в химически агрессивных средах.
| Коммутируемое напряжение (пост., перем.), В | 0,05…60 | Число срабатываний извещателя, не менее | 106 | Вибрационные нагрузки | (10 – 35Гц) 0,5g | Диапазон рабочих температур | -50...+50 °С | Расстояние срабатывания при размыкании, мм | от 25 (от 13*) мм и более | Расстояние срабатывания при замыкании, мм | от 20 (от 11*) мм и менее | Габаритные размеры | 57×18×16 мм | Вес | 20 г |
Оплата
Оплатить заказ Вы можете безналичным переводом по реквизитам, указанным в выставленном счёте после оформления заказа.
Доставка
«Альянс групп»предоставляет полный комплекс услуг по доставке оборудования в любую точку страны, любым видом транспорта.
Получить приобретённый товар Вы можете удобным для Вас способом:
- Самовывозом с нашего склада, расположенного по адресу- г. Москва, 104 км. МКАД, д. 8А.
- Воспользоваться услугой доставки в пределах Москвы и Московской области. Заказ и согласование даты доставки осуществляется через Вашего менеджера.
Если сумма заказа превышает 50 тыс. рублей, доставка по одному адресу Получателя осуществляется БЕСПЛАТНО.
- Доставка заказа в регионы России осуществляется через транспортные компании. Доставка груза до транспортной компании производится нашим транспортом.
Тарифы доставки по Москве:
При сумме заказа менее 50 тыс. рублей, доставка по Москве осуществляется по тарифам зоны:
- зона 3 — 500 руб.;
- зона 1 — 1000 руб.;
- зона 2, 4 — 1500 руб.;
- зона 5 — 2000 руб
Транспортные компании, с которыми мы сотрудничаем:
- Деловые линии
- Байкал-Сервис
- СДЭК
- Энергия
- Другим удобным для вас способом по согласованию
























