Назначение
Извещатель охранный акустический звуковой поверхностный «Сонар-2» (в дальнейшем - извещатель) предназначен для обнаружения разрушения стекол, остекленных конструкций закрытых помещений, в том числе стеклопакетов.
Извещение о тревоге формируется увеличением тока в цепи шлейфа сигнализации (ШС). Для формирования сигнала «Тревога» извещатель должен зарегистрировать низкочастотный и высокочастотный сигналы и оценить характер их изменения в определенном интервале времени. Низкочастотный звуковой сигнал возникает в момент удара по стеклу, высокочастотный звуковой сигнал возникает в момент разрушения стекла.
Особенности
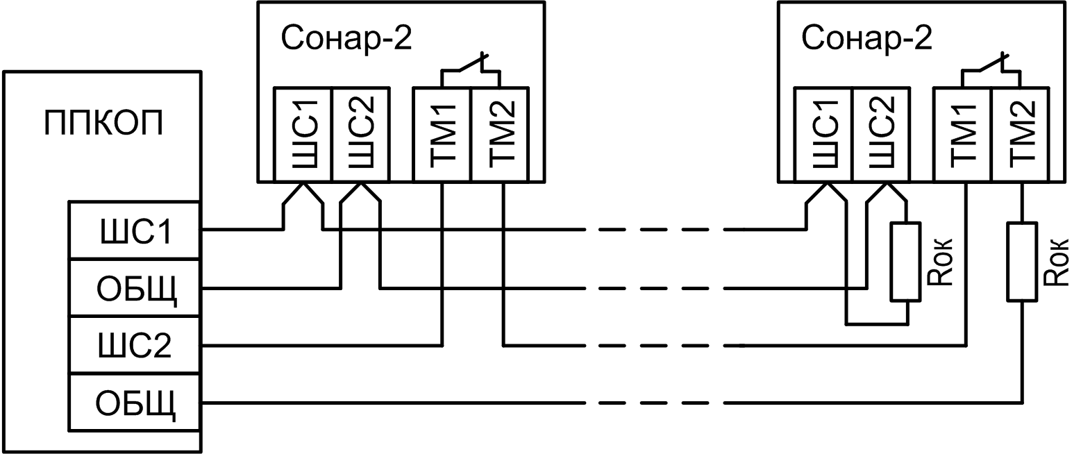
- Подключение извещателя к приемно-контрольному прибору осуществляется по двухпроводной схеме (питание по шлейфу).
- Извещатель может быть установлен на стенах, потолке или на торцах оконного проема.
- Раздельная индикация на высокочастотную и низкочастотную помехи.
- Возможность выбора одного из четырех уровней чувствительности.
- Встроенный микропереключатель (тампер) для выдачи тревожного извещения при несанкционированном вскрытии корпуса извещателя.
- Визуальный контроль состояния извещателя и помеховой обстановки внутри охраняемого помещения с помощью двух индикаторов с возможностью их раздельного отключения.
- Возможность выбора режима работы с выпадением осколков обеспечивает повышенную помехозащищенность (не рекомендуется для армированных и ламинированных типов стекол).
- Возможность подключения к ШС приемно-контрольных приборов (ПКП) производства НПО «Сибирский Арсенал» 2-3 извещателей, значительное увеличение времени работы ПКП от резервногоисточника питания за счет низкого потребления тока.
- Широкий диапазон допустимых напряжений питания извещателя от ШС ПКП: 8 … 30 В.
- При подключении к ШС не требуется соблюдения полярности питания и подбора оконечного резистора.
| Максимальная дальность действия, не менее | 6 м | Напряжение питания (ток постоянный) | 8…30 В | Потребляемый ток | 0,5 мА | Ток потребления в тревожном режиме | 8…12 мА | Габаритные размеры | 90х57х34 мм | Относительная влажность воздуха при температуре +35 ° С, без конденсации влаги, не более | 95% | Диапазон рабочих температур | 20...+50 °С | Длительность тревожного извещения | 0,4…0,6 сек | Время технической готовности (режим \Включение"), не более | 10 сек | Вес | 0,06 кг | Срок службы, лет | 5 лет | Степень защиты, не менее | IP40 |
Оплата
Оплатить заказ Вы можете безналичным переводом по реквизитам, указанным в выставленном счёте после оформления заказа.
Доставка
«Альянс групп»предоставляет полный комплекс услуг по доставке оборудования в любую точку страны, любым видом транспорта.
Получить приобретённый товар Вы можете удобным для Вас способом:
- Самовывозом с нашего склада, расположенного по адресу- г. Москва, 104 км. МКАД, д. 8А.
- Воспользоваться услугой доставки в пределах Москвы и Московской области. Заказ и согласование даты доставки осуществляется через Вашего менеджера.
Если сумма заказа превышает 50 тыс. рублей, доставка по одному адресу Получателя осуществляется БЕСПЛАТНО.
- Доставка заказа в регионы России осуществляется через транспортные компании. Доставка груза до транспортной компании производится нашим транспортом.
Тарифы доставки по Москве:
При сумме заказа менее 50 тыс. рублей, доставка по Москве осуществляется по тарифам зоны:
- зона 3 — 500 руб.;
- зона 1 — 1000 руб.;
- зона 2, 4 — 1500 руб.;
- зона 5 — 2000 руб
Транспортные компании, с которыми мы сотрудничаем:
- Деловые линии
- Байкал-Сервис
- СДЭК
- Энергия
- Другим удобным для вас способом по согласованию














