Коробки монтажные серии КМ (далее изделия) предназначены для установки в них элек-тронных (КМ-4) или электроустановочных (КМ-5, КМ-6) устройств и защиты их от воздействия окружающей среды. Изделие оборудовано тамперным контактом для сигнализации о несанкцио-нированном доступе.
Климатическое исполнение коробок соответствует УХЛ1,5 ГОСТ 15150-69. Степень защиты IP66.
Класс защиты: IP66.
Описание изделий:
- В коробке КМ-4 установлена 35 мм DIN-рейка для крепления на ней электронных устройств, например, одного, двух или трех устройств защиты от импульсных перенапряжений УЗИП.
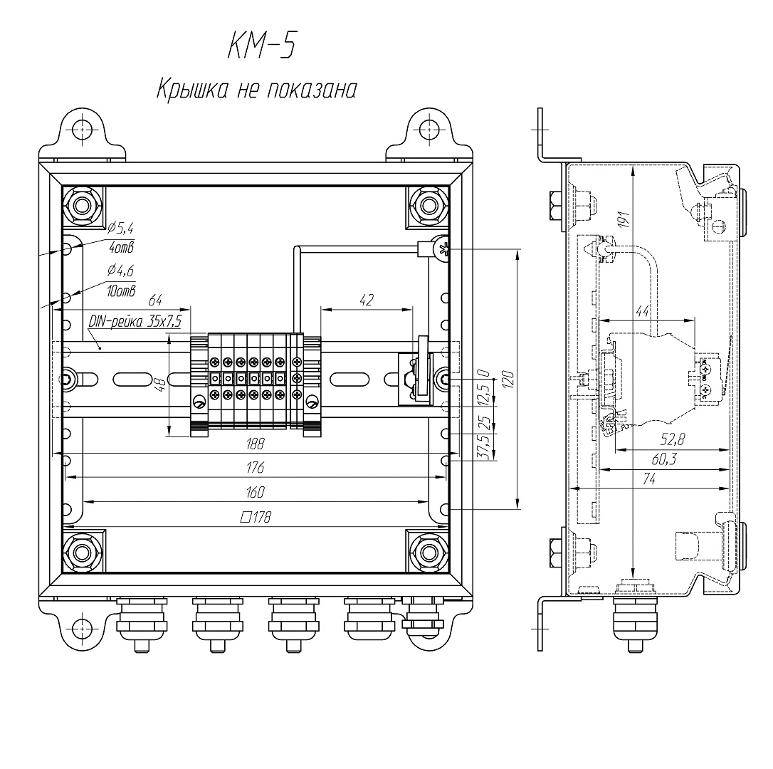
- В коробке КМ-5 установлена клеммная колодка с 6-ю зажимами под провод сечением до 6 мм² для коммутации цепей питания аппаратуры или других электрических цепей.
- В коробке КМ-6 установлен плинт с неразмыкаемыми контактами на 10 пар LSA-PLUS 2/10 для разветвления и коммутации линий связи или других соединительных линий.
Все коробки имеют 5 гермовводов.
Кронштейн для крепления на опоры ∅ = 115 ÷ 135 мм (другой размер – под заказ) - приобретается по отдельной заявке.
Устройство и габаритные размеры


| Наименование | КМ-4 | КМ-5 | КМ-6 |
| Гермоввод PG11 - Ø кабеля 10 ÷ 6 мм | 4 шт. | 4 шт. | 4 шт. |
| Гермоввод PG7 - Ø кабеля 6 ÷ 3,5 мм | 1 шт. | 1 шт. | 1 шт. |
| 35 мм DIN-рейка | 1 шт. | 1 шт. | 1 шт. |
| Клеммная колодка (сечение подключаемых проводов до 6 мм²) | - | 6 шт. | - |
| Клемма заземления (сечение подключаемых проводов до 6 мм²) | 1 шт. | 1 шт. | 1 шт. |
| Плинт LSA-PLUS 2/10 | - | - | 1 шт. |
| Тамперный контакт | 1 шт. | 1 шт. | 1 шт. |
| Скоба настенного крепления | 4 шт. | 4 шт. | 4 шт. |
“Все в одном флаконе” – оно вам надо? Или как правильно установить наружную камеру [Технологии защиты, № 02, 2021]
| Характеристика | Значение |
| Материал корпуса | листовая сталь толщ. 1,2 мм (покрытие краска порошковая) |
| Диапазон рабочих температур | -60°C ÷ +70°C |
| Габаритные размеры | 240х200х90 мм |
| Вес с упаковкой (не более) | 2,2 кг |
Оплата
Оплатить заказ Вы можете безналичным переводом по реквизитам, указанным в выставленном счёте после оформления заказа.
Доставка
«Альянс групп»предоставляет полный комплекс услуг по доставке оборудования в любую точку страны, любым видом транспорта.
Получить приобретённый товар Вы можете удобным для Вас способом:
- Самовывозом с нашего склада, расположенного по адресу- г. Москва, 104 км. МКАД, д. 8А.
- Воспользоваться услугой доставки в пределах Москвы и Московской области. Заказ и согласование даты доставки осуществляется через Вашего менеджера.
Если сумма заказа превышает 50 тыс. рублей, доставка по одному адресу Получателя осуществляется БЕСПЛАТНО.
- Доставка заказа в регионы России осуществляется через транспортные компании. Доставка груза до транспортной компании производится нашим транспортом.
Тарифы доставки по Москве:
При сумме заказа менее 50 тыс. рублей, доставка по Москве осуществляется по тарифам зоны:
- зона 3 — 500 руб.;
- зона 1 — 1000 руб.;
- зона 2, 4 — 1500 руб.;
- зона 5 — 2000 руб
Транспортные компании, с которыми мы сотрудничаем:
- Деловые линии
- Байкал-Сервис
- СДЭК
- Энергия
- Другим удобным для вас способом по согласованию























