Назначение
Приборы Гранит-2, Гранит-4 традиционно пользуются большим успехом у потребителей. В разных модификациях выпускаются НПО «Сибирский Арсенал» с 2000 года.
Прибор Гранит-4 предназначен для охраны небольших объектов: офисов, магазинов, домов, дач и других помещений.
Кроме обеспечения охраны от проникновения посторонних лиц и от пожара, прибор может использоваться также для контроля и управления доступом в помещение. Прибором поддерживаются электромагнитные и электромеханические дверные замки.
Особенности
- Оперативная настройка прибора разными способами: быстрый выбор одного из групповых профилей работы прибора – выполняется вручную, устраивает большинство пользователей; подробная настройка до параметра работы прибора – выполняется с помощью программы - конфигуратора ArsProg.
- Разнообразные тактики работы охранных и пожарных шлейфов прибора, в том числе: ТИХАЯ ТРЕВОГА, АВТОВОЗВРАТ В РЕЖИМ ОХРАНЫ, ПЕРЕОПРОС ПОЖАРНОГО ШЛЕЙФА.
- Способы постановки на охрану и снятия с охраны:
- электронными ключами Touch Memory через считыватель ТМ;
- кнопкой «УПРАВЛЕНИЕ» на панели прибора;
- Proximity-картами, набором цифрового кода кнопками, радиоканальными брелоками, ключами ТМ с помощью универсального считывателя «Портал».
- Прибор имеет два входа для подключения считывателей ТМ и парольную защиту органов управления прибора от несанкционированного доступа.
- В приборе реализованы способы управления оповещением при пожаре:
- автоматически (при определении события «Пожар2» в пожарном ШС).
- вручную с панели индикации прибора (кнопки «ПУСК» и «СТОП»);
- дистанционно, с помощью устройства дистанционного пуска (УДП);
- Эффективное использование прибора на объектах благодаря функциональным выходам с защитой от короткого замыкания:
- три выхода оповещения типа «открытый коллектор»: «Лампа», «Сирена», «Оповещение о пожаре».
- дополнительный неотключаемый выход с напряжением +12 В для питания извещателей.
- В приборе имеется четыре релейных выхода, в том числе мощное реле с коммутируемым током до 3 А.
- Встроенный источник бесперебойного питания с использованием аккумулятора 12 В, 4,5 Ач или 7 Ач. Возможность подключить внешний резервированный источник питания 12 В.
- У прибора Гранит-4 будет всегда актуальное функционирование. У пользователей есть возможность установить в прибор современную программу работы, поставляемую производителем.
Поддерживает все алгоритмы работы (А, В и С) согласно свода правил СП 484.1311500.2020 "Системы противопожарной защиты. Системы пожарной сигнализации и автоматизация систем противопожарной защиты. Нормы и правила проектирования", действующего с 01.03.2021 г.
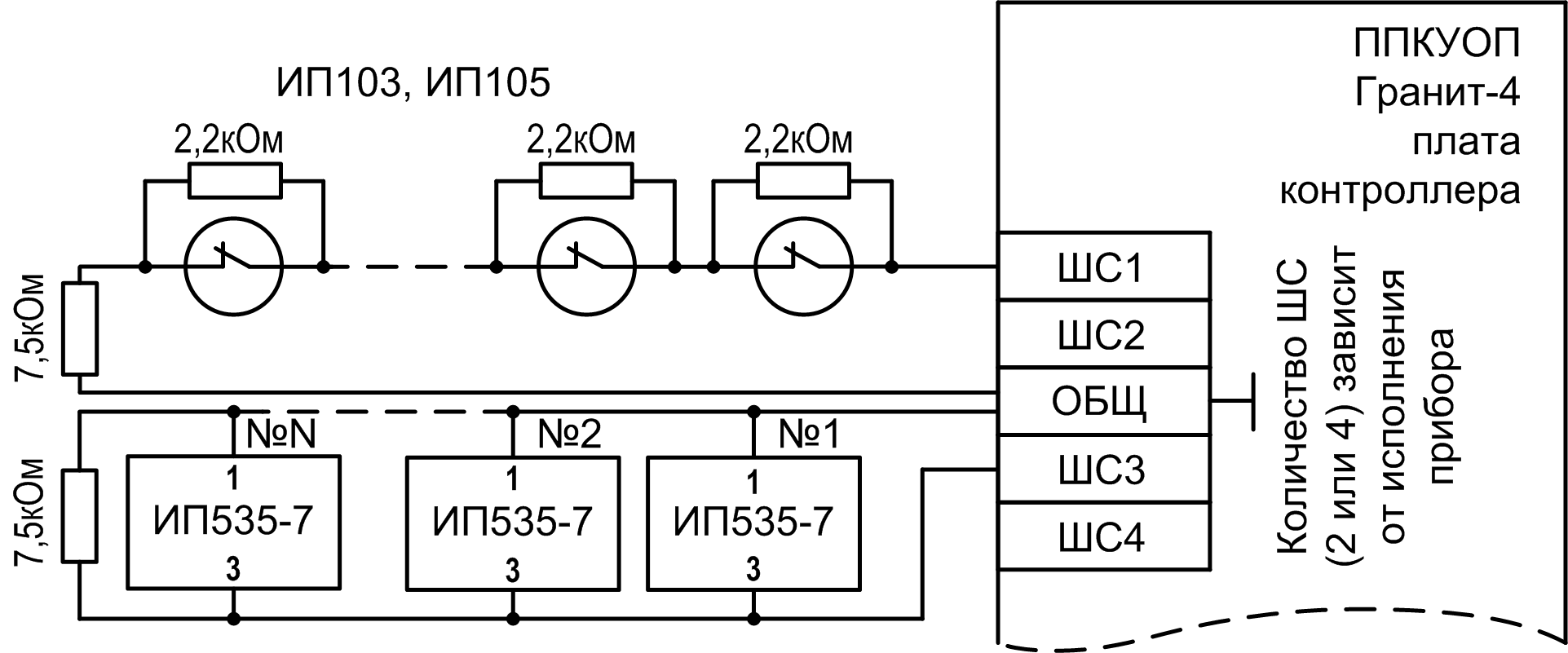
| Количество шлейфов сигнализации | 4 шт. | Количество основных видов извещений прибора | 18 | Ёмкость буфера извещений (максимальное количество событий в памяти прибора) | 40 | Ёмкость памяти кодов идентификаторов (ключи ТМ, proximity-карты, цифровые коды, брелоки) | 64 шт. | Напряжение на входе ШС при номинальном сопротивлении шлейфа (7,5 кОм ) | 19,5 ± 0,5 В | Суммарная токовая нагрузка в ШС в дежурном режиме, не более | 1,5 мА | Напряжение / ток выходов реле ПЦН1, ПЦН2, ПЦН4, до | 100 В / 100 мА | Напряжение / ток выхода реле ПЦН3, до | ~ 250 В / 3 А | Максимально допустимый общий ток потребления по выходу +12 В | 1,5 А | Ток потребления по выходу «+12В» для питания извещателей, не более | 400 мА | Ток потребления по выходу «ОПВ» (оповещение), не более | 1 А | Ток потребления по выходу «ЛМП» для питания внешнего светового оповещателя 12 В (при наличии подключенного, заряженного аккумулятора), не более | 200 мА | Ток потребления по выходу «СИР» для питания внешнего звукового оповещателя 12 В (при наличии подключенного, заряженного аккумулятора), не более | 300 мА | Регистрируются нарушения ШС длительностью, более | 350 мс | Не регистрируются нарушения ШС длительностью, менее | 200 мс | Напряжение питания сети (переменный ток 50 Гц) | от 187 до 242 В | Мощность, потребляемая от сети, не более | 15 ВА | Напряжение питания от аккумулятора | от 11,8 до 14,0 В | Номинальная емкость резервного аккумулятора | 4,5 Ач или 7 Ач | Ток потребления от аккумулятора в дежурном режиме (при отсутствии внешних потребителей), не более | 55 мА | Ток потребления от аккумулятора в режиме «Пуск», «Пожар», «Тревога», не более | 75 мА | Габаритные размеры корпуса прибора, не более | 250 х 210 х 80 мм | Степень защиты оболочкой (степень защиты оболочкой при эксплуатации прибора закреплённого на ровной поверхности) | IP20 (IP40) | Масса без аккумуляторной батареи, не более | 700 г | Средняя наработка на отказ прибора в дежурном режиме или в режиме снят с охраны, не менее | 40 000 часов | Срок службы | 10 лет | Диапазон рабочих температур | от - 30 до50 °С | Относительная влажность воздуха при +40 °С, не более | 93 % |
Оплата
Оплатить заказ Вы можете безналичным переводом по реквизитам, указанным в выставленном счёте после оформления заказа.
Доставка
«Альянс групп»предоставляет полный комплекс услуг по доставке оборудования в любую точку страны, любым видом транспорта.
Получить приобретённый товар Вы можете удобным для Вас способом:
- Самовывозом с нашего склада, расположенного по адресу- г. Москва, 104 км. МКАД, д. 8А.
- Воспользоваться услугой доставки в пределах Москвы и Московской области. Заказ и согласование даты доставки осуществляется через Вашего менеджера.
Если сумма заказа превышает 50 тыс. рублей, доставка по одному адресу Получателя осуществляется БЕСПЛАТНО.
- Доставка заказа в регионы России осуществляется через транспортные компании. Доставка груза до транспортной компании производится нашим транспортом.
Тарифы доставки по Москве:
При сумме заказа менее 50 тыс. рублей, доставка по Москве осуществляется по тарифам зоны:
- зона 3 — 500 руб.;
- зона 1 — 1000 руб.;
- зона 2, 4 — 1500 руб.;
- зона 5 — 2000 руб
Транспортные компании, с которыми мы сотрудничаем:
- Деловые линии
- Байкал-Сервис
- СДЭК
- Энергия
- Другим удобным для вас способом по согласованию





























