Прибор приемно-контрольный и управления охранно-пожарный Гранит-5С(GE)

()

Прибор приемно-контрольный и управления охранно-пожарный Гранит-5С(GE)

Изображение товара

Прибор приёмно-контрольный и управления охранно-пожарный Гранит-5С(GE) предназначен для работы в составе систем передачи извещений «Горизонт» и «ЛАВИНА» в качестве объектового прибора.

Прибор обеспечивает централизованную и локальную охрану объектов, оборудованных электроконтактными и токопотребляющими охранными и пожарными извещателями с передачей информации о тревожных сообщениях и прочих событиях с помощью встроенного WiFi-коммуникатора.

 

  • Прибор укомплектован WiFi и GEкоммуникаторами для передачи информации на ПЦН по сетям WiFi , ETHERNET и/или GSM/GPRS каналам связи.
  • Прибор обеспечивает рассылку SMS, а так же дозвон на телефонные номера пользователей (до 3-х номеров).
  • При использовании прибора в системе Горизонт и Лавина

  • Прибор совместно с коммуникаторами программируется с компьютера ПЦН через USB или удаленно, используя каналы доставки извещений (первое программирование только через USB);
  • Имеет обратный канал управления (поставить/снять зону или группу зон, перепоставить прибор, включить/выключить реле прибора);
  • Позволяет подключить 5 шлейфовсигнализации с функциями охранных или пожарных;
  • Наличие выходов и органов управления оповещением при пожаре;
  • При работе в СПИ «ЛАВИНА» настройки прибора и коммуникаторов и используемые прибором ключи управления, задаются при программировании прибора в программном обеспечении АРМ администратора система «Лавина» и конфигуратор «Гранит-С»;
  • Запуск оповещения о пожаре осуществляется:
    • автоматически, при определении событий «Пожар2», «Пожар1» в пожарном ШС;
    • вручную с панели индикации и управления прибора (кнопка «ПУСК»);
  • Управлениезонами прибора (постановка/снятие/перепостановка) осуществляется:
    • кнопками «1»…«5» на панели индикации и управления прибора;
    • электронными ключами Touch Memory через порт ТМ;
    • удалённо с ПЦН;
    • прибором можно также управлять proximity-картами, набором цифрового кода кнопками, брелоками и/или ключами ТМ с помощью считывателя «Портал» производства ООО НПО «Сибирский Арсенал» (приобретается отдельно). С более подробной информацией о считывателях Вы можете ознакомиться в соответствующих руководствах по эксплуатации на нашем сайте в разделе «Документация». ВНИМАНИЕ! Считыватель «Портал» требует питания 12 В.
  • Количество ключей управления (ключи ТМ, proximity-карты, цифровые коды, брелоки) – до 64 шт;
  • Три выхода оповещения типа «открытый коллектор»: «СИР» («Сирена»), «ОПВ» («Оповещение о пожаре»), «ЛМП» («Лампа») и выход оповещения типа «сухие» контакты реле: «ПЦН3»;
  • Автоматический контроль на обрыв и короткое замыкание соединительных линий выходов оповещения «ЛМП», «СИР», «ОПВ», входа «УДП» и, опционально, входа «ТМ»;
  • Наличие неотключаемого выхода +12 В для питания извещателей и оповещателей;
  • Возможность обновления прошивки прибора;
  • Электропитание прибора осуществляется:
    1. или от сети 220 В с обязательным использованием встроенной аккумуляторной батареи (4,5 или 7 Ач). При этом не должен быть подключен внешний резервированный источник питания.
    2. или от внешнего резервированного источника питания +12 В и током не менее 0,7 А. При этом сеть 220 В и встроенная аккумуляторная батарея должны быть отключены.
  • Автоматический переход на питание от аккумуляторной батареи при отключении сети 220 В, и обратно, при восстановлении питания 220 В. Сигнал «Тревога» при этом не выдаётся;
  • При полном отключении электропитания прибор запоминает состояние ШС;
  • Возможность передачи тревожных извещений «Пожар2», «Пожар1» и «Тревога» на пульт централизованного наблюдения по двум каналам путём размыкания/замыкания «сухих» контактов выходных реле «ПЦН1» и «ПЦН2» или организации автономной работы прибора;
  • Возможность передачи тревожных и других извещений на другие ПЦН, принимающие извещения по протоколу SurGard. В этих случаях и в случае автономной работы программирование прибора осуществляется с помощью конфигуратора «Гранит-С» и специализированного программного обеспечения, при работе с пультами.

Поддерживает все алгоритмы работы (А, В и С) согласно свода правил СП 484.1311500.2020 "Системы противопожарной защиты. Системы пожарной сигнализации и автоматизация систем противопожарной защиты. Нормы и правила проектирования", действующего с 01.03.2021 г.

 

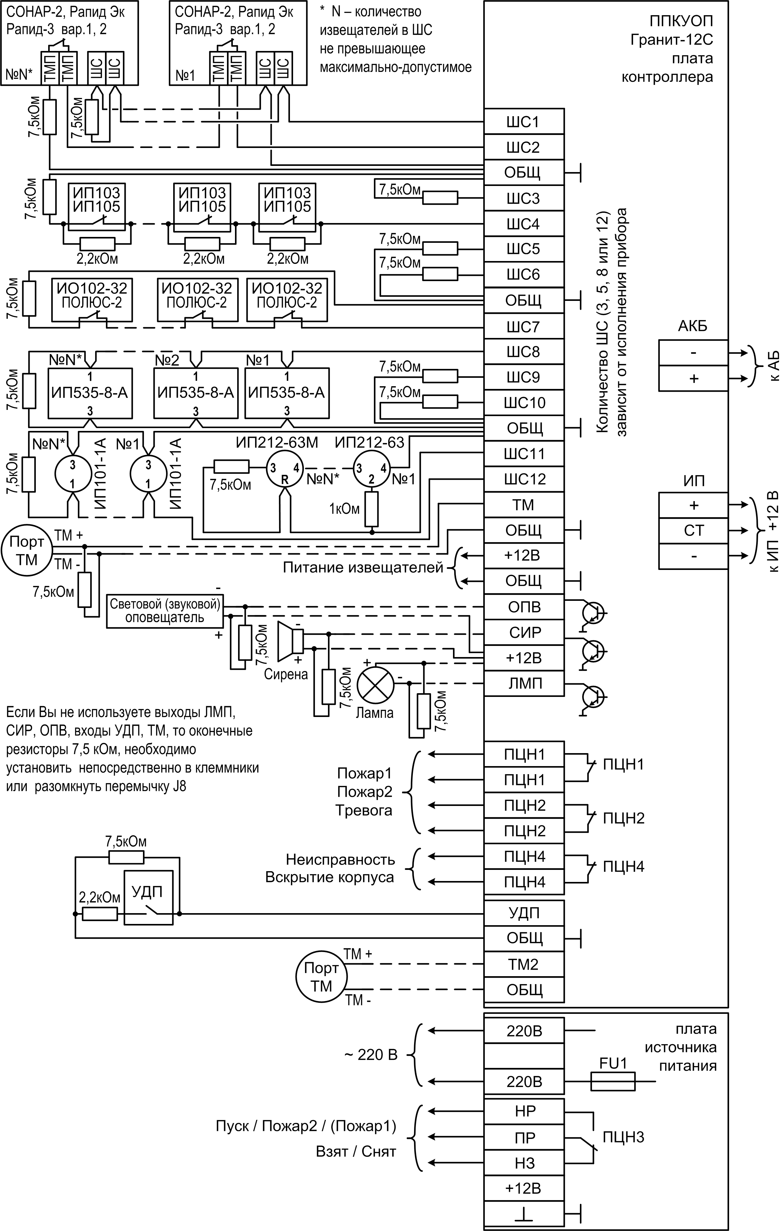
↓ Схемы подключения ↓

 

Количество шлейфов сигнализации5
Емкость буфера извещений (количество событий в памяти прибора)40
Ёмкость памяти кодов идентификаторов (макс. кол-во электронных ключей) (ключи ТМ / proximity-карты* / цифровые коды / брелоки)64
Время доставки извещенийот 5 с
Напряжение на входе ШС при номинальном сопротивлении шлейфа (7,5 кОм )19,5 ± 0,5 В
Суммарная токовая нагрузка в ШС в дежурном режиме, не более1,5 мА
Напряжение / токвыходов реле ПЦН1, ПЦН2, ПЦН4,до100 В / 100 мА
Напряжение / токвыходареле ПЦН3, до~ 250 В / 3 А
Максимально допустимый общий ток потребления по выходу+12 В1,5 А
Напряжение питания от сети (переменный ток 50 Гц)от 110до 242 В
Мощность, потребляемая от сети, не более15 ВА
Напряжение питания от аккумуляторной батареиот 11,8до 14,0 В
Номинальная ёмкость аккумуляторной батареи7 или 4,5 Ач
Ток потребления от аккумуляторной батареи в дежурном режиме(при отсутствии внешних потребителей), не более65 мА
Ток потребления от аккумуляторной батареи в режиме «Пуск», «Пожар», «Тревога», не более85 мА
Масса без АБ, не более700 г
Габаритные размеры, не более 250x210x80 мм
Степень защиты, не менееIP20(IP40)
Срок службы, лет10
Диапазон рабочих температурот –30 до +55°

Сибирский Арсенал
15950

Не является публичной офертой

Описание

Прибор приёмно-контрольный и управления охранно-пожарный Гранит-5С(GE) предназначен для работы в составе систем передачи извещений «Горизонт» и «ЛАВИНА» в качестве объектового прибора.

Прибор обеспечивает централизованную и локальную охрану объектов, оборудованных электроконтактными и токопотребляющими охранными и пожарными извещателями с передачей информации о тревожных сообщениях и прочих событиях с помощью встроенного WiFi-коммуникатора.

 

  • Прибор укомплектован WiFi и GEкоммуникаторами для передачи информации на ПЦН по сетям WiFi , ETHERNET и/или GSM/GPRS каналам связи.
  • Прибор обеспечивает рассылку SMS, а так же дозвон на телефонные номера пользователей (до 3-х номеров).
  • При использовании прибора в системе Горизонт и Лавина

  • Прибор совместно с коммуникаторами программируется с компьютера ПЦН через USB или удаленно, используя каналы доставки извещений (первое программирование только через USB);
  • Имеет обратный канал управления (поставить/снять зону или группу зон, перепоставить прибор, включить/выключить реле прибора);
  • Позволяет подключить 5 шлейфовсигнализации с функциями охранных или пожарных;
  • Наличие выходов и органов управления оповещением при пожаре;
  • При работе в СПИ «ЛАВИНА» настройки прибора и коммуникаторов и используемые прибором ключи управления, задаются при программировании прибора в программном обеспечении АРМ администратора система «Лавина» и конфигуратор «Гранит-С»;
  • Запуск оповещения о пожаре осуществляется:
    • автоматически, при определении событий «Пожар2», «Пожар1» в пожарном ШС;
    • вручную с панели индикации и управления прибора (кнопка «ПУСК»);
  • Управлениезонами прибора (постановка/снятие/перепостановка) осуществляется:
    • кнопками «1»…«5» на панели индикации и управления прибора;
    • электронными ключами Touch Memory через порт ТМ;
    • удалённо с ПЦН;
    • прибором можно также управлять proximity-картами, набором цифрового кода кнопками, брелоками и/или ключами ТМ с помощью считывателя «Портал» производства ООО НПО «Сибирский Арсенал» (приобретается отдельно). С более подробной информацией о считывателях Вы можете ознакомиться в соответствующих руководствах по эксплуатации на нашем сайте в разделе «Документация». ВНИМАНИЕ! Считыватель «Портал» требует питания 12 В.
  • Количество ключей управления (ключи ТМ, proximity-карты, цифровые коды, брелоки) – до 64 шт;
  • Три выхода оповещения типа «открытый коллектор»: «СИР» («Сирена»), «ОПВ» («Оповещение о пожаре»), «ЛМП» («Лампа») и выход оповещения типа «сухие» контакты реле: «ПЦН3»;
  • Автоматический контроль на обрыв и короткое замыкание соединительных линий выходов оповещения «ЛМП», «СИР», «ОПВ», входа «УДП» и, опционально, входа «ТМ»;
  • Наличие неотключаемого выхода +12 В для питания извещателей и оповещателей;
  • Возможность обновления прошивки прибора;
  • Электропитание прибора осуществляется:
    1. или от сети 220 В с обязательным использованием встроенной аккумуляторной батареи (4,5 или 7 Ач). При этом не должен быть подключен внешний резервированный источник питания.
    2. или от внешнего резервированного источника питания +12 В и током не менее 0,7 А. При этом сеть 220 В и встроенная аккумуляторная батарея должны быть отключены.
  • Автоматический переход на питание от аккумуляторной батареи при отключении сети 220 В, и обратно, при восстановлении питания 220 В. Сигнал «Тревога» при этом не выдаётся;
  • При полном отключении электропитания прибор запоминает состояние ШС;
  • Возможность передачи тревожных извещений «Пожар2», «Пожар1» и «Тревога» на пульт централизованного наблюдения по двум каналам путём размыкания/замыкания «сухих» контактов выходных реле «ПЦН1» и «ПЦН2» или организации автономной работы прибора;
  • Возможность передачи тревожных и других извещений на другие ПЦН, принимающие извещения по протоколу SurGard. В этих случаях и в случае автономной работы программирование прибора осуществляется с помощью конфигуратора «Гранит-С» и специализированного программного обеспечения, при работе с пультами.

Поддерживает все алгоритмы работы (А, В и С) согласно свода правил СП 484.1311500.2020 "Системы противопожарной защиты. Системы пожарной сигнализации и автоматизация систем противопожарной защиты. Нормы и правила проектирования", действующего с 01.03.2021 г.

 

↓ Схемы подключения ↓

 

Количество шлейфов сигнализации5
Емкость буфера извещений (количество событий в памяти прибора)40
Ёмкость памяти кодов идентификаторов (макс. кол-во электронных ключей) (ключи ТМ / proximity-карты* / цифровые коды / брелоки)64
Время доставки извещенийот 5 с
Напряжение на входе ШС при номинальном сопротивлении шлейфа (7,5 кОм )19,5 ± 0,5 В
Суммарная токовая нагрузка в ШС в дежурном режиме, не более1,5 мА
Напряжение / токвыходов реле ПЦН1, ПЦН2, ПЦН4,до100 В / 100 мА
Напряжение / токвыходареле ПЦН3, до~ 250 В / 3 А
Максимально допустимый общий ток потребления по выходу+12 В1,5 А
Напряжение питания от сети (переменный ток 50 Гц)от 110до 242 В
Мощность, потребляемая от сети, не более15 ВА
Напряжение питания от аккумуляторной батареиот 11,8до 14,0 В
Номинальная ёмкость аккумуляторной батареи7 или 4,5 Ач
Ток потребления от аккумуляторной батареи в дежурном режиме(при отсутствии внешних потребителей), не более65 мА
Ток потребления от аккумуляторной батареи в режиме «Пуск», «Пожар», «Тревога», не более85 мА
Масса без АБ, не более700 г
Габаритные размеры, не более 250x210x80 мм
Степень защиты, не менееIP20(IP40)
Срок службы, лет10
Диапазон рабочих температурот –30 до +55°
Характеристики
Бренд:Сибирский АрсеналСортировка для цены:1000Снято с производства:N

Оплата

Оплатить заказ Вы можете безналичным переводом по реквизитам, указанным в выставленном счёте после оформления заказа.

Доставка

«Альянс групп»предоставляет полный комплекс услуг по доставке оборудования в любую точку страны, любым видом транспорта.

Получить приобретённый товар Вы можете удобным для Вас способом:

  • Самовывозом с нашего склада, расположенного по адресу- г. Москва, 104 км. МКАД, д. 8А.
  • Воспользоваться услугой доставки в пределах Москвы и Московской области. Заказ и согласование даты доставки осуществляется через Вашего менеджера.

Если сумма заказа превышает 50 тыс. рублей, доставка по одному адресу Получателя осуществляется БЕСПЛАТНО.

  • Доставка заказа в регионы России осуществляется через транспортные компании. Доставка груза до транспортной компании производится нашим транспортом.

Тарифы доставки по Москве:


При сумме заказа менее 50 тыс. рублей, доставка по Москве осуществляется по тарифам зоны:

  • зона 3 — 500 руб.;
  • зона 1 — 1000 руб.;
  • зона 2, 4 — 1500 руб.;
  • зона 5 — 2000 руб

Транспортные компании, с которыми мы сотрудничаем:

Вас также может заинтересовать: