Назначение
Прибор приемно-контрольный и управления охранно-пожарный адресный радиоканальный ВС-ПК ВЕКТОР-С(GE) предназначен для работы в составе систем передачи извещений «Горизонт» и «ЛАВИНА» в качестве объектового прибора.
Прибор обеспечивает централизованную и локальную охрану объектов, оборудованных радиоканальными охранными и пожарными извещателями с передачей информации о тревожных сообщениях и прочих событиях с помощью встроенного WiFi-коммуникатора.
Рассылка SMS и дозвон на телефонные номера пользователей (до 3-х номеров) при тревоге и событиях.
Особенности
Прибор работает в составе системы передачи извещений «Горизонт» или в составе интегрированной системы безопасности «ЛАВИНА» версии 6.3.8 и выше. А также обеспечивает охрану в автономном режиме, имеет возможность отправлять тревожные и другие SMS-сообщения на заданные телефонные номера пользователей в формате пригодном для чтения человеком. При работе в СПИ «Горизонт» или ИСБ «ЛАВИНА» прибор передаёт по каналам связи извещения о событиях на пульт централизованного наблюдения и получает от ПЦН команды управления.
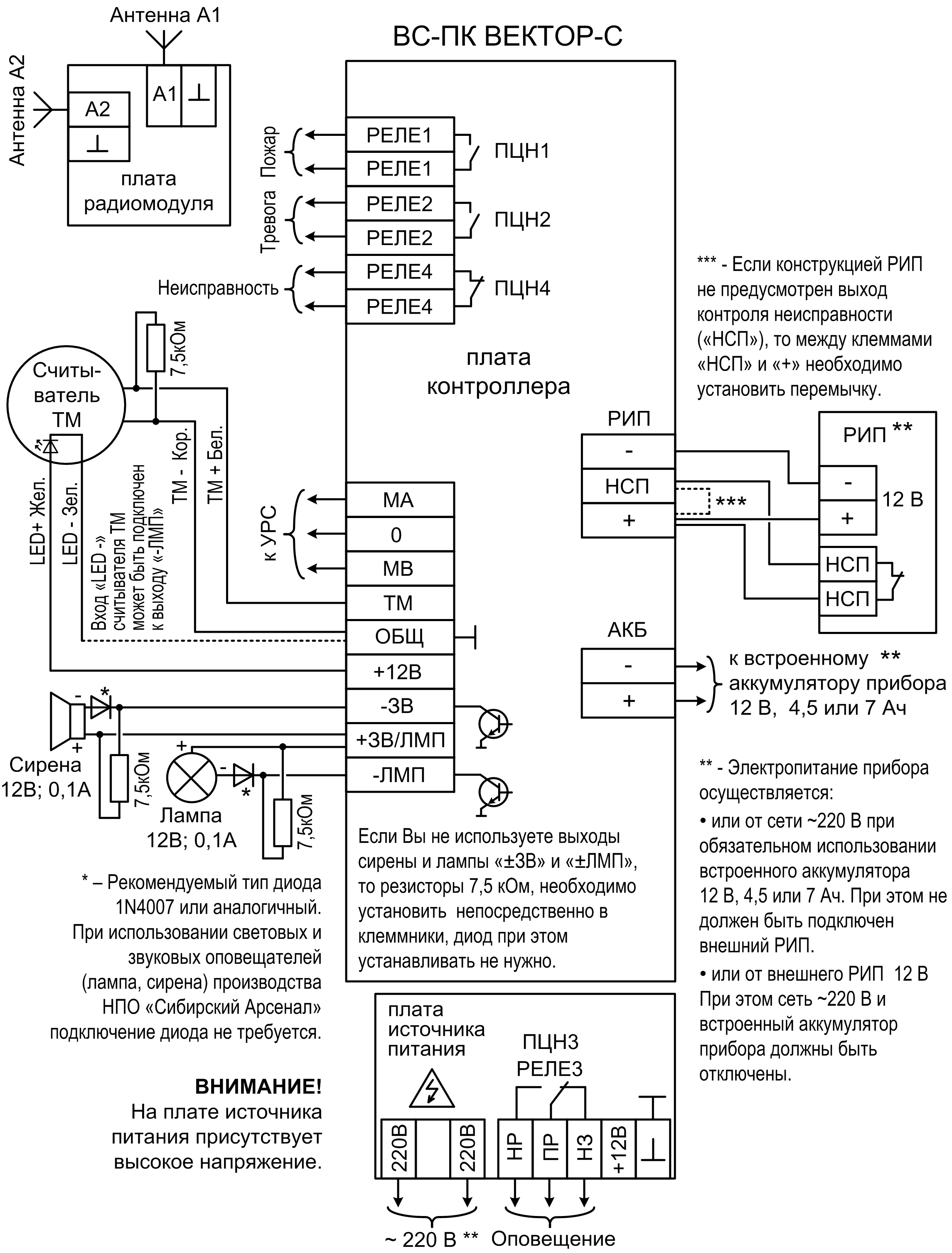
Взаимодействие прибора с радиоканальными извещателями и оповещателями, другими радиоканальными устройствами обеспечивается с помощью двухстороннего обмена данными по радиоканалу в частотном диапазоне 433 МГц. Мощность радиосигнала не превышает 10 мВт, поэтому для использования системы не требуется разрешение и регистрация. Передача данных по радиоканалу между прибором и радиоканальными устройствами обеспечивается на расстоянии до 400 метров на открытой местности при благоприятной помеховой обстановке.
Общее количество радиоканальных устройств (извещателей, оповещателей, кнопок) на один прибор может быть до 64, в том числе, до 16 или до 24 (в зависимости от установленного значения интервала передачи периодических посылок) радиоканальных оповещателей.
Прибор имеет 12 адресных зон охраны. За каждой зоной могут быть закреплены один или более радиоканальных извещателей.
Прибор имеет одну зону оповещения, за которой закрепляются все радиоканальные оповещатели.
Прибор имеет два выхода проводного оповещения – выходы для подключения звукового оповещателя и светового оповещателя «-ЗВ» - «ЗВ/ЛМП» - «-ЛМП».
Радиоканальные и проводные оповещатели реализуют одно направление оповещения.
К прибору может быть подключен считыватель электронных ключей Touch Memoryили другие считыватели кодов, совместимые с протоколом ТМ.
Управление зонами охраны прибора – постановка на охрану, снятие с охраны, или перепостановка радиоканальных извещателей закрепленных за зонами выполняется с помощью ключей охраны: радиоканальных брелков управления «Б 4-Р», радиоканальных кодонаборных панелей «ПОРТАЛ-Р» и ключей ТМ, прописанных на соответствующие зоны.
С целью совместного управления – одновременной постановки на охрану, одновременного снятия с охраны, или перепостановки извещателей, закрепленных за разными зонами, зоны объединяются в группы зон.
Общее количество брелков управления, паролей кодонаборных панелей и ключей ТМ, приписанных к зонам прибора, может быть до 128.
Приборы комплектуютсяWiFi-коммуникаторами. Дополнительно установлен GE-коммуникатор для взаимодействия с ПЦН СПИ «Горизонт» или ИСБ «ЛАВИНА».
Прибор обеспечивает передачу извещений, связанных с событиями на охраняемом объекте и с событиями прибора на пульт СПИ «Горизонт» или ИСБ «ЛАВИНА» через сети ETHERNET или GSM/GPRS. Прибор обеспечивает приём от ПЦН через каналы доставки извещений команд управления и их исполнение.
Прибор обеспечивает рассылку SMS, а так же дозвон на телефонные номера пользователей (до 3-х номеров).
Прибор может работать совместно с устройством регистрации событий «ВС-УРС ВЕКТОР».
Настройка прибора выполняется с помощью программного обеспечения «Конфигуратор ВС-ПК ВЕКТОР-С», АРМ администратора системы «Горизонт» или АРМ администратора системы «Лавина», а так же с помощью переключателей и кнопок, расположенных на плате контроллера прибора.
ПО позволяет:
- сконфигурировать прибор (закрепить за зонами радиоканальные извещатели и оповещатели, произвести их настройку, прописать радиоканальные брелоки, коды радиоканальных кодонаборных панелей «ПОРТАЛ-Р», электронные ключи ТМ, настроить режимы работы реле);
- настроить коммуникаторы;
- настроить параметры SMS-рассылки на телефоны пользователей;
- изменить конфигурацию;
- просмотреть текущую конфигурацию прибора (текущее закрепление за зонами радиоканальных извещателей, брелков, кодов панелей, ключей ТМ, закрепление за зоной оповещения радиоканальных оповещателей);
- читать журнал событий прибора (последние 10000 событий).
Прибор имеет четыре реле, которые отображают своими контактами состояния прибора (по умолчанию): «ПОЖАР», «ТРЕВОГА», «НЕИСПРАВНОСТЬ», «ОПОВЕЩЕНИЕ». Настройка режимов работы реле производится с помощью ПО.
Прибор ведет журнал событий с привязкой ко времени, в котором отображает изменение состояния зонприбора, состояния извещателей, оповещателей, прибора. Объём журнала событий составляет 10000 последних по времени событий. Журнал событий считывается из прибора с помощью ПО или УРС.
Электропитание прибора осуществляется или от сети переменного тока 220 В с использованием резервного источника питания – встроенного аккумулятора 4,5 Ач или 7 Ач, или от внешнего резервированного источника питания с выходным напряжением +12 В.
Радиоканальные извещатели и оповещателипитаются от встроенных автономных источников питания – основной и резервной батарей. Длительность непрерывной работы радиоканальных устройств в дежурном режиме от основной батареи составляет до 36 месяцев, а от резервной батареи – до 2 месяцев. Обе батареи поставляются в комплекте с радиоканальными устройствами.
Радиоканальные устройства обеспечивают постоянный контроль основной и резервной батарей. В случае разряда основной батареи радиоканальное устройство переходит на питание от резервной батареи и отправляет в прибор соответствующее сообщение. Прибор и радиоканальное устройство выдают индикацию о разряде батареи устройства. При индикации разряда батареи необходимо заменить обе батареи радиоканального устройства.
| Количество адресных зон охраны | 12 | Общее количество радиоканальных извещателей различных типов, радиоканальных оповещателей различных типов и радиоканальных кнопок различных типов на один прибор, не более,шт. | 64 | В том числе, количество радиоканальных оповещателей различных типов (в зависимости от установленного значения интервала передачи периодических посылок:7 сек. / 15 сек.), не более, шт. | 16 / 24 | Общее количество радиоканальных брелков, кодов кодонаборных панелей «ПОРТАЛ-Р», электронных ключей ТМна один прибор, не более, шт. | 128 | Максимальная дальность связи радиоустройств с приборомна открытой местности, до, м | 400 | Количество телефонных номеров пользователейдля SMS рассылки, до | 3 | Количество реле прибора | 4 | Параметры реле 1, 2, 4: коммутируемое напряжение постоянного тока, не более, В коммутируемый ток, не более, А | 100 0,1 | Параметры реле 3: коммутируемое напряжение переменного тока, не более, В коммутируемое напряжение постоянного тока, не более, В коммутируемый ток, не более, А | 250 24 3 | Напряжение питания от сети (переменный ток 50 Гц), В | 110 ... 242 | Мощность, потребляемая от сети, не более, ВА | 15 | Напряжение питания от аккумулятора, В | 11,8 ... 14,0 | Номинальная емкость встроенного аккумулятора, Ач | 7 или 4,5 | Время работы прибора от полностью заряженного аккумулятора в дежурном режиме, не менее, часов (7 Ач / 4,5 Ач) | 36 / 24 | Суммарный ток по выходам «ЗВ» и «ЛМП», не более, А | 0,2 | Максимально допустимый общий ток потребления по выходу+12 В, А | 0,7 | Номинальный ток, А (номинальный ток без использования внешних потребителей по выходу +12 В) / номинальное напряжение, Ввнешнего резервированного источника питания | 1,5 (1,0)/ 12 | Степень защиты оболочкой по ГОСТ 14254 | IP20 | Диапазон рабочих температур, °C | –30 … +55 | Масса (без аккумулятора), не более, кг | 0,7 | Габариты (без подключенных антенн), не более, мм | 250×210×80 | Срок службы | 10 лет |
Оплата
Оплатить заказ Вы можете безналичным переводом по реквизитам, указанным в выставленном счёте после оформления заказа.
Доставка
«Альянс групп»предоставляет полный комплекс услуг по доставке оборудования в любую точку страны, любым видом транспорта.
Получить приобретённый товар Вы можете удобным для Вас способом:
- Самовывозом с нашего склада, расположенного по адресу- г. Москва, 104 км. МКАД, д. 8А.
- Воспользоваться услугой доставки в пределах Москвы и Московской области. Заказ и согласование даты доставки осуществляется через Вашего менеджера.
Если сумма заказа превышает 50 тыс. рублей, доставка по одному адресу Получателя осуществляется БЕСПЛАТНО.
- Доставка заказа в регионы России осуществляется через транспортные компании. Доставка груза до транспортной компании производится нашим транспортом.
Тарифы доставки по Москве:
При сумме заказа менее 50 тыс. рублей, доставка по Москве осуществляется по тарифам зоны:
- зона 3 — 500 руб.;
- зона 1 — 1000 руб.;
- зона 2, 4 — 1500 руб.;
- зона 5 — 2000 руб
Транспортные компании, с которыми мы сотрудничаем:
- Деловые линии
- Байкал-Сервис
- СДЭК
- Энергия
- Другим удобным для вас способом по согласованию
















