Назначение
Одношлейфный прибор Кварц вариант 2 используется для обеспечения на малых и средних объектах автономной и централизованной охранной или пожарной сигнализации.
Прибор ставится на охрану и снимается с охраны с помощью электронных ключей Тouch Мemory или переключателя. Режим работы прибора выбирается установкой перемычек на плате. Для продления срока службы аккумулятора есть электронная защита от глубокого разряда аккумулятора.
Особенности
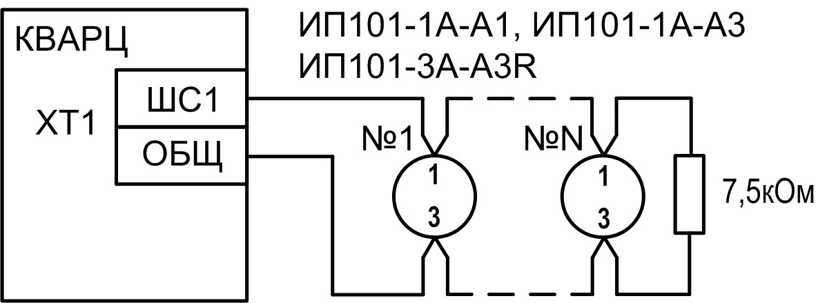
- Один шлейф охранной или пожарной сигнализации.
- Прибор передает извещения «Норма», «Пожар 2», «Пожар 1», «Тревога», «Неисправность», «Вскрытие», а также «Взят на охрану» и «Снят с охраны» на пульт централизованного наблюдения или внешние устройства по каналам ПЦН1, ПЦН2, ПЦН3.
- Прибор имеет 6, выбираемых перемычками на плате прибора, тактик применения:
- пожарная охрана;
- пожарная охрана с выключателем;
- централизованная охрана 1;
- централизованная охрана 1 с выключателем;
- централизованная охрана 2;
- централизованная охрана 3.
- Контроль линий оповещения и линии ТМ на обрыв и короткое замыкание.
- В пожарных тактиках прибор может запоминать наличие неисправности и индицировать это.
- Тип выходов для подключения светового и звукового оповещателей – «открытый коллектор».
- Встроенный звуковой сигнализатор с возможностью отключения.
- Постановка/снятие ШС осуществляется выключателем или ключами Touch Memory.
- Прибор имеет отключаемый и неотключаемый выходы 12 В.
- Возможность использовать оповещатели с напряжением питания 220 В.
- Наличие функции «Автовозврат в режим охраны» для охранных тактик.
- Встроенный источник питания от сети 220 В, резервное питание от аккумулятора.
- При питании прибора от сети осуществляется подзарядка аккумулятора в буферном режиме.
- Прибор работает в дежурном режиме от аккумулятора при отсутствии внешних потребителей не менее 24 часов.
- Для продления срока службы аккумулятора в приборе предусмотрена электронная защита аккумулятора от глубокого разряда.
| Количество шлейфов сигнализации | 1 шт. | Количество основных видов извещений прибора | 12 | Ёмкость памяти кодов идентификаторов(кол-во эл. ключей) (тип используемых с прибором электронных ключей TM – DS1990А) | 7 шт. | Напряжение на входе ШС при его номинальном сопротивлении | 18 ± 3 В | Суммарная токовая нагрузка в ШС в дежурном режиме, не более | 1,5 мА | Напряжение / токвыходов реле ПЦН 1 и ПЦН 1 («сухой контакт» оптореле), до | 72 В / 50 мА | Параметры выхода реле ПЦН3:постоянное напряжение / ток, допеременное напряжение / ток, до | = 30 В / 3 А ~ 250 В / 3 А | Максимально допустимый общий ток потребления по отключаемому выходу 12 В «ПИ» для питания извещателей, не более | 100 мА | Максимально допустимый общий ток потребления по неотключаемому выходу «+12В» для питания извещателей и оповещателей, не более | 600 мА | Ток коммутации по каждому из выходов ОК: «ОК1», «ОК2» и «ОК3»,не более (при этом суммарный ток коммутации выходов ОК при питании оповещателей от внутреннего источника прибора +12 В не должен превышать максимально допустимый - 600 мА) | 500 мА | Диапазон рабочих температур | -30…55 °С |
Оплата
Оплатить заказ Вы можете безналичным переводом по реквизитам, указанным в выставленном счёте после оформления заказа.
Доставка
«Альянс групп»предоставляет полный комплекс услуг по доставке оборудования в любую точку страны, любым видом транспорта.
Получить приобретённый товар Вы можете удобным для Вас способом:
- Самовывозом с нашего склада, расположенного по адресу- г. Москва, 104 км. МКАД, д. 8А.
- Воспользоваться услугой доставки в пределах Москвы и Московской области. Заказ и согласование даты доставки осуществляется через Вашего менеджера.
Если сумма заказа превышает 50 тыс. рублей, доставка по одному адресу Получателя осуществляется БЕСПЛАТНО.
- Доставка заказа в регионы России осуществляется через транспортные компании. Доставка груза до транспортной компании производится нашим транспортом.
Тарифы доставки по Москве:
При сумме заказа менее 50 тыс. рублей, доставка по Москве осуществляется по тарифам зоны:
- зона 3 — 500 руб.;
- зона 1 — 1000 руб.;
- зона 2, 4 — 1500 руб.;
- зона 5 — 2000 руб
Транспортные компании, с которыми мы сотрудничаем:
- Деловые линии
- Байкал-Сервис
- СДЭК
- Энергия
- Другим удобным для вас способом по согласованию





























