Прожектор белого света взрывозащищенный ПБС-50/20 ВБ исп.88 А предназначен для освещения объектов в условиях недостаточной освещенности и в полной темноте, в составе систем видеонаблюдения совместно с видеокамерами. Область применения: обеспечение охраны, безопасности и контроля за технологическими процессами взрывоопасных производств нефтяной, нефтеперерабатывающей, нефтехимической, газовой и других промышленностей народного хозяйства, опасных по газу и пыли. Место установки: наружные пространства и внутренние пространства помещений, классифицированные как взрывоопасные зоны классов 1, 2, 21 и 22 (при классификации по зональному принципу), где возможно образование взрывоопасной смеси группы I и взрывоопасных газовых смесей подгрупп IIА, IIВ, IIC, пылевых сред подгрупп IIIА, IIIВ, IIIC, температурных классов Т1-Т6 или взрывоопасные зоны класса В-I, В-Iа, В-Iб, В-Iг, согласно главе 7.3 «Правил устройства электроустановок» (ПУЭ).
ПБС-50/20 ВБ исп.88 А выполнен в термокожухе ТГБ-4М Ex IIC исп.88 из алюминиевого сплава по ГОСТ 31610.0 (IEC 60079 0), ГОСТ IEC 60079-1, ГОСТ IEC 60079-31 с маркировкой взрывозащиты 1Ex db IIC T6 Gb X / Ex tb IIIC T80°C Db X cо степенью защиты обеспечиваемой оболочкой – IP66/IP68 и по уровню защиты относится к взрывобезопасному электрооборудованию.
ПБС-50/20 ВБ исп.88 А имеют функцию включения/выключения «по команде» реле сигнализации и т.п.
Прожектор имеет защиту:
- от переполюсовки;
- аварийное отключение входного напряжения при достижении температуры оболочки термокожуха +70 ºС.
Изделия выпускаются по техническим условиям ТУ 26.30.50-081-31006686-2019.
Прожектор соответствует:
- техническим требованиям – ГОСТ Р 51558;
- требованиям безопасности – ГОСТ Р МЭК 60065;
- требованиям ЭМС – ГОСТ Р 50009, ГОСТ 30804.3.2, ГОСТ 30804.3.3;
- степени защиты от поражения электрическим током – III классу по ГОСТ 12.2.007.0;
- климатическому исполнению – УХЛ1, 5 по ГОСТ 15150;
- степени защиты – IP66/IP68 по ГОСТ 14254.
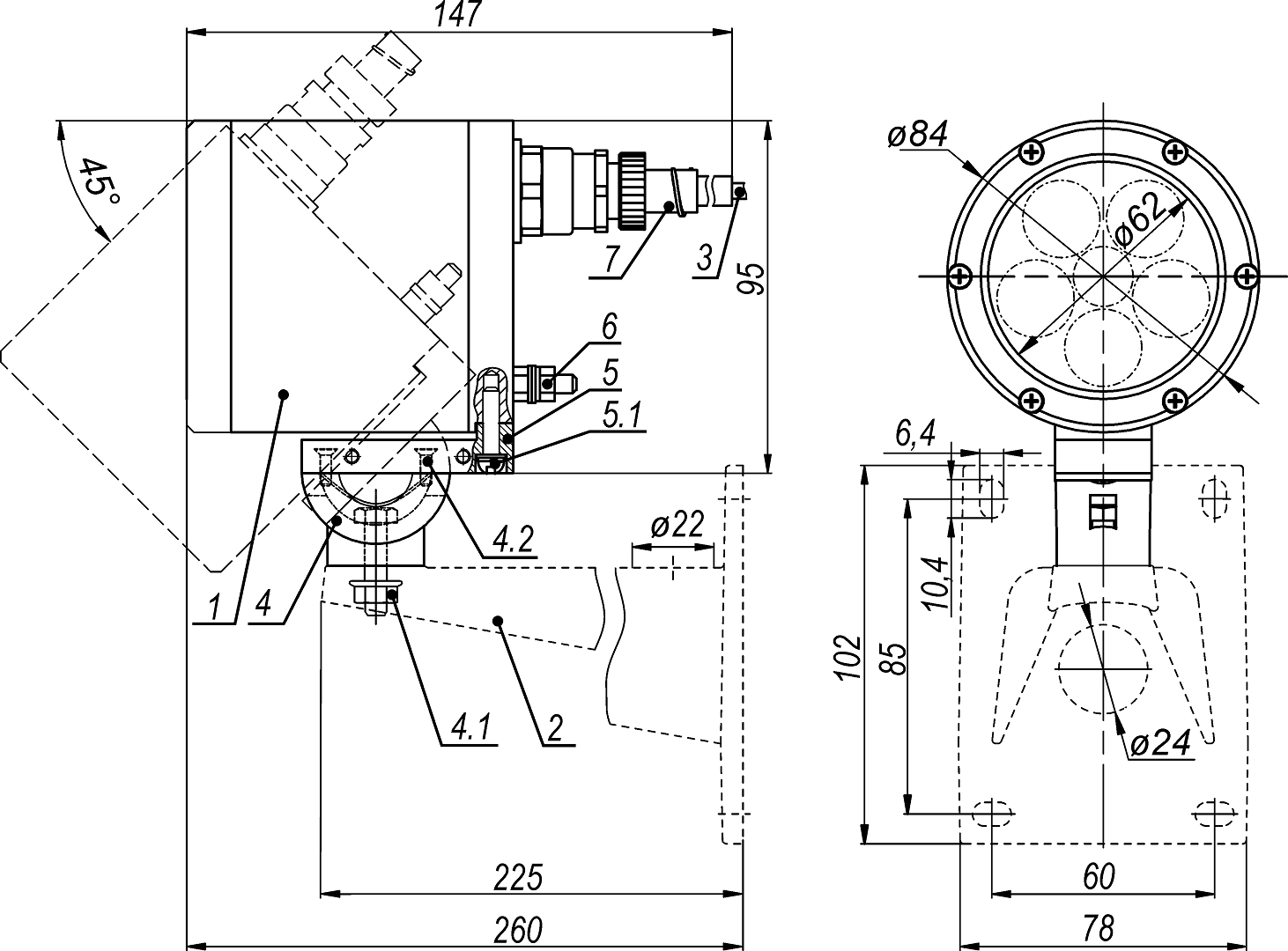
Состав, габаритные и установочные размеры

| 1. | Прожектор белого света взрывозащищенный | 1 шт. |
| 2. | Кронштейн КТ-220 (поставляется по отдельной заявке) | 1 шт. |
| 3. | Кабель питания/управления (4х0.5 мм² L=1 м, другая длина по отдельной заявке) | 1 шт. |
| 4 | Шарнир | 1 шт. |
| 4.1 | Гайка болта фиксации шарнира | 1 шт. |
| 4.2 | Винты крепления шарнира | 4 шт. |
| 5. | Основание прожектора | 1 шт. |
| 5.1 | Винт крепления основания прожектора | 2 шт. |
| 6. | Болт заземления | 1 шт. |
| 7. | Держатель металлорукава (РЗ-ЦХ-12 или МРПИ-12 – Øвн./Øнар=12/15мм) | 1 шт. |
| 8. | Винт М4х8 | 4 шт. |
| 9. | Шайба стопорная 4 | 4 шт. |
| 10. | Скоба (для крепления к видеокамере) | 1 шт. |
| 11. | Болт М5х10 | 2 шт. |
| 12. | Шайба стопорная 5 | 2 шт. |
| 13. | Гайка М5 | 2 шт. |
| Комплект крепления к термокожухам ТГБ-4M Ex и ТГБ-4M Ex IIC (поставляется по отдельной заявке) | ||
| 14. | Планка (поставляется по отдельной заявке) | 2 шт. |
| 15. | Винт М4х8 (поставляется по отдельной заявке) | 4 шт. |
| 16. | Шайба стопорная 4 (поставляется по отдельной заявке) | 4 шт. |
| 17. | Основание термокожуха (поставляется по отдельной заявке) | 1 шт. |
Установка прожектора
Установка прожектора на видеокамеру в термокожухах ТГБ-4Г Ех, ТГБ-4Р Ех, ТГБ-4Г Ех IIC и ТГБ-4Р Ех IIC

Установка прожектора на видеокамеры других типов

Установка прожектора на видеокамеры в термокожухах ТГБ-4M Ex и ТГБ-4M Ex IIC

Подключение и управление
Варианты подключения питания

Варианты управления

Схема подключения прожектора во всех режимах управления

Схема подключения прожектора в режиме "включение/выключение ПИП от встроенного сенсора освещенности"

ВИДЕОНАБЛЮДЕНИЕ ВО ВЗРЫВОПОЖАРООПАСНОЙ СРЕДЕ
Светить – и никаких гвоздей… [Журнал ТЗ № 4, 2019]
| Характеристика | ПБС-50/20 ВБ исп.88 |
| Дальность с ТВ камерой с чувств. 0,005 лк* , м | 50 |
| Предельная дальность с освещенностью 1 лк, м | 70 |
| Угол освещения | 20° |
| Напряжение питания, В DC | 12–24 ± 10 %, Passive PoE (24 В) |
| Мощность потребления, Вт – в режиме освещения – в ждущем режиме | 7,5 0,25 |
| Цветовая температура, К | 3000–3200 |
| Длина кабеля питания/управления (4х0.5 мм²), м | 1 |
| Максимальная длина кабеля управления*** (рисунок 2 в), м, не более | 300 |
| Диапазон температуры окружающей среды при эксплуатации, °С | -40 … +50 |
| Влажность воздуха при +25 °С, % | до 100 |
| Габаритные размеры, мм | см. рисунок 1 |
| Масса с упаковкой, кг, не более | 1,0 |
| Материал корпуса | сплав алюминиевый, покрытие – краска порошковая RAL9002**** |
| Режим работы | круглосуточный |
Оплата
Оплатить заказ Вы можете безналичным переводом по реквизитам, указанным в выставленном счёте после оформления заказа.
Доставка
«Альянс групп»предоставляет полный комплекс услуг по доставке оборудования в любую точку страны, любым видом транспорта.
Получить приобретённый товар Вы можете удобным для Вас способом:
- Самовывозом с нашего склада, расположенного по адресу- г. Москва, 104 км. МКАД, д. 8А.
- Воспользоваться услугой доставки в пределах Москвы и Московской области. Заказ и согласование даты доставки осуществляется через Вашего менеджера.
Если сумма заказа превышает 50 тыс. рублей, доставка по одному адресу Получателя осуществляется БЕСПЛАТНО.
- Доставка заказа в регионы России осуществляется через транспортные компании. Доставка груза до транспортной компании производится нашим транспортом.
Тарифы доставки по Москве:
При сумме заказа менее 50 тыс. рублей, доставка по Москве осуществляется по тарифам зоны:
- зона 3 — 500 руб.;
- зона 1 — 1000 руб.;
- зона 2, 4 — 1500 руб.;
- зона 5 — 2000 руб
Транспортные компании, с которыми мы сотрудничаем:
- Деловые линии
- Байкал-Сервис
- СДЭК
- Энергия
- Другим удобным для вас способом по согласованию























