Назначение
«Рокот-3-1» предназначен для трансляции речевых сообщений в системах пожарной сигнализации на объектах различной степени сложности и представляет собой прибор, совмещённый с акустической системой.
Особенности
- Прибор позволяет воспроизводить два различных речевых сообщения:
- "Внимание! Пожарная тревога! Срочно покиньте помещение"
- "Включена система пожаротушения! Покиньте помещение"
- Нужное сообщение выбирается установкой перемычек.
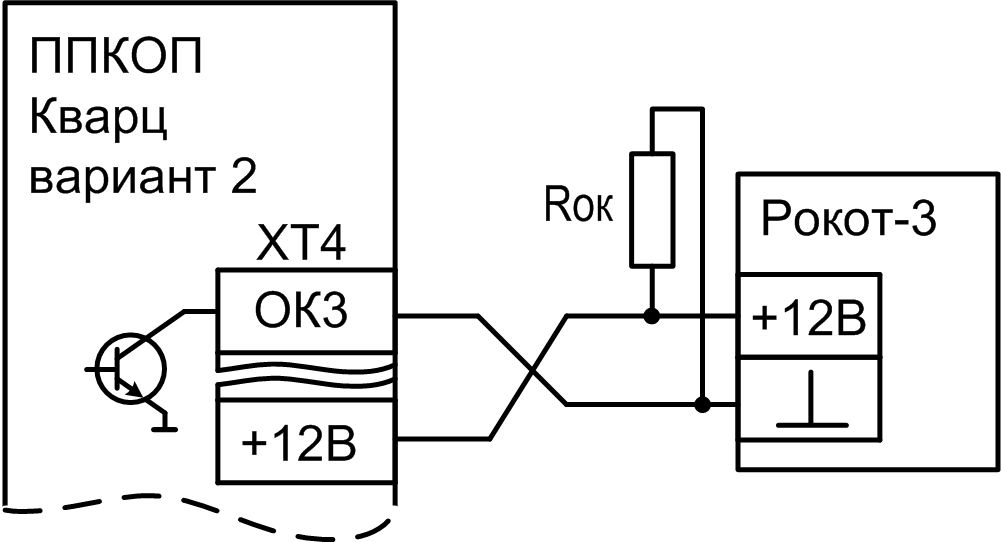
- Воспроизведение сообщений синхронизировано, поэтому имеется возможность подключать к управляющему прибору несколько Рокот-3 для совместного оповещения.
- Для защиты от несанкционированного доступа посторонних лиц в приборе установлен тампер, контакты которого могут быть включены в охранный шлейф управляющего прибора.
- Конструкция прибора предусматривает его использование в настенном положении.
| Напряжение питания постоянного тока | от 9 до 14 В | Средний ток потребления, при напряжении питания 12 В | 200 мА | Номинальная выходная мощность усилителя низкой частоты | 2 Вт | Диапазон воспроизводимых частот оповещения (по электрическому тракту) с неравномерностью не более 16 дБ | от 200 до 5000 Гц | Уровень звукового давления на расстоянии 1±0,05 м, не менее | 88 дБ | Коэффициент нелинейных искажений, не более | 3 % | Степень защиты оболочкой при эксплуатации оповещателя закреплённого на ровной поверхности. | IP40 | Диапазон рабочих температур | от - 10 до + 55 °С | Относительная влажность воздуха при + 40 °С, не более | 93 % | Масса, не более | 0,5 кг | Габаритные размеры прибора, не более | 140 х 200 х 67 мм | Срок службы | 10 лет |
Оплата
Оплатить заказ Вы можете безналичным переводом по реквизитам, указанным в выставленном счёте после оформления заказа.
Доставка
«Альянс групп»предоставляет полный комплекс услуг по доставке оборудования в любую точку страны, любым видом транспорта.
Получить приобретённый товар Вы можете удобным для Вас способом:
- Самовывозом с нашего склада, расположенного по адресу- г. Москва, 104 км. МКАД, д. 8А.
- Воспользоваться услугой доставки в пределах Москвы и Московской области. Заказ и согласование даты доставки осуществляется через Вашего менеджера.
Если сумма заказа превышает 50 тыс. рублей, доставка по одному адресу Получателя осуществляется БЕСПЛАТНО.
- Доставка заказа в регионы России осуществляется через транспортные компании. Доставка груза до транспортной компании производится нашим транспортом.
Тарифы доставки по Москве:
При сумме заказа менее 50 тыс. рублей, доставка по Москве осуществляется по тарифам зоны:
- зона 3 — 500 руб.;
- зона 1 — 1000 руб.;
- зона 2, 4 — 1500 руб.;
- зона 5 — 2000 руб
Транспортные компании, с которыми мы сотрудничаем:
- Деловые линии
- Байкал-Сервис
- СДЭК
- Энергия
- Другим удобным для вас способом по согласованию



























