Назначение
Прибор управления оповещением «Рокот-4» в составе системы речевого оповещения пожарной «РОКОТ» предназначен для трансляции речевой информации и предварительно записанного речевого сообщения при возникновении пожара или других экстремальных ситуаций.
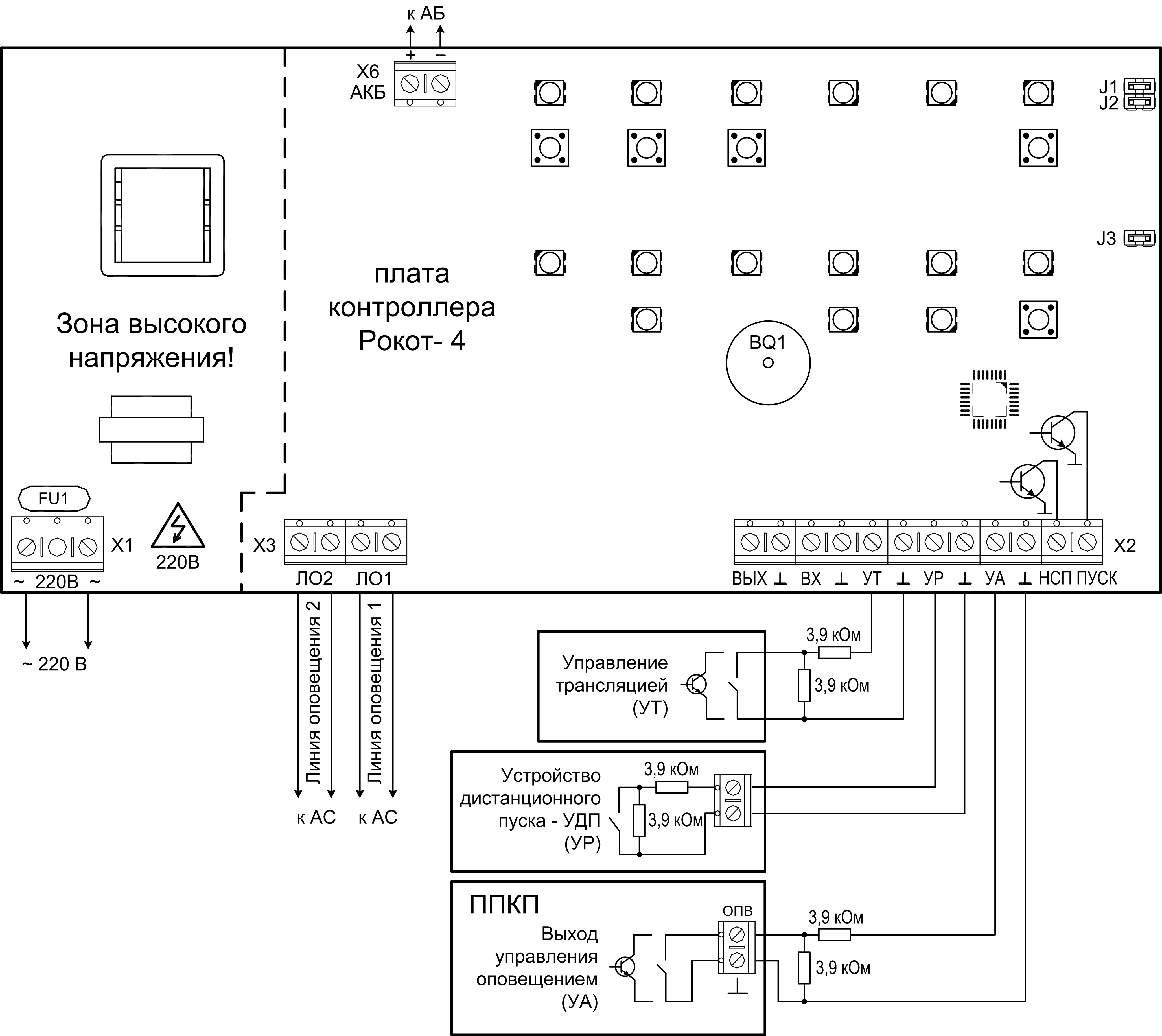
Прибор работает с акустическими системами «АС-2-1», «АС-3-1», «АС-3-3», «АС-2-2», «АС-3-2», «АС-3-4», а так же «АС-2-3» и «АС-2-4» (без подключения светового канала), подключенными с помощьюсоединительных линий (линий оповещения).
Прибор предназначен для установки внутри защищаемого объекта и рассчитан на круглосуточную непрерывную работу.
Прибор предназначен для работы совместно с приемно-контрольными пожарными приборами серий «Гранит», «Карат», «Кварц», «Пирит» или аналогичными приборами других производителей, имеющими выход включения оповещения типа «открытый коллектор» либо «нормально разомкнутые контакты реле».
Особенности
- Прибор обеспечивает речевое оповещение, воспроизводя записанное тревожное сообщение: «Внимание! Пожарная тревога! Всем сотрудникам и посетителям необходимо срочно покинуть здание» или транслируя сигнал, подаваемый на линейный вход.
- Прибор имеет два выхода линий оповещения (ЛО). Тревожное сообщение передается вкаждую ЛО поочередно. Трансляция внешнего сигнала с линейного входа возможна только по ЛО1.
- К каждой из ЛО может быть подключено до 8 АС типов «АС-2-1», «АС-2-3», «АС-3-1», «АС-3-3» или до 16 АС, имеющих высокое входное сопротивление: «АС-2-2», «АС-2-4», «АС-3-2», «АС-3-4».
- Есть вариант параллельно-последовательного соединения «АС-2-2», «АС-2-4», «АС-3-2», «АС-3-4» – до 61 шт. в одну ЛО.
- Управление тревожным оповещением осуществляется:
- автоматически, при получении сигнала от прибора пожарной сигнализации, включенного в линию УА.
- вручную, с панели индикации и управления прибора.
- дистанционно, с помощью устройства дистанционного пуска, включенного в линию УР.
- Прибор обеспечивает автоматический переход на питание от аккумуляторной батареи (АБ)при пропадании напряжения сети и обратно с сохранением функционального состояния.
- Прибор, при наличии сетевого напряжения, подзаряжает АБ в буферном режиме.
- Прибор имеет функции контроля наличия АБ, защиты АБ от глубокого разряда, защиты АБ от короткого замыкания и защиты АБ от переполюсовки выводов.
- Прибор осуществляет непрерывный контроль линий управления и периодический контроль линии оповещения на отсутствие замыканий или обрывов.
- Для обеспечения контроля исправного состояния системы оповещения прибор имеет выход «Неисправность».
- Для обеспечения контроля запуска оповещения прибор имеет выход «Пуск».
- Усилитель мощности звукового сигнала, используемый в приборе, имеет защиту от короткого замыкания линии оповещения.
| Напряжение питания сети переменного тока, 50 Гц | от 187 В до 242 В | Мощность, потребляемая от сети переменного тока, в дежурном режиме,не более | 3 Вт | Мощность, потребляемая от сети переменного тока, в режиметревожного оповещения при максимальном количестве АС и заряженной АБ, не более | 15 Вт | Номинальная ёмкость аккумуляторной батареи | 2,2 Ач | Диапазон рабочих температур | минус 30... 55 °С | Масса без аккумуляторной батареи, не более | 0,5 кг | Степень защиты, не менее | IP40 | Габаритные размеры | 205x200x75 мм | Срок службы, лет | 10 лет |
Оплата
Оплатить заказ Вы можете безналичным переводом по реквизитам, указанным в выставленном счёте после оформления заказа.
Доставка
«Альянс групп»предоставляет полный комплекс услуг по доставке оборудования в любую точку страны, любым видом транспорта.
Получить приобретённый товар Вы можете удобным для Вас способом:
- Самовывозом с нашего склада, расположенного по адресу- г. Москва, 104 км. МКАД, д. 8А.
- Воспользоваться услугой доставки в пределах Москвы и Московской области. Заказ и согласование даты доставки осуществляется через Вашего менеджера.
Если сумма заказа превышает 50 тыс. рублей, доставка по одному адресу Получателя осуществляется БЕСПЛАТНО.
- Доставка заказа в регионы России осуществляется через транспортные компании. Доставка груза до транспортной компании производится нашим транспортом.
Тарифы доставки по Москве:
При сумме заказа менее 50 тыс. рублей, доставка по Москве осуществляется по тарифам зоны:
- зона 3 — 500 руб.;
- зона 1 — 1000 руб.;
- зона 2, 4 — 1500 руб.;
- зона 5 — 2000 руб
Транспортные компании, с которыми мы сотрудничаем:
- Деловые линии
- Байкал-Сервис
- СДЭК
- Энергия
- Другим удобным для вас способом по согласованию


























