Термокожух взрывозащищенный ТГБ-8Г Ex-PoE++ предназначен для установки сетевых (IP) и аналоговых видеокамер с объективами, ИК прожекторов и другого электронного оборудования и защиты его от воздействия окружающей среды (влаги, пыли и отрицательных температур). Материал изделия – нержавеющая кислотостойкая аустенитная сталь.
Область применения: обеспечение охраны, безопасности и контроля за технологическими процессами взрывоопасных и агрессивных производств нефтяной, нефтеперерабатывающей, нефтехимической, газовой, горнодобывающей и других промышленностей народного хозяйства, в том числе в рудниках и шахтах опасных по газу и пыли.
Место установки: наружные пространства и внутренние пространства помещений и шахт, классифицированные как взрывоопасные зоны классов 1, 2, 21 и 22 (при классификации по зональному принципу), где возможно образование взрывоопасной смеси группы I и взрывоопасных газовых смесей подгрупп IIА, IIВ, IIC, пылевых сред подгрупп IIIА, IIIВ, IIIC, температурных классов Т1-Т6 или взрывоопасные зоны класса В-I, В-Iа, В-Iб, В-Iг, согласно главе 7.3 «Правил устройства электроустановок» (ПУЭ).
Термокожух ТГБ-8Г Ex-PoE++ выполнен в виде взрывонепроницаемой оболочки по ГОСТ 31610.0 (IEC 60079-0), ГОСТ IEC 60079-1, ГОСТ IEC 60079-31 с маркировкой взрывозащиты РВ Ех db I Mb X / 1Ех db IIC Т6 Gb Х / Ех tb IIIC Т80°C Db Х cо степенью защиты IP66/IP68, обеспечиваемой оболочкой, и по уровню защиты относится к взрывобезопасному электрооборудованию.
Термокожух обеспечивает:
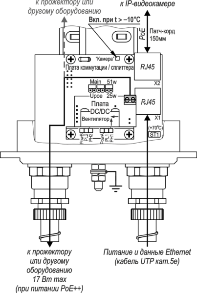
- отключение питания термокожуха при повышении температуры внутри его выше +70°С (из-за климатических факторов - в летний период) и восстановление питания после понижения температуры ниже +60°С;
- автоматическое включение/отключение встроенного обогревателя в заданном диапазоне температур;
- стабилизацию температуры видеокамеры (встроенный вентилятор);
- преобразование ряда входных напряжений в стандартный ряд напряжений питания видеокамер;
- безаварийное включение электропитания видеокамеры при отрицательной температуре внутри термокожуха при перерывах в электропитании, исключая выход видеокамеры из строя при запуске;
- питание дополнительных устройств (например, прожектора) напряжением 12 В DC мощностью не более 17 Вт.
Модуль для установки видеокамеры изолирован от корпуса термокожуха.
Смотровое окно выполнено из ударопрочного закалённого стекла.
Изделие выпускается по техническим условиям ТУ 26.30.50-083-31006686-2021.
Термокожух соответствует:
- техническим требованиям – ГОСТ Р 51558;
- требованиям безопасности – ГОСТ Р МЭК 60065;
- требованиям по ЭМС – ГОСТ Р 50009, ГОСТ 30804.3.2, ГОСТ 30804.3.3;
- степени защиты от поражения электрическим током по ГОСТ 12.2.007.0 – III классу;
- климатическому исполнению – УХЛ1, 5 по ГОСТ 15150; степени защиты – IP66/IP68 по ГОСТ 14254.
СОСТАВ. ГАБАРИТНЫЕ И УСТАНОВОЧНЫЕ РАЗМЕРЫ:

| 1 | Термокожух | 1 шт |
| 2 | Кабельные вводы для небронированного кабеля – Ø кабеля 3,1÷8,6**мм (один кабельный ввод имеет заглушку) | 2 шт |
| 2.1 | Держатель металлорукава (РЗ-ЦХ-12 или МРПИ-12 – Øвн./Øнар=12/15мм) | 1 шт |
| 3 | Модуль для установки видеокамеры | 1 шт |
| 4 | Клемма заземления | 1 шт |
| 5 | Шарнир | 1 шт |
| 5.1 | Болт фиксации шарнира М6 | 4 шт |
| 5.2 | Болт и гайка фиксации шарнира | 1 шт |
| 5.3 | Винты фиксации шарнира М4 цилиндрической головкой S=3 мм | 2 шт |
| 6 | Кронштейн | 1 шт |
| 7 | Солнцезащитный козырёк | 1 шт |
| 8 | Вентилятор системы стабилизации температуры в термокожухе. | 1 шт |
** Кабельные вводы для кабелей другого диаметра устанавливаются по отдельной заявке.
СХЕМЫ ПОДКЛЮЧЕНИЯ:
1. Подключение ТГБ-8Г Ех-PoE++

ПРИМЕРЫ ПОДКЛЮЧЕНИЯ:


ВИДЕОНАБЛЮДЕНИЕ ВО ВЗРЫВОПОЖАРООПАСНОЙ СРЕДЕ
Климатические испытания. Что имеем и чем руководствоваться
Термокожух на все IP и аналоговые случаи жизни
РoE – не панацея, а частный случай [Журнал ТЗ № 3 2013]
| ТГБ-8Г Ex-РоЕ+ | ТГБ-8Г Ex-РоЕ++ |
| IEEE 802.3at (PoE+) / 30 (см. таблицу ниже) | IEEE 802.3bt, PoE++, PoH, UPOE / 60 |
| Passive PoE 48…56 В / 30 (см. таблицу 3) | Passive PoE 48…56 В / 60 |
| Стандарты IP-видеокамеры | Ethernet 10/100BASE-TX |
| IEEE 802.3af | IEEE 802.3af, at |
| 100 (см. таблицу 3) | 100 |
| – | 12 / 1,4 |
| 6,5 | 15 |
| Температура вкл./откл. обогрева* , °С | +20 / +25 |
| Мощность обогрева, Вт до хол. запуска/после хол. запуска | 22 / 15 |
| 25 | 51 |
| Диапазон температуры окружающей среды при эксплуатации, °С | -60 … +50 |
| Температура вкл./откл. холодного запуска, °С | -10 / -15 |
| Влажность воздуха при +25 °С, % | до 100 |
| Устойчивость к несанкционированным действиям (НСД) | II (средняя) по ГОСТ Р 51558 |
| Устойчивость к низким температурам | III (высокая) по ГОСТ Р 51558 |
| Устойчивость к внешним воздействиям | III (высокая) по ГОСТ Р 51558 |
| Степень защиты оболочки | IP66/IP68 по ГОСТ 14254 |
| Устойчивость к импульсным помехам по цепям Ethernet | класс 2 по ГОСТ Р 51317.4.5 |
| Материал корпуса | нержавеющая кислотостойкая аустенитная сталь |
| Габаритные размеры | см. рисунок |
| Масса с упаковкой, кг, не более | 7,1 |
| Режим работы | круглосуточный |
| 48 В | 50 В |
| -55 °С | -60 °С |
| -50 °С | -55 °С |
Оплата
Оплатить заказ Вы можете безналичным переводом по реквизитам, указанным в выставленном счёте после оформления заказа.
Доставка
«Альянс групп»предоставляет полный комплекс услуг по доставке оборудования в любую точку страны, любым видом транспорта.
Получить приобретённый товар Вы можете удобным для Вас способом:
- Самовывозом с нашего склада, расположенного по адресу- г. Москва, 104 км. МКАД, д. 8А.
- Воспользоваться услугой доставки в пределах Москвы и Московской области. Заказ и согласование даты доставки осуществляется через Вашего менеджера.
Если сумма заказа превышает 50 тыс. рублей, доставка по одному адресу Получателя осуществляется БЕСПЛАТНО.
- Доставка заказа в регионы России осуществляется через транспортные компании. Доставка груза до транспортной компании производится нашим транспортом.
Тарифы доставки по Москве:
При сумме заказа менее 50 тыс. рублей, доставка по Москве осуществляется по тарифам зоны:
- зона 3 — 500 руб.;
- зона 1 — 1000 руб.;
- зона 2, 4 — 1500 руб.;
- зона 5 — 2000 руб
Транспортные компании, с которыми мы сотрудничаем:
- Деловые линии
- Байкал-Сервис
- СДЭК
- Энергия
- Другим удобным для вас способом по согласованию























