Термокожух ТГБ-7С-PoE++

Изображение товара

Термокожух ТГБ-7С-PoE++ предназначен для установки сетевых (IP) и аналоговых видеокамер с объективами, ИК прожекторов и другого электронного оборудования и защиты его от воздействия окружающей среды (влаги, пыли и отрицательных температур).

Термокожух обеспечивает:

  • автоматическое включение/отключение встроенного обогревателя в заданном диапазоне температур;
  • стабилизацию температуры видеокамеры (встроенный вентилятор);
  • преобразование ряда входных напряжений в стандартный ряд напряжений питания видеокамер;
  • безаварийное включение электропитания видеокамеры при отрицательной температуре внутри термокожуха при перерывах в электропитании, исключая выход видеокамеры из строя при запуске;
  • питание дополнительных устройств (например, прожектора) напряжением 12 В DC мощностью не более 17 Вт.

Термокожух выпускается по техническим условиям ТУ 26.30.50-077-31006686-2017.
Модуль видеокамеры изолирован от корпуса термокожуха.

Термокожух соответствует:

  • техническим требованиям – ГОСТ Р 51558;
  • требованиям безопасности – ГОСТ Р МЭК 60065;
  • требованиям по ЭМС – ГОСТ Р 50009, ГОСТ 30804.3.2, ГОСТ 30804.3.3;
  • степени защиты от поражения электрическим током – III классу по ГОСТ 12.2.007.0-75;
  • климатическому исполнению – УХЛ1, 5 по ГОСТ 15150;
  • степени защиты – IP66/IP68 по ГОСТ 14254.

Состав термокожуха. Габаритные и установочные размеры:

Термокожух ТГБ-7С-PoE++. Изображение  1

1 Термокожух
2 Гермоввод PG16-RJ45, Ø кабеля 4–5** мм – 2 шт. (один кабельный ввод имеет заглушку)
3 Модуль для установки видеокамеры
4 Клемма заземления
5 Шарнир
5.1 Гайка болта фиксации шарнира
6 Кронштейн
7 Солнцезащитный козырёк
8 Вентилятор системы стабилизации температуры в термокожухе (кроме ТГБ-7С-12, ТГБ-7С (без обогрева))
9 Болт М5х10 – 2 шт., шайба зубчатая 5 – 2 шт.

** Кабельные вводы для кабелей другого диаметра устанавливаются по отдельной заявке.

Схема подключения:

Термокожух ТГБ-7С-PoE++. Изображение  1

Обжимка вилки RJ45 на кабель кат.5e:

Термокожух ТГБ-7С-PoE++. Изображение  1

Примеры подключения термокожуха:

Термокожух ТГБ-7С-PoE++. Изображение  1

 

Термокожух ТГБ-7С-PoE++. Изображение  1

 

 

Климатические испытания. Что имеем и чем руководствоваться

Термокожух на все IP и аналоговые случаи жизни


ТГБ-7С-РоЕ+ТГБ-7С-РоЕ++
IEEE 802.3at (PoE+) / 30 (см. таблицу ниже)IEEE 802.3bt, PoE++, PoH, UPOE / 60
Passive PoE 48…56 В / 30 (см. таблицу ниже)Passive PoE 48…56 В / 60
Стандарты IP-видеокамерыEthernet 10/100BASE-TX
IEEE 802.3afIEEE 802.3af, at
100 (см. таблицу ниже)100
12 ± 10 % / 1,4
6,515
Температура вкл./откл. обогрева*, °С+20 ± 3 / +25 ± 3
Мощность обогрева, Вт до хол. запуска/после хол. запуска22 / 15
2551
Диапазон температуры окружающей среды при эксплуатации, °С-60 … +50
Температура вкл./откл. холодного запуска, °С-10 ± 3 / -15 ± 3
Влажность воздуха при +25 °С, %до 100
Устойчивость к несанкционированным действиям (НСД)II (средняя) по ГОСТ Р 51558
Устойчивость к низким температурамIII (высокая) по ГОСТ Р 51558
Устойчивость к внешним воздействиямIII (высокая) по ГОСТ Р 51558
Степень защиты оболочкиIP66/IP68 по ГОСТ 14254
Устойчивость к импульсным помехам по цепям Ethernetкласс 2 по ГОСТ Р 51317.4.5
Материал корпусасплав алюминиевый, покрытие – краска порошковая RAL9002**
Габаритные размерысм. рисунок
Масса с упаковкой, кг, не более3,5
Режим работыкруглосуточный

Тахион
0
Цена по запросу 0 руб.0 руб.

Не является публичной офертой

Описание

Термокожух ТГБ-7С-PoE++ предназначен для установки сетевых (IP) и аналоговых видеокамер с объективами, ИК прожекторов и другого электронного оборудования и защиты его от воздействия окружающей среды (влаги, пыли и отрицательных температур).

Термокожух обеспечивает:

  • автоматическое включение/отключение встроенного обогревателя в заданном диапазоне температур;
  • стабилизацию температуры видеокамеры (встроенный вентилятор);
  • преобразование ряда входных напряжений в стандартный ряд напряжений питания видеокамер;
  • безаварийное включение электропитания видеокамеры при отрицательной температуре внутри термокожуха при перерывах в электропитании, исключая выход видеокамеры из строя при запуске;
  • питание дополнительных устройств (например, прожектора) напряжением 12 В DC мощностью не более 17 Вт.

Термокожух выпускается по техническим условиям ТУ 26.30.50-077-31006686-2017.
Модуль видеокамеры изолирован от корпуса термокожуха.

Термокожух соответствует:

  • техническим требованиям – ГОСТ Р 51558;
  • требованиям безопасности – ГОСТ Р МЭК 60065;
  • требованиям по ЭМС – ГОСТ Р 50009, ГОСТ 30804.3.2, ГОСТ 30804.3.3;
  • степени защиты от поражения электрическим током – III классу по ГОСТ 12.2.007.0-75;
  • климатическому исполнению – УХЛ1, 5 по ГОСТ 15150;
  • степени защиты – IP66/IP68 по ГОСТ 14254.

Состав термокожуха. Габаритные и установочные размеры:

Термокожух ТГБ-7С-PoE++. Изображение  1

1 Термокожух
2 Гермоввод PG16-RJ45, Ø кабеля 4–5** мм – 2 шт. (один кабельный ввод имеет заглушку)
3 Модуль для установки видеокамеры
4 Клемма заземления
5 Шарнир
5.1 Гайка болта фиксации шарнира
6 Кронштейн
7 Солнцезащитный козырёк
8 Вентилятор системы стабилизации температуры в термокожухе (кроме ТГБ-7С-12, ТГБ-7С (без обогрева))
9 Болт М5х10 – 2 шт., шайба зубчатая 5 – 2 шт.

** Кабельные вводы для кабелей другого диаметра устанавливаются по отдельной заявке.

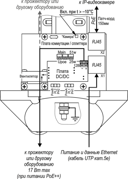
Схема подключения:

Термокожух ТГБ-7С-PoE++. Изображение  1

Обжимка вилки RJ45 на кабель кат.5e:

Термокожух ТГБ-7С-PoE++. Изображение  1

Примеры подключения термокожуха:

Термокожух ТГБ-7С-PoE++. Изображение  1

 

Термокожух ТГБ-7С-PoE++. Изображение  1

 

 

Климатические испытания. Что имеем и чем руководствоваться

Термокожух на все IP и аналоговые случаи жизни


ТГБ-7С-РоЕ+ТГБ-7С-РоЕ++
IEEE 802.3at (PoE+) / 30 (см. таблицу ниже)IEEE 802.3bt, PoE++, PoH, UPOE / 60
Passive PoE 48…56 В / 30 (см. таблицу ниже)Passive PoE 48…56 В / 60
Стандарты IP-видеокамерыEthernet 10/100BASE-TX
IEEE 802.3afIEEE 802.3af, at
100 (см. таблицу ниже)100
12 ± 10 % / 1,4
6,515
Температура вкл./откл. обогрева*, °С+20 ± 3 / +25 ± 3
Мощность обогрева, Вт до хол. запуска/после хол. запуска22 / 15
2551
Диапазон температуры окружающей среды при эксплуатации, °С-60 … +50
Температура вкл./откл. холодного запуска, °С-10 ± 3 / -15 ± 3
Влажность воздуха при +25 °С, %до 100
Устойчивость к несанкционированным действиям (НСД)II (средняя) по ГОСТ Р 51558
Устойчивость к низким температурамIII (высокая) по ГОСТ Р 51558
Устойчивость к внешним воздействиямIII (высокая) по ГОСТ Р 51558
Степень защиты оболочкиIP66/IP68 по ГОСТ 14254
Устойчивость к импульсным помехам по цепям Ethernetкласс 2 по ГОСТ Р 51317.4.5
Материал корпусасплав алюминиевый, покрытие – краска порошковая RAL9002**
Габаритные размерысм. рисунок
Масса с упаковкой, кг, не более3,5
Режим работыкруглосуточный
Характеристики
Артикул производителя:01294Бренд:ТахионСортировка для цены:100Снято с производства:N

Оплата

Оплатить заказ Вы можете безналичным переводом по реквизитам, указанным в выставленном счёте после оформления заказа.

Доставка

«Альянс групп»предоставляет полный комплекс услуг по доставке оборудования в любую точку страны, любым видом транспорта.

Получить приобретённый товар Вы можете удобным для Вас способом:

  • Самовывозом с нашего склада, расположенного по адресу- г. Москва, 104 км. МКАД, д. 8А.
  • Воспользоваться услугой доставки в пределах Москвы и Московской области. Заказ и согласование даты доставки осуществляется через Вашего менеджера.

Если сумма заказа превышает 50 тыс. рублей, доставка по одному адресу Получателя осуществляется БЕСПЛАТНО.

  • Доставка заказа в регионы России осуществляется через транспортные компании. Доставка груза до транспортной компании производится нашим транспортом.

Тарифы доставки по Москве:


При сумме заказа менее 50 тыс. рублей, доставка по Москве осуществляется по тарифам зоны:

  • зона 3 — 500 руб.;
  • зона 1 — 1000 руб.;
  • зона 2, 4 — 1500 руб.;
  • зона 5 — 2000 руб

Транспортные компании, с которыми мы сотрудничаем:

Вас также может заинтересовать: