Термокожух удлиненный ТГБ-7У-24/12 предназначен для установки сетевых (IP) и аналоговых видеокамер с объективами, ИК прожекторов и другого электронного оборудования и защиты его от воздействия окружающей среды (влаги, пыли и отрицательных температур).
Термокожух обеспечивает:
- автоматическое включение/отключение встроенного обогревателя в заданном диапазоне температур;
- две ступени мощности обогрева, что позволяет оптимизировать электропотребление и использовать термокожух в разных климатических зонах в соответствии с ГОСТ 15150;
- стабилизацию температуры видеокамеры (встроенный вентилятор);
- преобразование ряда входных напряжений в стандартный ряд напряжений питания видеокамер;
- безаварийное включение электропитания видеокамеры при отрицательной температуре внутри термокожуха при перерывах в электропитании, исключая выход видеокамеры из строя при запуске.
Модуль для установки видеокамеры изолирован от корпуса термокожуха.
Термокожух выпускается по техническим условиям ТУ 26.30.50-077-31006686-2017.
Термокожух соответствует:
- техническим требованиям – ГОСТ Р 51558;
- требованиям безопасности – ГОСТ Р МЭК 60065;
- требованиям по ЭМС – ГОСТ Р 50009, ГОСТ 30804.3.2, ГОСТ 30804.3.3;
- степени защиты от поражения электрическим током по ГОСТ 12.2.007.0 – III классу;
- климатическому исполнению – УХЛ1, 5 по ГОСТ 15150;
- степени защиты – IP66/IP68 по ГОСТ 14254.
Состав термокожуха. Габаритные и установочные размеры:

| 1 | Термокожух |
| 2 | Кабельные вводы PG11, Ø кабеля 6–10** мм - 2 шт. (один гермоввод имеет заглушку) |
| 3 | Модуль для видеокамеры |
| 4 | Клемма заземления |
| 5 | Шарнир |
| 5.1 | Гайка болта фиксации шарнира |
| 6 | Кронштейн |
| 7 | Солнцезащитный козырёк |
| 8 | Вентилятор системы стабилизации температуры в термокожухе. |
** Кабельные вводы для кабелей другого диаметра устанавливаются по отдельной заявке.
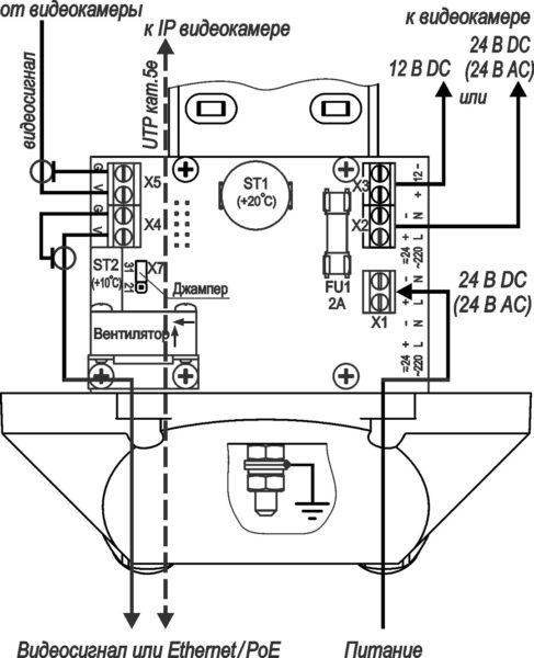
Схема подключения:

Климатические испытания. Что имеем и чем руководствоваться
Термокожух на все IP и аналоговые случаи жизни
| ТГБ-7У-24/12 | ТГБ-7У-220/12 |
| 24 DC/AC | 230 AC |
| 12 / 1,4 | 12 / 1,4 |
| +20 / +25 | – |
| 33 | 22 |
| 53 / 2,2 | 42 / 1,8 |
| Диапазон температуры окружающей среды при эксплуатации, °С | -60 … +50 |
| -60 | -40 |
| -10 / -15 | – |
| Влажность воздуха при +25 °С, % | до 100 |
| Устойчивость к несанкционированным действиям (НСД) | II (средняя) по ГОСТ Р 51558 |
| Устойчивость к низким температурам | III (высокая) по ГОСТ Р 51558 |
| Устойчивость к внешним воздействиям | III (высокая) по ГОСТ Р 51558 |
| Степень защиты оболочки | IP66/IP68 по ГОСТ 14254 |
| Материал корпуса | сплав алюминиевый, покрытие – краска порошковая RAL9002***** |
| Габаритные размеры | см. рисунок |
| Масса с упаковкой, кг, не более | 3,8 |
| Режим работы | круглосуточный |
Оплата
Оплатить заказ Вы можете безналичным переводом по реквизитам, указанным в выставленном счёте после оформления заказа.
Доставка
«Альянс групп»предоставляет полный комплекс услуг по доставке оборудования в любую точку страны, любым видом транспорта.
Получить приобретённый товар Вы можете удобным для Вас способом:
- Самовывозом с нашего склада, расположенного по адресу- г. Москва, 104 км. МКАД, д. 8А.
- Воспользоваться услугой доставки в пределах Москвы и Московской области. Заказ и согласование даты доставки осуществляется через Вашего менеджера.
Если сумма заказа превышает 50 тыс. рублей, доставка по одному адресу Получателя осуществляется БЕСПЛАТНО.
- Доставка заказа в регионы России осуществляется через транспортные компании. Доставка груза до транспортной компании производится нашим транспортом.
Тарифы доставки по Москве:
При сумме заказа менее 50 тыс. рублей, доставка по Москве осуществляется по тарифам зоны:
- зона 3 — 500 руб.;
- зона 1 — 1000 руб.;
- зона 2, 4 — 1500 руб.;
- зона 5 — 2000 руб
Транспортные компании, с которыми мы сотрудничаем:
- Деловые линии
- Байкал-Сервис
- СДЭК
- Энергия
- Другим удобным для вас способом по согласованию























