Термокожух увеличенного объема ТГБ-11-24/12

()

Термокожух увеличенного объема ТГБ-11-24/12

Изображение товара

Термокожух ТГБ-11-24/12 предназначен для установки сетевых (IP) и аналоговых видеокамер с объективами, ИК прожекторов, тепловизоров (по отдельной заявке) и другого электронного оборудования и защиты его от воздействия окружающей среды (влаги и отрицательных температур).

Термокожух обеспечивает:

  • автоматическое включение/отключение встроенного обогревателя в заданном диапазоне температур;
  • преобразование ряда входных напряжений в стандартный ряд напряжений питания видеокамер;
  • безаварийное включение электропитания видеокамеры при отрицательной температуре внутри термокожуха, обеспечивая надежную работу видеокамеры при перерывах в электропитании и исключая выход видеокамеры из строя при запуске;
  • две ступени мощности обогрева, что позволяет использовать термокожух в разных климатических зонах в соответствии с ГОСТ 15150-69;
  • возможность установки на корпус термокожуха стеклоочистителя СО-2.

Модуль для установки видеокамеры изолирован от корпуса термокожуха.
Изделие выпускается по техническим условиям ТУ 26.30.50-077-31006686-2017.

Термокожух соответствует:

  • техническим требованиям - ГОСТ Р 51558;
  • требованиям по безопасности – ГОСТ Р МЭК 60065;
  • требованиям по ЭМС – ГОСТ Р 50009, ГОСТ Р 51317.3.2, ГОСТ Р 51317.3.3;
  • степени защиты от поражения электрическим током по ГОСТ 12.2.007.0;
  • климатическому исполнению – УХЛ1, 5 по ГОСТ 15150;
  • степени защиты – IP66/IP68 по ГОСТ 14254.

Состав, габаритные и установочные размеры термокожуха

Термокожух увеличенного объема ТГБ-11-24/12. Изображение  1

1 Термокожух 1 шт.
2 Кабельные вводы PG11, Ø кабеля 6–10* мм (один кабельный ввод имеет заглушку) 2 шт.
3 Модуль для видеокамеры 1 шт.
4 Клемма заземления 1 шт.
5 Шарнир 1 шт.
5.1 Болт фиксации шарнира М6 4 шт.
5.2 Винт фиксации шарнира М4 с цилиндрической головкой S=3мм  2 шт.
6 Кронштейн 1 шт.
7 Солнцезащитный козырёк 1 шт.
8 Вентилятор системы стабилизации температуры в термокожухе. 1 шт.

* Кабельные вводы для кабелей другого диаметра устанавливаются по отдельной заявке.

Приобретается по отдельной заявке

Кронштейн КС-1 для крепления термокожуха на квадратные и круглые опоры
▢ 90–106 мм, Ø 115–135 мм (другой размер – под заказ)
Плата защиты портов в сети Ethernet с питанием РоЕ ПЗЛ-ЕП или Устройство защиты портов в сети Ethernet с питанием PoE УЗЛП-ЕП **
Комплект крепления платы ПЗЛ-ЕП
Патч-корд UTP кат. 5е (L 150 мм)
Кронштейн ТГБ-3-02 для крепления на поворотное устройство (ПУ)
Стеклоочиститель СО-2
Комплект для установки СО-2 на ТГБ-11

** Для защиты от импульсных перенапряжений портов локальной сети Ethernet 10 Base-T/100 Base-TX/1000 Base-T, в том числе, использующих технологию PoE стандартов IEEE 802.3af, IEEE 802.3at и IEEE 802.3bt. Устанавливается в пределах 2-3 зон молниезащиты (в соответствии с ГОСТ Р МЭК 62305-1).

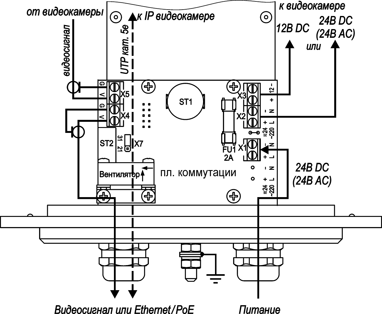
Схема подключения

Подключение ТГБ-11-24

 

Климатические испытания. Что имеем и чем руководствоваться

Термокожух на все IP и аналоговые случаи жизни


ХарактеристикаЗначение
Напряжение питания24 В DC 24 В AC (под заказ)
Напряжение/ток внутреннего источника питания12 В DC / 1,5 А 24 В DC / 0,75 А
Мощность обогрева46 Вт / 36 Вт
Максимальный потребляемый ток (включая видеокамеру)2,8 А / 2,4 А
Диапазон рабочих температур– 60 °С / – 50 °С ÷ +50 °С
Температура вкл./откл. обогрева20 °С / 25 °С
Температура холодного запуска откл./вкл.-10 °С / -5 °С
Влажность воздухадо 100 % при +25 °С
Вес с упаковкой (не более)5,5 кг
Режим работыкруглосуточный

Тахион
59800

Не является публичной офертой

Описание

Термокожух ТГБ-11-24/12 предназначен для установки сетевых (IP) и аналоговых видеокамер с объективами, ИК прожекторов, тепловизоров (по отдельной заявке) и другого электронного оборудования и защиты его от воздействия окружающей среды (влаги и отрицательных температур).

Термокожух обеспечивает:

  • автоматическое включение/отключение встроенного обогревателя в заданном диапазоне температур;
  • преобразование ряда входных напряжений в стандартный ряд напряжений питания видеокамер;
  • безаварийное включение электропитания видеокамеры при отрицательной температуре внутри термокожуха, обеспечивая надежную работу видеокамеры при перерывах в электропитании и исключая выход видеокамеры из строя при запуске;
  • две ступени мощности обогрева, что позволяет использовать термокожух в разных климатических зонах в соответствии с ГОСТ 15150-69;
  • возможность установки на корпус термокожуха стеклоочистителя СО-2.

Модуль для установки видеокамеры изолирован от корпуса термокожуха.
Изделие выпускается по техническим условиям ТУ 26.30.50-077-31006686-2017.

Термокожух соответствует:

  • техническим требованиям - ГОСТ Р 51558;
  • требованиям по безопасности – ГОСТ Р МЭК 60065;
  • требованиям по ЭМС – ГОСТ Р 50009, ГОСТ Р 51317.3.2, ГОСТ Р 51317.3.3;
  • степени защиты от поражения электрическим током по ГОСТ 12.2.007.0;
  • климатическому исполнению – УХЛ1, 5 по ГОСТ 15150;
  • степени защиты – IP66/IP68 по ГОСТ 14254.

Состав, габаритные и установочные размеры термокожуха

Термокожух увеличенного объема ТГБ-11-24/12. Изображение  1

1 Термокожух 1 шт.
2 Кабельные вводы PG11, Ø кабеля 6–10* мм (один кабельный ввод имеет заглушку) 2 шт.
3 Модуль для видеокамеры 1 шт.
4 Клемма заземления 1 шт.
5 Шарнир 1 шт.
5.1 Болт фиксации шарнира М6 4 шт.
5.2 Винт фиксации шарнира М4 с цилиндрической головкой S=3мм  2 шт.
6 Кронштейн 1 шт.
7 Солнцезащитный козырёк 1 шт.
8 Вентилятор системы стабилизации температуры в термокожухе. 1 шт.

* Кабельные вводы для кабелей другого диаметра устанавливаются по отдельной заявке.

Приобретается по отдельной заявке

Кронштейн КС-1 для крепления термокожуха на квадратные и круглые опоры
▢ 90–106 мм, Ø 115–135 мм (другой размер – под заказ)
Плата защиты портов в сети Ethernet с питанием РоЕ ПЗЛ-ЕП или Устройство защиты портов в сети Ethernet с питанием PoE УЗЛП-ЕП **
Комплект крепления платы ПЗЛ-ЕП
Патч-корд UTP кат. 5е (L 150 мм)
Кронштейн ТГБ-3-02 для крепления на поворотное устройство (ПУ)
Стеклоочиститель СО-2
Комплект для установки СО-2 на ТГБ-11

** Для защиты от импульсных перенапряжений портов локальной сети Ethernet 10 Base-T/100 Base-TX/1000 Base-T, в том числе, использующих технологию PoE стандартов IEEE 802.3af, IEEE 802.3at и IEEE 802.3bt. Устанавливается в пределах 2-3 зон молниезащиты (в соответствии с ГОСТ Р МЭК 62305-1).

Схема подключения

Подключение ТГБ-11-24

 

Климатические испытания. Что имеем и чем руководствоваться

Термокожух на все IP и аналоговые случаи жизни


ХарактеристикаЗначение
Напряжение питания24 В DC 24 В AC (под заказ)
Напряжение/ток внутреннего источника питания12 В DC / 1,5 А 24 В DC / 0,75 А
Мощность обогрева46 Вт / 36 Вт
Максимальный потребляемый ток (включая видеокамеру)2,8 А / 2,4 А
Диапазон рабочих температур– 60 °С / – 50 °С ÷ +50 °С
Температура вкл./откл. обогрева20 °С / 25 °С
Температура холодного запуска откл./вкл.-10 °С / -5 °С
Влажность воздухадо 100 % при +25 °С
Вес с упаковкой (не более)5,5 кг
Режим работыкруглосуточный
Характеристики
Артикул производителя:03001Бренд:ТахионСортировка для цены:1000Снято с производства:N

Оплата

Оплатить заказ Вы можете безналичным переводом по реквизитам, указанным в выставленном счёте после оформления заказа.

Доставка

«Альянс групп»предоставляет полный комплекс услуг по доставке оборудования в любую точку страны, любым видом транспорта.

Получить приобретённый товар Вы можете удобным для Вас способом:

  • Самовывозом с нашего склада, расположенного по адресу- г. Москва, 104 км. МКАД, д. 8А.
  • Воспользоваться услугой доставки в пределах Москвы и Московской области. Заказ и согласование даты доставки осуществляется через Вашего менеджера.

Если сумма заказа превышает 50 тыс. рублей, доставка по одному адресу Получателя осуществляется БЕСПЛАТНО.

  • Доставка заказа в регионы России осуществляется через транспортные компании. Доставка груза до транспортной компании производится нашим транспортом.

Тарифы доставки по Москве:


При сумме заказа менее 50 тыс. рублей, доставка по Москве осуществляется по тарифам зоны:

  • зона 3 — 500 руб.;
  • зона 1 — 1000 руб.;
  • зона 2, 4 — 1500 руб.;
  • зона 5 — 2000 руб

Транспортные компании, с которыми мы сотрудничаем:

Вас также может заинтересовать: