Термокожух взрывозащищенный ТГБ-4Г Ex IIC-PoE+ предназначен для установки сетевых (IP) и аналоговых видеокамер с объективами, ИК прожекторов и другого электронного оборудования и защиты его от воздействия окружающей среды (влаги, пыли и отрицательных температур).
Область применения: обеспечение охраны, безопасности и контроля за технологическими процессами взрывоопасных производств нефтяной, нефтеперерабатывающей, нефтехимической, газовой и других промышленностей народного хозяйства, опасных по газу и пыли.
Место установки: наружные пространства и внутренние пространства помещений, классифицированные как взрывоопасные зоны классов 1, 2, 21 и 22 (при классификации по зональному принципу), где возможно образование взрывоопасных газовых смесей подгрупп IIА, IIВ, IIC, пылевых сред подгрупп IIIА, IIIВ, IIIC, температурных классов Т1-Т6 или взрывоопасные зоны класса В-I, В-Iа, В-Iб, В-Iг, согласно главе 7.3 «Правил устройства электроустановок» (ПУЭ).
Термокожух взрывозащищенный ТГБ-4Г Ex IIC-PoE+ выполнен в виде взрывонепроницаемой оболочки по ГОСТ 31610.0 (IEC 60079-0), ГОСТ IEC 60079-1, ГОСТ IEC 60079-31 с маркировкой взрывозащиты 1Ex db IIC T6 Gb X / Ex tb IIIC T80°C Db X cо степенью защиты IP66/IP68, обеспечиваемой оболочкой, и по уровню защиты относится к взрывобезопасному электрооборудованию.
Термокожух обеспечивает:
- отключение питания термокожуха при повышении температуры внутри его выше +70°С (из-за климатических факторов - в летний период) и восстановление питания после понижения температуры ниже +60°С;
- автоматическое включение/отключение встроенного обогревателя в заданном диапазоне температур;
- стабилизацию температуры видеокамеры (встроенный вентилятор);
- преобразование ряда входных напряжений в стандартный ряд напряжений питания видеокамер;
- безаварийное включение электропитания видеокамеры при отрицательной температуре внутри термокожуха при перерывах в электропитании, исключая выход видеокамеры из строя при запуске;
Модуль для установки видеокамеры изолирован от корпуса термокожуха.
Смотровое окно выполнено из ударопрочного закалённого стекла.
Термокожух выпускается по техническим условиям ТУ 26.30.50-081-31006686-2019.
Термокожух соответствует:
- техническим требованиям – ГОСТ Р 51558;
- требованиям безопасности – ГОСТ Р МЭК 60065;
- требованиям по ЭМС – ГОСТ Р 50009, ГОСТ 30804.3.2, ГОСТ 30804.3.3;
- степени защиты от поражения электрическим током по ГОСТ 12.2.007.0 – III классу;
- климатическому исполнению – УХЛ1, 5 по ГОСТ 15150;
- степени защиты – IP66/IP68 по ГОСТ 14254.
Состав термокожуха. Габаритные и установочные размеры:

| 1 | Термокожух |
| 2 | Кабельные вводы для небронированного кабеля – Ø кабеля 3,1–8,6* мм – 2 шт. (один кабельный ввод имеет заглушку) |
| 2.1 | Держатель металлорукава (РЗ-ЦХ-12 или МРПИ-12 – Øвн./Øнар=12/15мм) |
| 3 | Модуль для установки видеокамеры |
| 4 | Клемма заземления |
| 5 | Шарнир |
| 5.1 | Гайка болта фиксации шарнира |
| 6 | Кронштейн |
| 7 | Солнцезащитный козырёк |
| 8 | Вентилятор системы стабилизации температуры в термокожухе (кроме ТГБ-4Г Ex IIC-12, ТГБ-4Г Ex IIC (без обогрева)) |
* Кабельные вводы для кабелей другого диаметра устанавливаются по отдельной заявке.
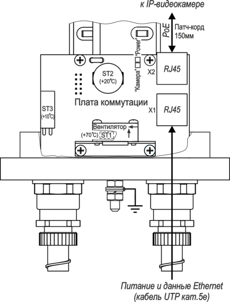
Схема подключения:
с платой ПЗЛ-ЕП

Примеры подключения:


ВИДЕОНАБЛЮДЕНИЕ ВО ВЗРЫВОПОЖАРООПАСНОЙ СРЕДЕ
Климатические испытания. Что имеем и чем руководствоваться
Термокожух на все IP и аналоговые случаи жизни
| ТГБ-4Г Ex IIC-РоЕ+ | ТГБ-4Г Ex IIC-РоЕ++ |
| IEEE 802.3at (PoE+) / 30 (см. таблицу) | IEEE 802.3bt, PoE++, PoH, UPOE / 60 |
| Passive PoE 48…56 В / 30 (см. таблицу) | Passive PoE 48…56 В / 60 |
| Стандарты IP-видеокамеры | Ethernet 10/100BASE-TX |
| IEEE 802.3af | IEEE 802.3af, at |
| 100 (см. таблицу) | 100 |
| – | 12 / 1,4 |
| 6,5 | 15 |
| Температура вкл./откл. обогрева* , °С | +20 / +25 |
| Мощность обогрева, Вт до хол. запуска/после хол. запуска | 22 / 15 |
| 25 | 51 |
| Диапазон температуры окружающей среды при эксплуатации, °С | -60 … +50 |
| Температура вкл./откл. холодного запуска, °С | -10 / -15 |
| Влажность воздуха при +25 °С, % | до 100 |
| Устойчивость к несанкционированным действиям (НСД) | II (средняя) по ГОСТ Р 51558 |
| Устойчивость к низким температурам | III (высокая) по ГОСТ Р 51558 |
| Устойчивость к внешним воздействиям | III (высокая) по ГОСТ Р 51558 |
| Степень защиты оболочки | IP66/IP68 по ГОСТ 14254 |
| Устойчивость к импульсным помехам по цепям Ethernet | класс 2 по ГОСТ Р 51317.4.5 |
| Материал корпуса | сплав алюминиевый, покрытие – краска порошковая RAL9002** |
| Габаритные размеры | см. рисунок |
| Масса с упаковкой, кг, не более | 3,5 |
| Режим работы | круглосуточный |
| 48 В | 50 В |
| -55 °С | -60 °С |
| -50 °С | -55 °С |
Оплата
Оплатить заказ Вы можете безналичным переводом по реквизитам, указанным в выставленном счёте после оформления заказа.
Доставка
«Альянс групп»предоставляет полный комплекс услуг по доставке оборудования в любую точку страны, любым видом транспорта.
Получить приобретённый товар Вы можете удобным для Вас способом:
- Самовывозом с нашего склада, расположенного по адресу- г. Москва, 104 км. МКАД, д. 8А.
- Воспользоваться услугой доставки в пределах Москвы и Московской области. Заказ и согласование даты доставки осуществляется через Вашего менеджера.
Если сумма заказа превышает 50 тыс. рублей, доставка по одному адресу Получателя осуществляется БЕСПЛАТНО.
- Доставка заказа в регионы России осуществляется через транспортные компании. Доставка груза до транспортной компании производится нашим транспортом.
Тарифы доставки по Москве:
При сумме заказа менее 50 тыс. рублей, доставка по Москве осуществляется по тарифам зоны:
- зона 3 — 500 руб.;
- зона 1 — 1000 руб.;
- зона 2, 4 — 1500 руб.;
- зона 5 — 2000 руб
Транспортные компании, с которыми мы сотрудничаем:
- Деловые линии
- Байкал-Сервис
- СДЭК
- Энергия
- Другим удобным для вас способом по согласованию
























