Термокожух взрывозащищенный ТГБ-4М Ex IIC-220/12 предназначен для установки сетевых (IP) и аналоговых видеокамер с объективами, ИК прожекторов и другого электронного оборудования и защиты их от воздействия окружающей среды (влаги, пыли и отрицательных температур).
Область применения: обеспечение охраны, безопасности и контроля за технологическими процессами взрывоопасных производств нефтяной, нефтеперерабатывающей, нефтехимической, газовой и других промышленностей народного хозяйства, опасных по газу и пыли.
Место установки: наружные пространства и внутренние пространства помещений, классифицированные как взрывоопасные зоны классов 1, 2, 21 и 22 (при классификации по зональному принципу), где возможно образование взрывоопасных газовых смесей подгрупп IIА, IIВ, IIC, пылевых сред подгрупп IIIА, IIIВ, IIIC, температурных классов Т1-Т6 или взрывоопасные зоны класса В-I, В-Iа, В-Iб, В-Iг, согласно главе 7.3 «Правил устройства электроустановок» (ПУЭ).
Термокожух выполнен в виде взрывонепроницаемой оболочки по ГОСТ 31610.0 (IEC 60079), ГОСТ IEC 60079-1, ГОСТ IEC 60079-31 с маркировкой взрывозащиты 1Ex db IIC T6 Gb X / Ex tb IIIC T80°C Db X cо степенью защиты обеспечиваемой оболочкой – IP66/IP68 и по уровню защиты относится к взрывобезопасному электрооборудованию.
Термокожух обеспечивает:
- автоматическое включение/отключение встроенного обогревателя в заданном диапазоне температур;
- отключение питания термокожуха при повышении температуры внутри его выше +70°С (из-за климатических факторов - в летний период) и восстановление питания после понижения температуры ниже +60°С.
Смотровое окно выполнено из ударопрочного закалённого стекла.
Термокожух выпускается по техническим условиям ТУ 26.30.50-081-31006686-2019.
Термокожух соответствует:
- техническим требованиям – ГОСТ Р 51558;
- требованиям по безопасности – ГОСТ Р МЭК 60065;
- требованиям по ЭМС – ГОСТ Р 50009, ГОСТ 30804.3.2, ГОСТ 30804.3.3;
- степени защиты от поражения электрическим током – III классу по ГОСТ 12.2.007.0;
- климатическому исполнению - УХЛ1, 5 по ГОСТ 15150;
- степени защиты – IP66/IP68 по ГОСТ 14254.
Состав термокожуха. Габаритные и установочные размеры:

| 1. Термокожух | 1 шт. |
| 2. Кабельные вводы небронированного кабеля – Ø кабеля 3,1÷8,6 мм* – 2 шт. (один кабельный ввод имеет заглушку) | 2 шт. |
| 2.1 Держатель металлорукава (РЗ-ЦХ-12 или МРПИ-12 – Øвн./Øнар=12/15 мм) | 1 шт. |
| 3. Модуль для установки видеокамеры | 1 шт. |
| 4. Клемма заземления | 1 шт. |
| 5. Шарнир | 1 шт. |
| 5.1 Гайка болта фиксации шарнира | 1 шт. |
| 6. Кронштейн | 1 шт. |
| 7. Солнцезащитный козырёк | 1 шт. |
| 8. Хомут для крепления бескорпусных видеокамер (поставляется по отдельной заявке) | 1 компл. |
* Кабельные вводы для кабелей другого диаметра устанавливаются по отдельной заявке.
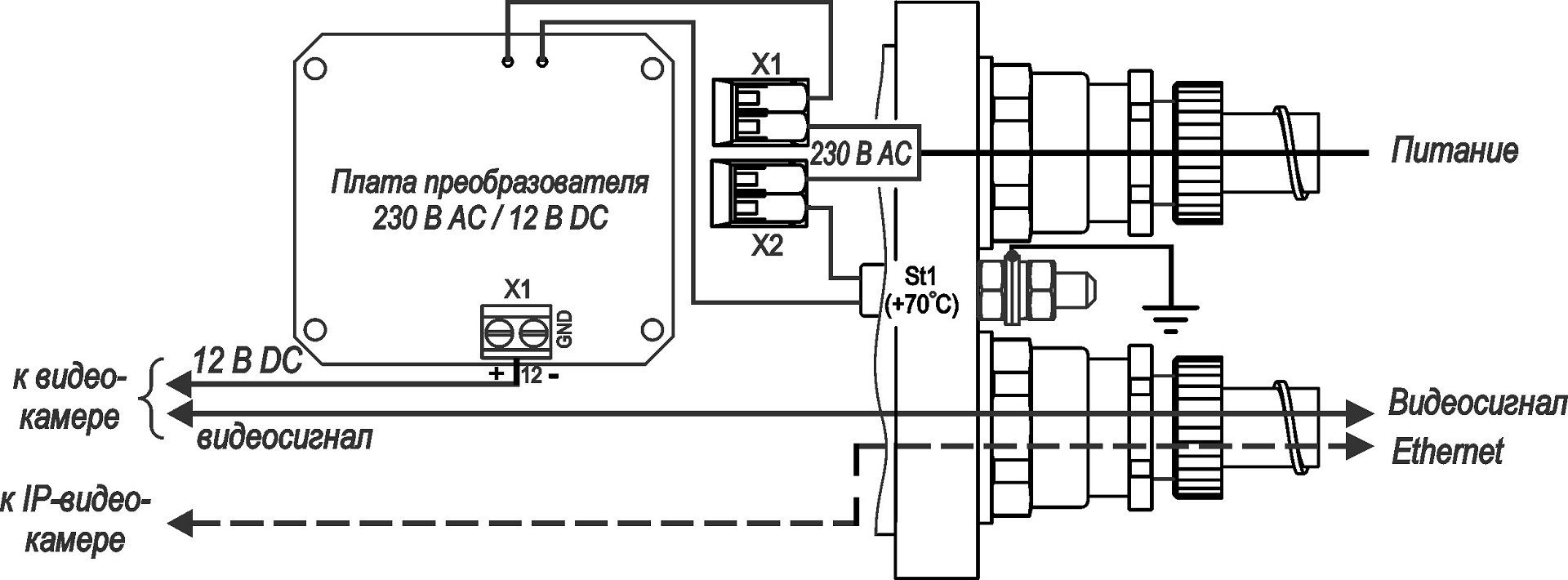
Схема подключения:

ВИДЕОНАБЛЮДЕНИЕ ВО ВЗРЫВОПОЖАРООПАСНОЙ СРЕДЕ
Климатические испытания. Что имеем и чем руководствоваться
Термокожух на все IP и аналоговые случаи жизни
| ТГБ-4М Ex IIC-24/12 | ТГБ-4М Ex IIC-220/12 |
| 24 DC ± 10 % | 230 AC ± 10 % |
| 12 ± 10 % / 0,35 | 12 ± 10 % / 0,8 |
| +15 ± 3 / +20 ± 3 | – |
| 11 | – |
| 20 / 0,9 | 24 / 0,1 |
| Диапазон температуры окружающей среды при эксплуатации, °С | -60 … +50 |
| -10 ± 3 / -15 ± 3 | – |
| Влажность воздуха при +25 °С, % | до 100 |
| Устойчивость к несанкционированным действиям (НСД) | II (средняя) по ГОСТ Р 51558 |
| Устойчивость к низким температурам | III (высокая) по ГОСТ Р 51558 |
| Устойчивость к внешним воздействиям | III (высокая) по ГОСТ Р 51558 |
| Степень защиты оболочки | IP66/IP68 по ГОСТ 14254 |
| Материал корпуса | сплав алюминиевый, покрытие – краска порошковая RAL9002*** |
| Габаритные размеры | см. рисунок 1 |
| Масса с упаковкой, кг, не более | 3,0 |
| Режим работы | Круглосуточный |
Оплата
Оплатить заказ Вы можете безналичным переводом по реквизитам, указанным в выставленном счёте после оформления заказа.
Доставка
«Альянс групп»предоставляет полный комплекс услуг по доставке оборудования в любую точку страны, любым видом транспорта.
Получить приобретённый товар Вы можете удобным для Вас способом:
- Самовывозом с нашего склада, расположенного по адресу- г. Москва, 104 км. МКАД, д. 8А.
- Воспользоваться услугой доставки в пределах Москвы и Московской области. Заказ и согласование даты доставки осуществляется через Вашего менеджера.
Если сумма заказа превышает 50 тыс. рублей, доставка по одному адресу Получателя осуществляется БЕСПЛАТНО.
- Доставка заказа в регионы России осуществляется через транспортные компании. Доставка груза до транспортной компании производится нашим транспортом.
Тарифы доставки по Москве:
При сумме заказа менее 50 тыс. рублей, доставка по Москве осуществляется по тарифам зоны:
- зона 3 — 500 руб.;
- зона 1 — 1000 руб.;
- зона 2, 4 — 1500 руб.;
- зона 5 — 2000 руб
Транспортные компании, с которыми мы сотрудничаем:
- Деловые линии
- Байкал-Сервис
- СДЭК
- Энергия
- Другим удобным для вас способом по согласованию























