Термошкаф ТШО-60.76.35.200

Изображение товара

Термошкаф ТШО-60.76.35.200 предназначен для установки в нём телевизионного либо другого электронного оборудования и поддержания заданного температурного режима при эксплуатации этого оборудования.

Термошкаф оборудован:

  • блоком управления климатом БУК-3В, предназначенным для управления обогревателем, охладителем и холодным запуском аппаратуры, установленной в термошкафу;
  • обогревателем термошкафов ОТШ, оборудованным встроенным биметаллическим выключателем, ограничивающим температуру поверхности радиатора до +90°С;
  • термоэлектрическим охладителем на элементах Пельтье ТЭО-220-48 (далее - охладитель), выполненном в защитном кожухе;
  • тамперным контактом для сигнализации о несанкционированном доступе.

На монтажной панели предусмотрены отверстия Ø 3,7 мм (под саморез ST4,2), для установки дополнительных DIN-реек.

Термошкаф выпускается по техническим условиям ТУ 26.30.50-077-31006686-2017.

Термошкаф соответствует:

  • техническим требованиям – ГОСТ Р 51558;
  • требованиям безопасности – ГОСТ Р МЭК 60065;
  • требованиям ЭМС – ГОСТ Р 50009, ГОСТ 30804.3.2, ГОСТ 30804.3.3;
  • степени защиты от поражения электрическим током – I классу по ГОСТ 12.2.007.0;
  • климатическому исполнению – УХЛ1, 5 по ГОСТ 15150;
  • степени защиты – IP66 по ГОСТ 14254.

Устройство термошкафа

Термошкаф ТШО-60.76.35.200. Изображение  1

 

Подключение термошкафа

Термошкаф ТШО-60.76.35.200. Изображение  1

 

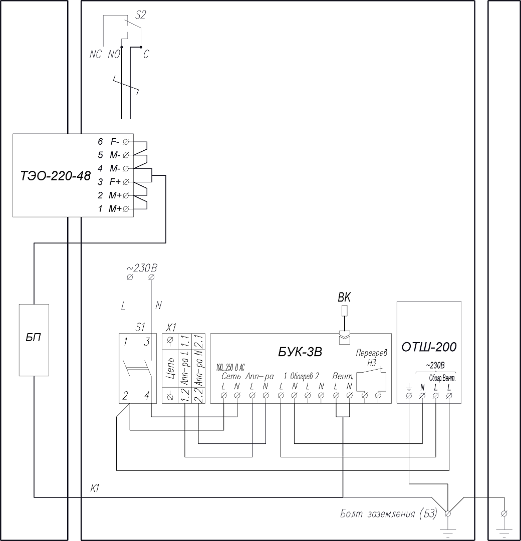
Схема электрическая принципиальная

Термошкаф ТШО-60.76.35.200. Изображение  1

 

“Все в одном флаконе” – оно вам надо? Или как правильно установить наружную камеру [Технологии защиты, № 02, 2021]

САМАЯ ЧЕСТНАЯ РЕКЛАМНАЯ СТАТЬЯ ПРО САМЫЕ БАНАЛЬНЫЕ ТЕРМОШКАФЫ

Климатические испытания. Что имеем и чем руководствоваться

Термоэлектрический охладитель на основе эффекта Пельтье


ХарактеристикаЗначение
Питание термошкафа: – напряжение питания – максимальный ток нагрузки230 В AC, 50 Гц 6 А
Обогрев: – напряжение питания – потребляемая мощность230 В AC, 50 Гц 240 Вт
Охладитель: – напряжение питания – максимальная потребляемая мощность230 В AC, 50 Гц 300 Вт
Максимальная мощность тепловыделения устанавливаемой в термошкаф аппаратурысм. таблицу 2, график 1
Диапазон температуры окружающей среды при эксплуатации-50°С … +50°С
Диапазон регулирования температуры обогрева в термошкафу-20°С … +15°С
Диапазон регулирования температуры охлаждения термошкафа+20°С … +55°С
Температура срабатывания тепловой защиты обогрева+30°С ± 3°С
Температура срабатывания аварийной сигнализации+70°С ± 3°С
Диапазон регулирования температуры холодного запуска аппаратуры-30°С … +5°С
Материалы и поверхность термошкафа: – корпус – панель монтажнаялистовая сталь, порошковое покрытие листовая сталь, оцинкованная
Габаритные размеры740х800х350 мм
Габаритные размеры шкафа (без кабельных вводов и кожуха)600х760х350 мм
Масса c упаковкой, не более50 кг
Кабельный ввод PG29 – Ø кабеля 18-25 мм4 шт.
Температура окружающей среды Токр.среды, °СМощность тепловыделения устанавливаемой в шкаф аппаратуры Р, Вт
75125
2 (ΔТ=-5°С)3 (ΔТ=0°С)
+20+25
+30+35
+40+45

Тахион
215600

Не является публичной офертой

Описание

Термошкаф ТШО-60.76.35.200 предназначен для установки в нём телевизионного либо другого электронного оборудования и поддержания заданного температурного режима при эксплуатации этого оборудования.

Термошкаф оборудован:

  • блоком управления климатом БУК-3В, предназначенным для управления обогревателем, охладителем и холодным запуском аппаратуры, установленной в термошкафу;
  • обогревателем термошкафов ОТШ, оборудованным встроенным биметаллическим выключателем, ограничивающим температуру поверхности радиатора до +90°С;
  • термоэлектрическим охладителем на элементах Пельтье ТЭО-220-48 (далее - охладитель), выполненном в защитном кожухе;
  • тамперным контактом для сигнализации о несанкционированном доступе.

На монтажной панели предусмотрены отверстия Ø 3,7 мм (под саморез ST4,2), для установки дополнительных DIN-реек.

Термошкаф выпускается по техническим условиям ТУ 26.30.50-077-31006686-2017.

Термошкаф соответствует:

  • техническим требованиям – ГОСТ Р 51558;
  • требованиям безопасности – ГОСТ Р МЭК 60065;
  • требованиям ЭМС – ГОСТ Р 50009, ГОСТ 30804.3.2, ГОСТ 30804.3.3;
  • степени защиты от поражения электрическим током – I классу по ГОСТ 12.2.007.0;
  • климатическому исполнению – УХЛ1, 5 по ГОСТ 15150;
  • степени защиты – IP66 по ГОСТ 14254.

Устройство термошкафа

Термошкаф ТШО-60.76.35.200. Изображение  1

 

Подключение термошкафа

Термошкаф ТШО-60.76.35.200. Изображение  1

 

Схема электрическая принципиальная

Термошкаф ТШО-60.76.35.200. Изображение  1

 

“Все в одном флаконе” – оно вам надо? Или как правильно установить наружную камеру [Технологии защиты, № 02, 2021]

САМАЯ ЧЕСТНАЯ РЕКЛАМНАЯ СТАТЬЯ ПРО САМЫЕ БАНАЛЬНЫЕ ТЕРМОШКАФЫ

Климатические испытания. Что имеем и чем руководствоваться

Термоэлектрический охладитель на основе эффекта Пельтье


ХарактеристикаЗначение
Питание термошкафа: – напряжение питания – максимальный ток нагрузки230 В AC, 50 Гц 6 А
Обогрев: – напряжение питания – потребляемая мощность230 В AC, 50 Гц 240 Вт
Охладитель: – напряжение питания – максимальная потребляемая мощность230 В AC, 50 Гц 300 Вт
Максимальная мощность тепловыделения устанавливаемой в термошкаф аппаратурысм. таблицу 2, график 1
Диапазон температуры окружающей среды при эксплуатации-50°С … +50°С
Диапазон регулирования температуры обогрева в термошкафу-20°С … +15°С
Диапазон регулирования температуры охлаждения термошкафа+20°С … +55°С
Температура срабатывания тепловой защиты обогрева+30°С ± 3°С
Температура срабатывания аварийной сигнализации+70°С ± 3°С
Диапазон регулирования температуры холодного запуска аппаратуры-30°С … +5°С
Материалы и поверхность термошкафа: – корпус – панель монтажнаялистовая сталь, порошковое покрытие листовая сталь, оцинкованная
Габаритные размеры740х800х350 мм
Габаритные размеры шкафа (без кабельных вводов и кожуха)600х760х350 мм
Масса c упаковкой, не более50 кг
Кабельный ввод PG29 – Ø кабеля 18-25 мм4 шт.
Температура окружающей среды Токр.среды, °СМощность тепловыделения устанавливаемой в шкаф аппаратуры Р, Вт
75125
2 (ΔТ=-5°С)3 (ΔТ=0°С)
+20+25
+30+35
+40+45
Характеристики
Артикул производителя:59001Бренд:ТахионСортировка для цены:1000Снято с производства:N

Оплата

Оплатить заказ Вы можете безналичным переводом по реквизитам, указанным в выставленном счёте после оформления заказа.

Доставка

«Альянс групп»предоставляет полный комплекс услуг по доставке оборудования в любую точку страны, любым видом транспорта.

Получить приобретённый товар Вы можете удобным для Вас способом:

  • Самовывозом с нашего склада, расположенного по адресу- г. Москва, 104 км. МКАД, д. 8А.
  • Воспользоваться услугой доставки в пределах Москвы и Московской области. Заказ и согласование даты доставки осуществляется через Вашего менеджера.

Если сумма заказа превышает 50 тыс. рублей, доставка по одному адресу Получателя осуществляется БЕСПЛАТНО.

  • Доставка заказа в регионы России осуществляется через транспортные компании. Доставка груза до транспортной компании производится нашим транспортом.

Тарифы доставки по Москве:


При сумме заказа менее 50 тыс. рублей, доставка по Москве осуществляется по тарифам зоны:

  • зона 3 — 500 руб.;
  • зона 1 — 1000 руб.;
  • зона 2, 4 — 1500 руб.;
  • зона 5 — 2000 руб

Транспортные компании, с которыми мы сотрудничаем:

Вас также может заинтересовать: