Назначение
«Гранит-Л2 Ethernet», вариант 05 предназначен для построения интегрированной системы безопасности «Лавина», обеспечивает прием извещений от объектовых приборов через мобильную телефонную сеть стандарта GSM.
Особенности
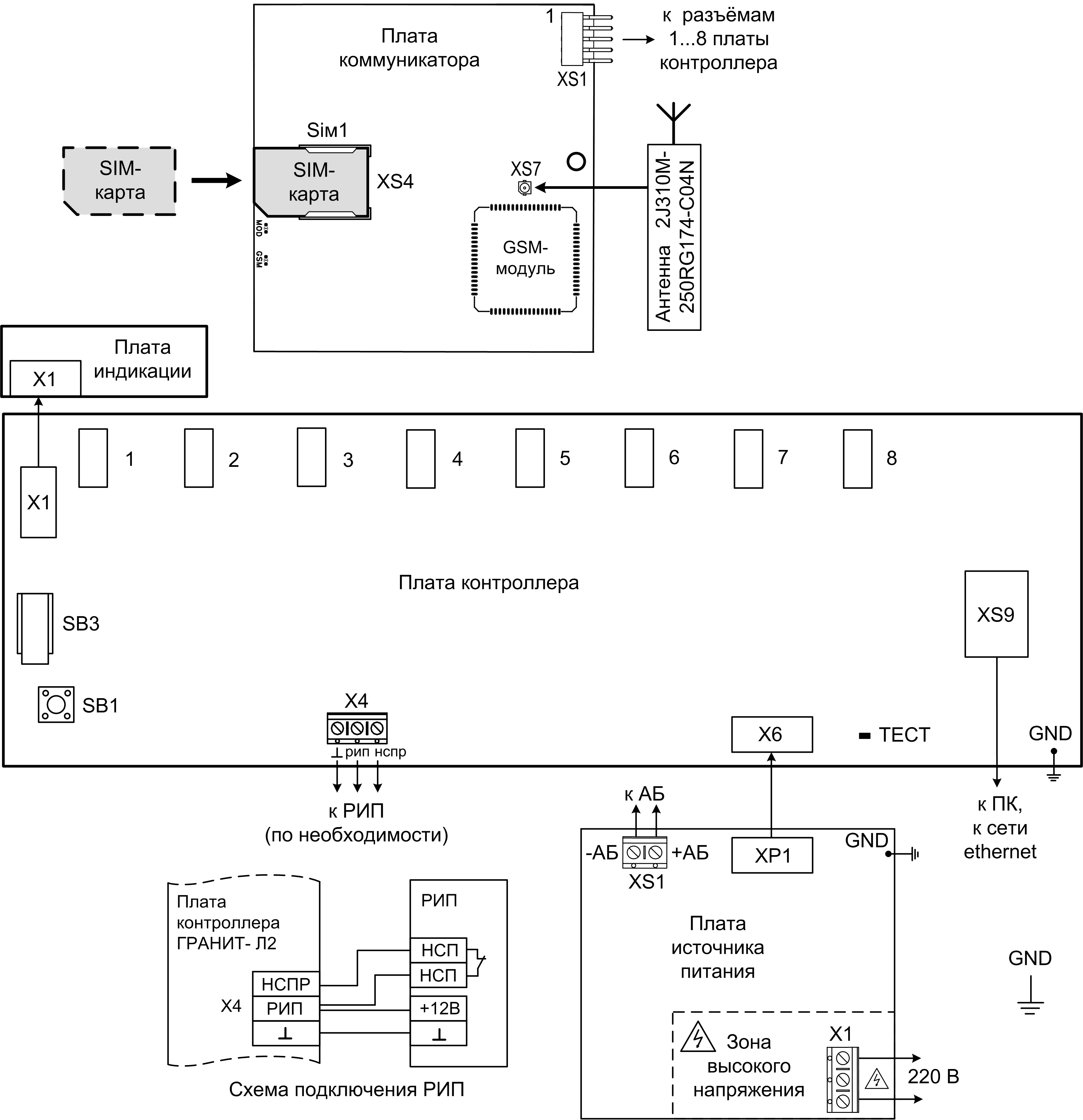
Центральный модем (концентратор) подключается к компьютеру по интерфейсу Ethernet (протокол TCP/IP). К ПК можно подключить несколько концентраторов, используя сетевой коммутатор AR-Link N5R.
Поддерживает работу с 1…8 универсальными коммуникаторами (версии 4) и обеспечивает следующие функции:
- Прием и декодирование информации от объектовых приборов;
- Передачу принятых данных на компьютер с установленным ПО "ЛАВИНА";
- Прием квитанции от компьютера с установленным ПО "ЛАВИНА" и передача ее на объектовый прибор;
- Возможность приема SMS сообщений;
- Все 8 коммуникаторов могут работать одновременно;
- Программирование параметров концентратора и его коммуникаторов через Ethernet интерфейс концентратора.
Контроль канала связи осуществляется посылкой объектовым прибором сигнала "прибор работает" на ПЦН "ЛАВИНА" с программируемой периодичностью, при этом программное обеспечение фиксирует состояние связи. Канал доставки SMS сообщений не контролируется.
Программирование новых объектовых приборов Гранит-3Л,-5Л,-8Л,-12Л (УК), а так же Кварц Л версии 3.1 и выше и Гранит-3,-5,-8,-12(Р) (USB) с коммуникаторами возможно удаленно по каналам доставки извещений. Реализована защита от свободного перепрограммирования злоумышленником.
Поддерживает все алгоритмы работы (А, В и С) согласно свода правил СП 484.1311500.2020 "Системы противопожарной защиты. Системы пожарной сигнализации и автоматизация систем противопожарной защиты. Нормы и правила проектирования", действующего с 01.03.2021 г.
| Интерфейс связи | ETHERNET 10/100 Мбит/с | Количество универсальных коммуникаторов (опционально) | 5 | Количество разъемов для подключения коммуникаторов | 8 | Напряжение питания сети (переменный ток 50 Гц) | 187…242 В | Мощность, потребляемая от сети, не более | 15 Вт | Номинальная емкость резервной аккумуляторной батареи | 12 Ач | Ток потребления от аккумуляторной батареи в дежурном режиме (при отсутствии внешних потребителей), не более | 200 мА | Диапазон рабочих температур | 5... 45 °С | Масса без аккумуляторной батареи, не более | 5 кг | Габаритные размеры | 325x320x118 мм | Степень защиты, не менее | IP10 | Срок службы, лет | 10 лет |
Оплата
Оплатить заказ Вы можете безналичным переводом по реквизитам, указанным в выставленном счёте после оформления заказа.
Доставка
«Альянс групп»предоставляет полный комплекс услуг по доставке оборудования в любую точку страны, любым видом транспорта.
Получить приобретённый товар Вы можете удобным для Вас способом:
- Самовывозом с нашего склада, расположенного по адресу- г. Москва, 104 км. МКАД, д. 8А.
- Воспользоваться услугой доставки в пределах Москвы и Московской области. Заказ и согласование даты доставки осуществляется через Вашего менеджера.
Если сумма заказа превышает 50 тыс. рублей, доставка по одному адресу Получателя осуществляется БЕСПЛАТНО.
- Доставка заказа в регионы России осуществляется через транспортные компании. Доставка груза до транспортной компании производится нашим транспортом.
Тарифы доставки по Москве:
При сумме заказа менее 50 тыс. рублей, доставка по Москве осуществляется по тарифам зоны:
- зона 3 — 500 руб.;
- зона 1 — 1000 руб.;
- зона 2, 4 — 1500 руб.;
- зона 5 — 2000 руб
Транспортные компании, с которыми мы сотрудничаем:
- Деловые линии
- Байкал-Сервис
- СДЭК
- Энергия
- Другим удобным для вас способом по согласованию
























