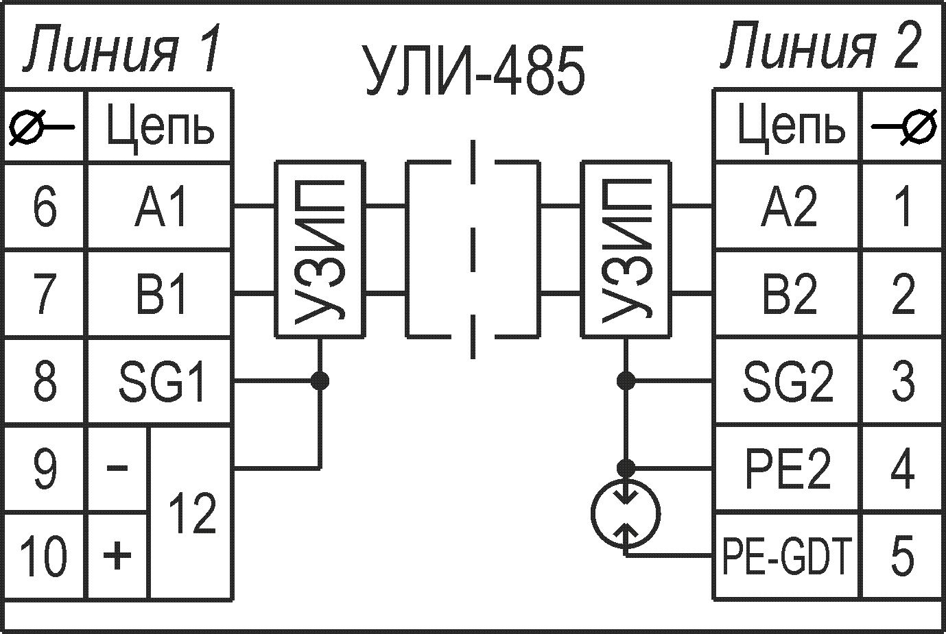
Удлинитель (повторитель) линий интерфейса УЛИ-485 предназначен для увеличения дальности связи по сети RS-485, для защиты оборудования сети интерфейса RS-485 от импульсных перенапряжений (грозовых, электростатических разрядов и др.) в пределах 1÷2 зон молниезащиты и выше (в соответствии с МЭК 61312-1) и имеет гальваническую развязку.
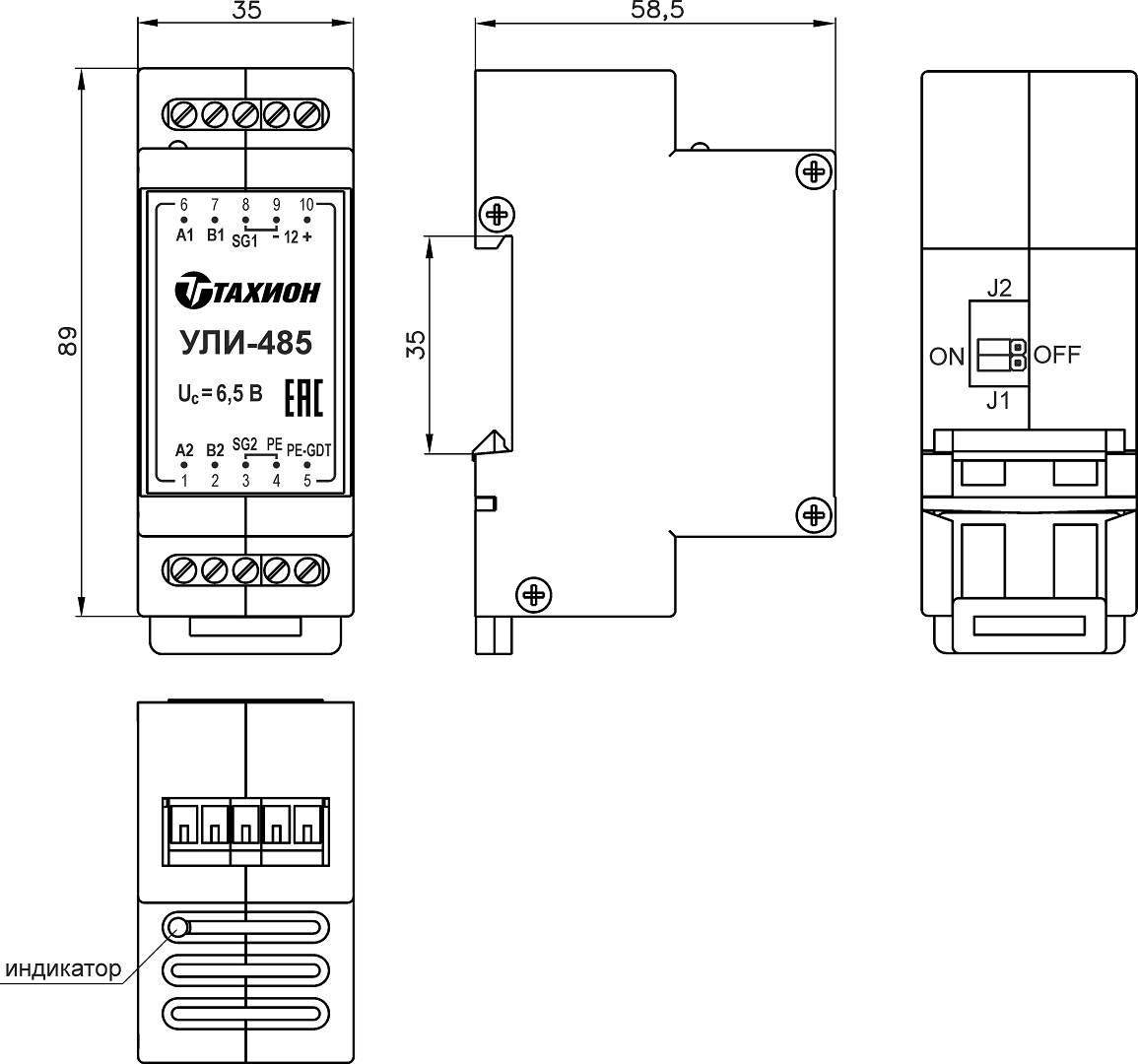
УЛИ-485 по техническим и эксплуатационным характеристикам удовлетворяет требованиям МЭК 61643-21-2000, ГОСТ Р 51317.4.5-99. Степень защиты IP20 в соответствии с ГОСТ 14254. Конструктивно УЛИ-485 выполнено в пластмассовом корпусе с креплением на 35мм DIN-рейку. Изделие выпускается по техническим условиям ТУ 26.30.50-077-31006686-2017.
Габаритные и установочные размеры

Структурная схема

Типовые схемы использования
Гальваническая развязка и защита оборудования от импульсных перенапряжений

Удлинение линии связи с гальванической развязкой между объектами до 4 км

| Напряжение питания | 12 В DC ±3 В |
| Ток потребления, не более | 100 мА |
| Режим обмена | Полудуплекс |
| Максимальная скорость обмена | 57600 бит/сек |
| Линия связи | Витая пара с возвратным проводом |
| Дальность связи при скорости 19200 бит/сек | не менее 2000 м |
| Напряжение гальванической развязки порта «Линия 2» от порта «Линия 1» и «Питания» | не менее 1500 В |
| Диапазон рабочих температур | -40°С – +85°С |
| Габаритные размеры | 89 х 58 х 35 мм |
| Вес в упаковке | 90 г |
Оплата
Оплатить заказ Вы можете безналичным переводом по реквизитам, указанным в выставленном счёте после оформления заказа.
Доставка
«Альянс групп»предоставляет полный комплекс услуг по доставке оборудования в любую точку страны, любым видом транспорта.
Получить приобретённый товар Вы можете удобным для Вас способом:
- Самовывозом с нашего склада, расположенного по адресу- г. Москва, 104 км. МКАД, д. 8А.
- Воспользоваться услугой доставки в пределах Москвы и Московской области. Заказ и согласование даты доставки осуществляется через Вашего менеджера.
Если сумма заказа превышает 50 тыс. рублей, доставка по одному адресу Получателя осуществляется БЕСПЛАТНО.
- Доставка заказа в регионы России осуществляется через транспортные компании. Доставка груза до транспортной компании производится нашим транспортом.
Тарифы доставки по Москве:
При сумме заказа менее 50 тыс. рублей, доставка по Москве осуществляется по тарифам зоны:
- зона 3 — 500 руб.;
- зона 1 — 1000 руб.;
- зона 2, 4 — 1500 руб.;
- зона 5 — 2000 руб
Транспортные компании, с которыми мы сотрудничаем:
- Деловые линии
- Байкал-Сервис
- СДЭК
- Энергия
- Другим удобным для вас способом по согласованию























