Преимущества источника питания ИБП СКАТ-1200 исп.6
| микропроцессорное управление | степень защиты IP56 | ||
| работоспособность в широком диапазоне температур | оптимальный заряд АКБ | ||
| термостат АКБ | защита аккумулятора | ||
| холодный пуск | автоматический переход на резервное питание | ||
| гарантия 5 лет |
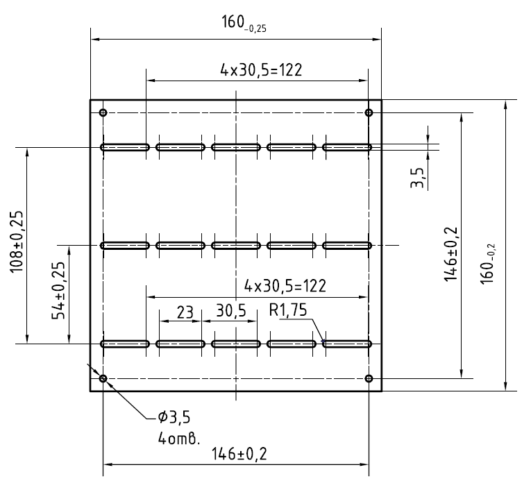
Чертеж монтажной панели

| 1 | Напряжение питающей сети 220 В, частотой 50±1 Гцс пределами изменения, В | 170…250 | |
| 2 | Выходное напряжение постоянного тока, В | при наличии напряжения сети 220 В, режим «ОСНОВНОЙ» | 12,9…13,8 |
| при отсутствии напряжения сети 220 В, режим «РЕЗЕРВ» | 9,5…12,6 | ||
| 3 | Напряжение заряда АКБ при наличии сетевого напряжения | 13,5…14,0 | |
| 4 | Ток нагрузки, A, не более | при наличии сети 220 В, режим ОСНОВНОЙ» | 0…4,0 |
| от АКБ, режим «РЕЗЕРВ» | 0…4,0 | ||
| 5 | Максимальныйток нагрузки в режиме «ОСНОВНОЙ», при подключенной АКБ, кратковременно (5сек.), А не более | 4,5 | |
| 6 | ВНИМАНИЕ! Приналичии сети длительное потребление тока более 4,0 А недопустимо. | ||
| 7 | Ток заряда АКБ, стабилизированный, А | 0,45…0,65 | |
| 8 | Ток, потребляемый изделием от АКБ в режиме «РЕЗЕРВ» безнагрузки, мА, не более | 50 | |
| 9 | Величина напряжения на АКБ, при котором происходитавтоматическое отключение нагрузки дляпредотвращения глубокого разряда АКБ в режиме «РЕЗЕРВ», В | 10,5…11,0 | |
| 10 | Величина напряжения пульсаций с удвоенной частотой сети(от пика до пика) при номинальном (максимальном суммарном) токе нагрузки изаряда, мВ, не более | 100 | |
| 11 | Мощность, потребляемая изделием от сети без нагрузки и АКБ, ВА, не более | 4,5 | |
| 12 | Тип АКБ:герметичные свинцово-кислотные необслуживаемые, номинальным напряжением 12 В. Рекомендуется применение термостатов. | ||
| 13 | Рекомендуемая ёмкость АКБ, Ач | 7, 12 * | |
| 14 | Количество АКБ, шт. | 1 | |
| 15 | Характеристики выходов в формате «открытый коллектор» | напряжение, В, не более, | 60 |
| ток, мА, не более, | 60 | ||
| 16 | Сечение провода, зажимаемого в клеммах колодок, мм2 | «СЕТЬ» и ВЫХОД | 2,5 |
| 17 | Габаритные размеры ШхГхВ, мм, не более | без упаковки | 412х336х145 |
| в упаковке | 431х346х153 | ||
| 18 | Масса, НЕТТО (БРУТТО), кг, не более | 3,7 (3,9) | |
| 19 | Диапазон рабочих температур, °С | -40…+40 | |
| 20 | Предельное значение влажности воздуха при 25°С,% | 100 | |
| 21 | Степень защиты оболочкой по ГОСТ 14254-96 | IP56 | |
Оплата
Оплатить заказ Вы можете безналичным переводом по реквизитам, указанным в выставленном счёте после оформления заказа.
Доставка
«Альянс групп»предоставляет полный комплекс услуг по доставке оборудования в любую точку страны, любым видом транспорта.
Получить приобретённый товар Вы можете удобным для Вас способом:
- Самовывозом с нашего склада, расположенного по адресу- г. Москва, 104 км. МКАД, д. 8А.
- Воспользоваться услугой доставки в пределах Москвы и Московской области. Заказ и согласование даты доставки осуществляется через Вашего менеджера.
Если сумма заказа превышает 50 тыс. рублей, доставка по одному адресу Получателя осуществляется БЕСПЛАТНО.
- Доставка заказа в регионы России осуществляется через транспортные компании. Доставка груза до транспортной компании производится нашим транспортом.
Тарифы доставки по Москве:
При сумме заказа менее 50 тыс. рублей, доставка по Москве осуществляется по тарифам зоны:
- зона 3 — 500 руб.;
- зона 1 — 1000 руб.;
- зона 2, 4 — 1500 руб.;
- зона 5 — 2000 руб
Транспортные компании, с которыми мы сотрудничаем:
- Деловые линии
- Байкал-Сервис
- СДЭК
- Энергия
- Другим удобным для вас способом по согласованию























