Устройство защиты электропитания УЗП-220 предназначено для защиты оборудования, подключённого к линиям электропитания переменного тока 230 В AC, от наведенных напряжений, вызванных электромагнитными импульсами высоких энергий (грозовыми, электростатическими разрядами и т.д.).
УЗП-220 – однофазное устройство защиты класса III, по техническим и эксплуатационным характеристикам удовлетворяет требованиям ГОСТ IEC 61643-11, ГОСТ Р 50571.4.44.
УЗП-220 применяется в сетях с системой заземления TN-S и устанавливается в пределах 2–3 зон молниезащиты (в соответствии с ГОСТ Р МЭК 62305-1).
Сигнал о выходе из строя защитного элемента УЗП-220 во внешнюю цепь сигнализации, может быть снят с контактов 4, 5 (НЗ), при размыкании которых устройство необходимо заменить.
Степень защиты IP20 в соответствии с ГОСТ 14254.
Конструктивно УЗП-220 выполнено в пластмассовом корпусе с креплением на 35 мм DIN-рейку. Изделие выпускается по техническим условиям ТУ 26.30.50-077-31006686-2017.
Габаритные размеры

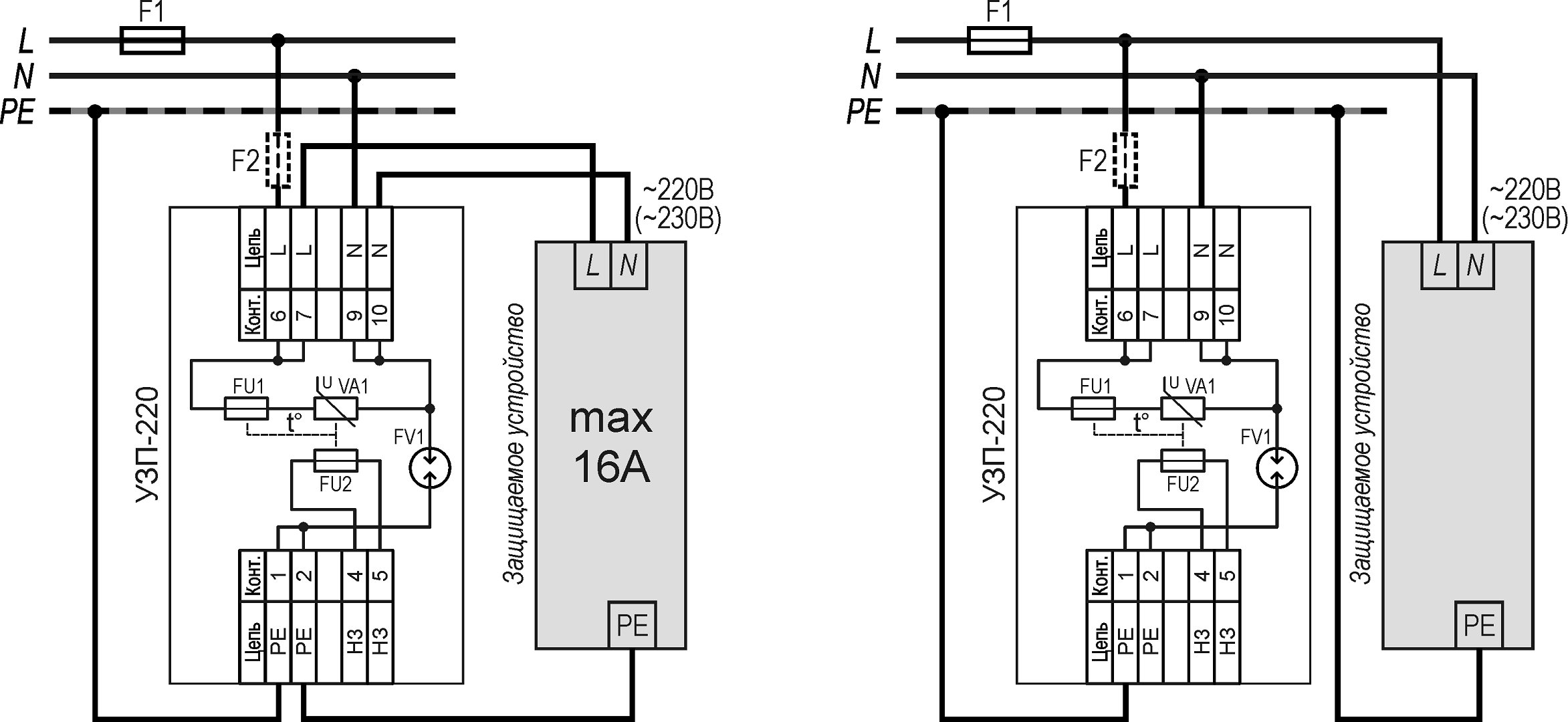
Схемы подключения

Как правильно установить предохранители совместно с устройствами защиты от импульсных перенапряжений (УЗИП)
Пока не грянул гром… [Алгоритм безопасности № 1, 2010]
Безопасность для систем сигнализации или… пока не грянул гром 2
Идем на грозу… Защита сигнальных линий от опасных напряжений. [Алгоритм безопасности №1, 2002]
Не плюй на… землю (неграмотный монтаж – залог отказа). [Алгоритм безопасности – спецвыпуск, 2002]
| Значение | |
| Номинальное рабочее напряжение | 230 В AC |
| Максимальное рабочее напряжение | 275 В AC |
| фаза/ нейтраль | фаза/ земля |
| 3 кА | 3 кА |
| 6 кВ | 6 кВ |
| 850 В | 850 В |
| 25 нс | 100 нс |
| Контакты дистанционной сигнализации: – максимальный коммутируемый ток – максимальное коммутируемое напряжение | 3 А 250 В AC |
| Сечение подключаемых проводов, не более | 2,5 мм2 |
| Диапазон рабочих температур | -55°С ÷ +80°С |
| Габаритные размеры | 89 х 58 х 35 мм |
| Масса с упаковкой | 90 г |
Оплата
Оплатить заказ Вы можете безналичным переводом по реквизитам, указанным в выставленном счёте после оформления заказа.
Доставка
«Альянс групп»предоставляет полный комплекс услуг по доставке оборудования в любую точку страны, любым видом транспорта.
Получить приобретённый товар Вы можете удобным для Вас способом:
- Самовывозом с нашего склада, расположенного по адресу- г. Москва, 104 км. МКАД, д. 8А.
- Воспользоваться услугой доставки в пределах Москвы и Московской области. Заказ и согласование даты доставки осуществляется через Вашего менеджера.
Если сумма заказа превышает 50 тыс. рублей, доставка по одному адресу Получателя осуществляется БЕСПЛАТНО.
- Доставка заказа в регионы России осуществляется через транспортные компании. Доставка груза до транспортной компании производится нашим транспортом.
Тарифы доставки по Москве:
При сумме заказа менее 50 тыс. рублей, доставка по Москве осуществляется по тарифам зоны:
- зона 3 — 500 руб.;
- зона 1 — 1000 руб.;
- зона 2, 4 — 1500 руб.;
- зона 5 — 2000 руб
Транспортные компании, с которыми мы сотрудничаем:
- Деловые линии
- Байкал-Сервис
- СДЭК
- Энергия
- Другим удобным для вас способом по согласованию























