Устройство защиты интерфейсов с подачей питания УЗЛ-И-110/5 предназначено для защиты от импульсных перенапряжений (грозовых, электростатических разрядов и др.) оборудования промышленной автоматизации, диспетчеризации, систем безопасности, использующих 2х проводные линии интерфейса RS-485, RS-422, M-bus, CAN и их разновидностей, в пределах 2 ÷ 3 зон молниезащиты (в соответствии с МЭК 61312-1). Устройство обеспечивает передачу питания 110 В DC по сигнальным парам с величиной тока до 5 А.
Защищаемое оборудование: контроллеры систем сигнализации и автоматизации, исполнительные устройства, системы телеметрии и учёта.
УЗЛ-И-110/5 по техническим и эксплуатационным характеристикам удовлетворяет требованиям МЭК 61643-21, ГОСТ IEC 61000-4-5. Степень защиты IP20 в соответствии с ГОСТ 14254. Конструктивно устройство выполнено в пластмассовом корпусе с креплением на 35мм DIN-рейку. Устройство выпускается по техническим условиям ТУ 26.30.50-077-31006686-2017.
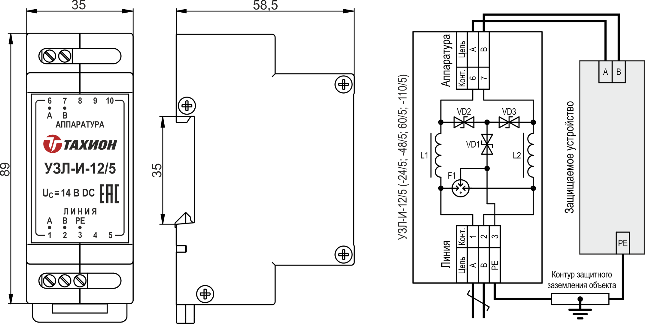
Габаритные размеры и схема подключения

Пока не грянул гром… [Алгоритм безопасности № 1, 2010]
Безопасность для систем сигнализации или… пока не грянул гром 2
Идем на грозу… Защита сигнальных линий от опасных напряжений. [Алгоритм безопасности №1, 2002]
Не плюй на… землю (неграмотный монтаж – залог отказа). [Алгоритм безопасности – спецвыпуск, 2002]
| Номинальное рабочее напряжение UN | 110 В DC |
| Макс. длительное рабочее напряжение UС | 132 В DC |
| Номинальный рабочий ток IN | 5 А |
| Номинальный ток разряда (8/20 мкс) In | 2 кА |
| Максимальный ток разряда (8/20 мкс) IMAX | 10 кА |
| С2 Уровень напряжения защиты UP при In | 186 В |
| Максимальная имп. мощность рассеивания TVS-диодами Pppm | 1500 Вт |
| Время срабатывания tA, не более | 10нс/100нс |
| Вносимая в цепь индуктивность, не более | 10 мкГн |
| Скорость передачи данных, не более | 1 Мбит / сек |
| Сечение подключаемых проводов, не более | 2,5 мм2 |
| Диапазон рабочих температур | – 55°С ¸ +85°С |
| Габаритные размеры | 89 х 58 х 35 мм |
| Вес в упаковке | 90 г |
| Категория испытаний по МЭК 61643-21 | А2, В2, С2, С3, D1 |
Оплата
Оплатить заказ Вы можете безналичным переводом по реквизитам, указанным в выставленном счёте после оформления заказа.
Доставка
«Альянс групп»предоставляет полный комплекс услуг по доставке оборудования в любую точку страны, любым видом транспорта.
Получить приобретённый товар Вы можете удобным для Вас способом:
- Самовывозом с нашего склада, расположенного по адресу- г. Москва, 104 км. МКАД, д. 8А.
- Воспользоваться услугой доставки в пределах Москвы и Московской области. Заказ и согласование даты доставки осуществляется через Вашего менеджера.
Если сумма заказа превышает 50 тыс. рублей, доставка по одному адресу Получателя осуществляется БЕСПЛАТНО.
- Доставка заказа в регионы России осуществляется через транспортные компании. Доставка груза до транспортной компании производится нашим транспортом.
Тарифы доставки по Москве:
При сумме заказа менее 50 тыс. рублей, доставка по Москве осуществляется по тарифам зоны:
- зона 3 — 500 руб.;
- зона 1 — 1000 руб.;
- зона 2, 4 — 1500 руб.;
- зона 5 — 2000 руб
Транспортные компании, с которыми мы сотрудничаем:
- Деловые линии
- Байкал-Сервис
- СДЭК
- Энергия
- Другим удобным для вас способом по согласованию























