Устройство защиты класса II электрооборудования распределительных сетей 220 (230) В AC от импульсных перенапряжений УЗП2-220/L-PEN/20С

()

Устройство защиты класса II электрооборудования распределительных сетей 220 (230) В AC от импульсных перенапряжений УЗП2-220/L-PEN/20С

Изображение товара

Устройство защиты электрооборудования распределительных сетей 220 (230) В AC от импульсных перенапряжений УЗП2-220/L-PEN/20С предназначено для защиты оборудования, подключённого к линиям электропитания переменного тока 220 (230) В, от наведенных напряжений, вызванных электромагнитными импульсами высоких энергий (грозовыми, электростатическими разрядами и т.д.).

УЗП2-220/L-PEN/20С – однополюсное устройство защиты ограничительного типа класса испытаний II, по техническим и эксплуатационным характеристикам удовлетворяющее требованиям ГОСТ IEC 61643-11, ГОСТ 30011.1, ГОСТ Р 50571-4-44, ГОСТ Р 50571.5.53.

УЗП2-220/L-PEN/20С применяется в сетях с системой заземления TN-C и устанавливается в пределах 1 - 2 зон молниезащиты (в соответствии с МЭК 61312-1, МЭК 62305). Для сетей с системами заземления TN-S (TN-C-S), TT применяются УЗП2-220К/LN-PE/20(С) и УЗП2-220К/3LN-PE/20(С).

УЗП2-220/L-PEN/20С имеет механический индикатор и дистанционную сигнализацию состояния отказа, при срабатывании которых устройство необходимо заменить.

Степень защиты IP20 в соответствии с ГОСТ 14254. Конструктивно УЗП2-220/L-PEN/20С выполнено в корпусе из трудногорючего пластика с креплением на 35мм DIN-рейку.

Выпускается по техническим условиям ТУ 26.30.50-077-31006686-2017.

 

Габаритные размеры

Габаритные размеры УЗП2-220/L-PEN/20С

 

Комплект поставки

1 УЗП2-220/L-PEN/20С 1 шт.
2 Разъемный клеммник 1 шт.
3 Паспорт 1 шт.
4 Упаковочная тара 1 шт.

 

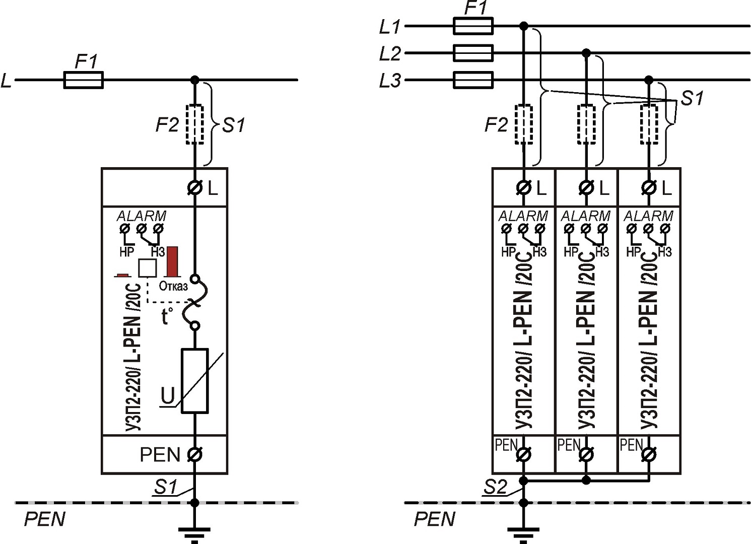
Схемы подключения для однофазной и трехфазной сети

Схемы подключения УЗП2-220/L-PEN/20С для однофазной сети и для трехфазной сети

ВНИМАНИЕ:

При подключении УЗП2-220/L-PEN/20С необходимо убедиться, что в фазном проводе на распределительном щите имеется токовый предохранитель класса gG с номиналом не более 125А (F1). Если F1>125А, необходимо установить токовый предохранитель класса gG F2≤125А.

Дополнительные сведения по применению УЗИП можно получить по следующим ссылкам

  • Как правильно установить предохранители совместно с устройствами защиты от импульсных перенапряжений (УЗИП)

Значение тока предохранителей F1 и F2 в зависимости от сечения проводов S1 и S2:

F1,
A gG
S1,
мм2
S2,
мм2
F2,
A gG
25
35
40
50
63
80
100
125
>125
4
4
4
6
10
10
16
16
16
6
6
6
6
10
10
16
16
16
-
-
-
-
-
-
-
-
125

При срабатывании сигнализации контакт НР – замыкается, а контакт НЗ – размыкается.

 

Как правильно установить предохранители совместно с устройствами защиты от импульсных перенапряжений (УЗИП)

Пока не грянул гром… [Алгоритм безопасности № 1, 2010]

Безопасность для систем сигнализации или… пока не грянул гром 2

Идем на грозу… Защита сигнальных линий от опасных напряжений. [Алгоритм безопасности №1, 2002]

Не плюй на… землю (неграмотный монтаж – залог отказа). [Алгоритм безопасности – спецвыпуск, 2002]


Номинальное рабочее напряжение (Un)~230 В / 50 Гц
Максимальное длительное рабочее напряжение (Uc)~275 В / 50 Гц
Классификационное напряжение при 1мА, не более~473 В / 50 Гц
Номинальный разрядный ток при tимп. 8/20мкс (In)20 кА
Максимальный разрядный ток при tимп. 8/20мкс (Imax)40 кА
Уровень напряжения защиты при In, (Up), не более1,5 кB
Время срабатывания, менее25 нсек
Сечение подключаемых проводов, мм2 – жесткий одножильный – гибкий многожильный2,5÷35 мм2 2,5÷16 мм2
Контакты дистанционной сигнализации: – максимальный коммутируемый ток – максимальное коммутируемое напряжение – сечение подключаемых проводов, не более3 А 250 В 2,5 мм2
Диапазон рабочих температур-55…+80 °С
Габаритные размеры, (ДхВхШ)92 х 74,5 х 17,8 мм
Вес в упаковке90 г

Тахион
8000

Не является публичной офертой

Описание

Устройство защиты электрооборудования распределительных сетей 220 (230) В AC от импульсных перенапряжений УЗП2-220/L-PEN/20С предназначено для защиты оборудования, подключённого к линиям электропитания переменного тока 220 (230) В, от наведенных напряжений, вызванных электромагнитными импульсами высоких энергий (грозовыми, электростатическими разрядами и т.д.).

УЗП2-220/L-PEN/20С – однополюсное устройство защиты ограничительного типа класса испытаний II, по техническим и эксплуатационным характеристикам удовлетворяющее требованиям ГОСТ IEC 61643-11, ГОСТ 30011.1, ГОСТ Р 50571-4-44, ГОСТ Р 50571.5.53.

УЗП2-220/L-PEN/20С применяется в сетях с системой заземления TN-C и устанавливается в пределах 1 - 2 зон молниезащиты (в соответствии с МЭК 61312-1, МЭК 62305). Для сетей с системами заземления TN-S (TN-C-S), TT применяются УЗП2-220К/LN-PE/20(С) и УЗП2-220К/3LN-PE/20(С).

УЗП2-220/L-PEN/20С имеет механический индикатор и дистанционную сигнализацию состояния отказа, при срабатывании которых устройство необходимо заменить.

Степень защиты IP20 в соответствии с ГОСТ 14254. Конструктивно УЗП2-220/L-PEN/20С выполнено в корпусе из трудногорючего пластика с креплением на 35мм DIN-рейку.

Выпускается по техническим условиям ТУ 26.30.50-077-31006686-2017.

 

Габаритные размеры

Габаритные размеры УЗП2-220/L-PEN/20С

 

Комплект поставки

1 УЗП2-220/L-PEN/20С 1 шт.
2 Разъемный клеммник 1 шт.
3 Паспорт 1 шт.
4 Упаковочная тара 1 шт.

 

Схемы подключения для однофазной и трехфазной сети

Схемы подключения УЗП2-220/L-PEN/20С для однофазной сети и для трехфазной сети

ВНИМАНИЕ:

При подключении УЗП2-220/L-PEN/20С необходимо убедиться, что в фазном проводе на распределительном щите имеется токовый предохранитель класса gG с номиналом не более 125А (F1). Если F1>125А, необходимо установить токовый предохранитель класса gG F2≤125А.

Дополнительные сведения по применению УЗИП можно получить по следующим ссылкам

  • Как правильно установить предохранители совместно с устройствами защиты от импульсных перенапряжений (УЗИП)

Значение тока предохранителей F1 и F2 в зависимости от сечения проводов S1 и S2:

F1,
A gG
S1,
мм2
S2,
мм2
F2,
A gG
25
35
40
50
63
80
100
125
>125
4
4
4
6
10
10
16
16
16
6
6
6
6
10
10
16
16
16
-
-
-
-
-
-
-
-
125

При срабатывании сигнализации контакт НР – замыкается, а контакт НЗ – размыкается.

 

Как правильно установить предохранители совместно с устройствами защиты от импульсных перенапряжений (УЗИП)

Пока не грянул гром… [Алгоритм безопасности № 1, 2010]

Безопасность для систем сигнализации или… пока не грянул гром 2

Идем на грозу… Защита сигнальных линий от опасных напряжений. [Алгоритм безопасности №1, 2002]

Не плюй на… землю (неграмотный монтаж – залог отказа). [Алгоритм безопасности – спецвыпуск, 2002]


Номинальное рабочее напряжение (Un)~230 В / 50 Гц
Максимальное длительное рабочее напряжение (Uc)~275 В / 50 Гц
Классификационное напряжение при 1мА, не более~473 В / 50 Гц
Номинальный разрядный ток при tимп. 8/20мкс (In)20 кА
Максимальный разрядный ток при tимп. 8/20мкс (Imax)40 кА
Уровень напряжения защиты при In, (Up), не более1,5 кB
Время срабатывания, менее25 нсек
Сечение подключаемых проводов, мм2 – жесткий одножильный – гибкий многожильный2,5÷35 мм2 2,5÷16 мм2
Контакты дистанционной сигнализации: – максимальный коммутируемый ток – максимальное коммутируемое напряжение – сечение подключаемых проводов, не более3 А 250 В 2,5 мм2
Диапазон рабочих температур-55…+80 °С
Габаритные размеры, (ДхВхШ)92 х 74,5 х 17,8 мм
Вес в упаковке90 г
Характеристики
Артикул производителя:20161Бренд:ТахионСортировка для цены:1000Снято с производства:N

Оплата

Оплатить заказ Вы можете безналичным переводом по реквизитам, указанным в выставленном счёте после оформления заказа.

Доставка

«Альянс групп»предоставляет полный комплекс услуг по доставке оборудования в любую точку страны, любым видом транспорта.

Получить приобретённый товар Вы можете удобным для Вас способом:

  • Самовывозом с нашего склада, расположенного по адресу- г. Москва, 104 км. МКАД, д. 8А.
  • Воспользоваться услугой доставки в пределах Москвы и Московской области. Заказ и согласование даты доставки осуществляется через Вашего менеджера.

Если сумма заказа превышает 50 тыс. рублей, доставка по одному адресу Получателя осуществляется БЕСПЛАТНО.

  • Доставка заказа в регионы России осуществляется через транспортные компании. Доставка груза до транспортной компании производится нашим транспортом.

Тарифы доставки по Москве:


При сумме заказа менее 50 тыс. рублей, доставка по Москве осуществляется по тарифам зоны:

  • зона 3 — 500 руб.;
  • зона 1 — 1000 руб.;
  • зона 2, 4 — 1500 руб.;
  • зона 5 — 2000 руб

Транспортные компании, с которыми мы сотрудничаем:

Вас также может заинтересовать: