Устройство защиты электрооборудования распределительных сетей 220 (230) В AC от импульсных перенапряжений УЗП2-220/N-PE/20С предназначено для защиты по линии нейтрали- N оборудования, подключённого к линиям электропитания переменного тока 220 (230) В, от наведенных напряжений, вызванных электромагнитными импульсами высоких энергий (грозовыми, электростатическими разрядами и т.д.).
УЗП2-220/N-PE/20С – однополюсное устройство защиты ограничительного типа класса испытаний II, по техническим и эксплуатационным характеристикам удовлетворяющее требованиям ГОСТ IEC 61643-11, ГОСТ 30011.1, ГОСТ Р 50571-4-44, ГОСТ Р 50571.5.53.
УЗП2-220/N-PE/20С применяется в сетях с системой заземления TN-S (TN-C-S), ТТ и устанавливается в линии нейтрали- N в пределах 1 - 2 зон молниезащиты (в соответствии с МЭК 61312-1, МЭК 62305). Для сетей с системами заземления TN-C применяются УЗП2-220/L-PEN/20(С) и УЗП2-220К/3L-PEN/20(С).
УЗП2-220/N-PE/20С имеет механический индикатор и дистанционную сигнализацию состояния отказа, при срабатывании которых устройство необходимо заменить.
Степень защиты IP20 в соответствии с ГОСТ 14254. Конструктивно УЗП2-220/N-PE/20С выполнено в корпусе из трудногорючего пластика с креплением на 35мм DIN-рейку.
Выпускается по техническим условиям ТУ 26.30.50-077-31006686-2017.
Габаритные размеры

Комплект поставки
| 1 | УЗП2-220/N-PE/20С | 1 шт. |
| 2 | Разъемный клеммник | 1 шт. |
| 3 | Паспорт | 1 шт. |
| 4 | Упаковочная тара | 1 шт. |
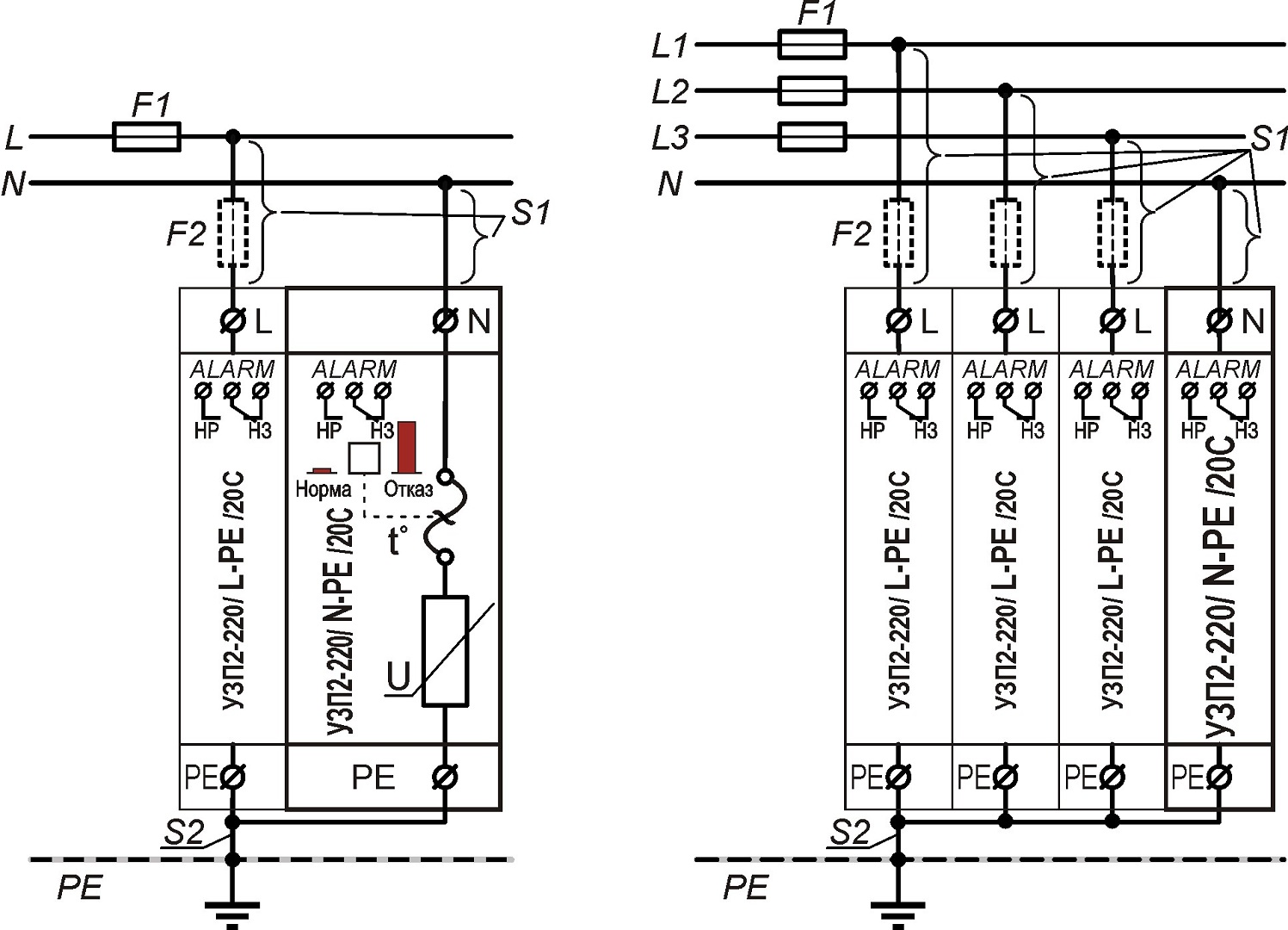
Схемы подключения для однофазной и трехфазной сети

ВНИМАНИЕ:
При подключении УЗП2-220/N-PE/20С совместно с УЗП2-220/L-PE/20С необходимо убедиться, что в фазном проводе на распределительном щите имеется токовый предохранитель класса gG с номиналом не более 125А (F1). Если F1>125А, необходимо установить токовый предохранитель класса gG F2≤125А.
Дополнительные сведения по применению УЗИП можно получить по следующим ссылкам
- Как правильно установить предохранители совместно с устройствами защиты от импульсных перенапряжений (УЗИП)
Значение тока предохранителей F1 и F2 в зависимости от сечения проводов S1 и S2:
| F1, A gG | S1, мм2 | S2, мм2 | F2, A gG |
| 25 35 40 50 63 80 100 125 >125 | 4 4 4 6 10 10 16 16 16 | 6 6 6 6 10 10 16 16 16 | - - - - - - - - 125 |
При срабатывании сигнализации контакт НР – замыкается, а контакт НЗ – размыкается.
Как правильно установить предохранители совместно с устройствами защиты от импульсных перенапряжений (УЗИП)
Пока не грянул гром… [Алгоритм безопасности № 1, 2010]
Безопасность для систем сигнализации или… пока не грянул гром 2
Идем на грозу… Защита сигнальных линий от опасных напряжений. [Алгоритм безопасности №1, 2002]
Не плюй на… землю (неграмотный монтаж – залог отказа). [Алгоритм безопасности – спецвыпуск, 2002]
| Номинальное рабочее напряжение (Un) | ~230 В / 50 Гц |
| Максимальное длительное рабочее напряжение (Uc) | ~275 В / 50 Гц |
| Классификационное напряжение при 1мА, не более | ~473 В / 50 Гц |
| Номинальный разрядный ток при tимп. 8/20мкс (In) | 20 кА |
| Максимальный разрядный ток при tимп. 8/20мкс (Imax) | 40 кА |
| Уровень напряжения защиты при In, (Up), не более | 1,5 кB |
| Время срабатывания, менее | 25 нсек |
| Сечение подключаемых проводов, мм2 – жесткий одножильный – гибкий многожильный | 2,5÷35 мм2 2,5÷16 мм2 |
| Контакты дистанционной сигнализации: – максимальный коммутируемый ток – максимальное коммутируемое напряжение – сечение подключаемых проводов, не более | 3 А 250 В 2,5 мм2 |
| Диапазон рабочих температур | -55…+80 °С |
| Габаритные размеры, (ДхВхШ) | 92 х 74,5 х 17,8 мм |
| Вес в упаковке | 90 г |
Оплата
Оплатить заказ Вы можете безналичным переводом по реквизитам, указанным в выставленном счёте после оформления заказа.
Доставка
«Альянс групп»предоставляет полный комплекс услуг по доставке оборудования в любую точку страны, любым видом транспорта.
Получить приобретённый товар Вы можете удобным для Вас способом:
- Самовывозом с нашего склада, расположенного по адресу- г. Москва, 104 км. МКАД, д. 8А.
- Воспользоваться услугой доставки в пределах Москвы и Московской области. Заказ и согласование даты доставки осуществляется через Вашего менеджера.
Если сумма заказа превышает 50 тыс. рублей, доставка по одному адресу Получателя осуществляется БЕСПЛАТНО.
- Доставка заказа в регионы России осуществляется через транспортные компании. Доставка груза до транспортной компании производится нашим транспортом.
Тарифы доставки по Москве:
При сумме заказа менее 50 тыс. рублей, доставка по Москве осуществляется по тарифам зоны:
- зона 3 — 500 руб.;
- зона 1 — 1000 руб.;
- зона 2, 4 — 1500 руб.;
- зона 5 — 2000 руб
Транспортные компании, с которыми мы сотрудничаем:
- Деловые линии
- Байкал-Сервис
- СДЭК
- Энергия
- Другим удобным для вас способом по согласованию























