Устройство защиты УЗЛ-СД-12 предназначено для защиты оборудования, подключенного к шлейфам сигнализации, линиям связи и линиям вторичного питания систем сигнализации, от импульсных перенапряжений (грозовых, электростатических разрядов и др.) в пределах 1 – 2 зон молниезащиты (в соответствии с МЭК 61312-1).
Защищаемое оборудование: извещатели охранные, приборы приёмо-контрольные, сетевые контроллеры шлейфов сигнализации и т.п.
- по техническим и эксплуатационным характеристикам удовлетворяет требованиям МЭК 61643-21-2000, ГОСТ Р 51317.4.5-99.
- Степень защиты IP20 в соответствии с ГОСТ 14254.
- Конструктивно выполнено в пластмассовом корпусе с креплением на 35мм DIN-рейку.
- Изделие выпускается по техническим условиям ТУ 26.30.50-077-31006686-2017.
Габаритные и установочные размеры

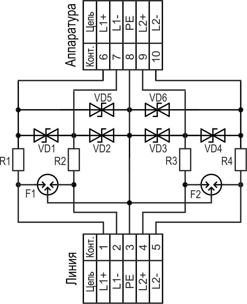
Принципиальная схема

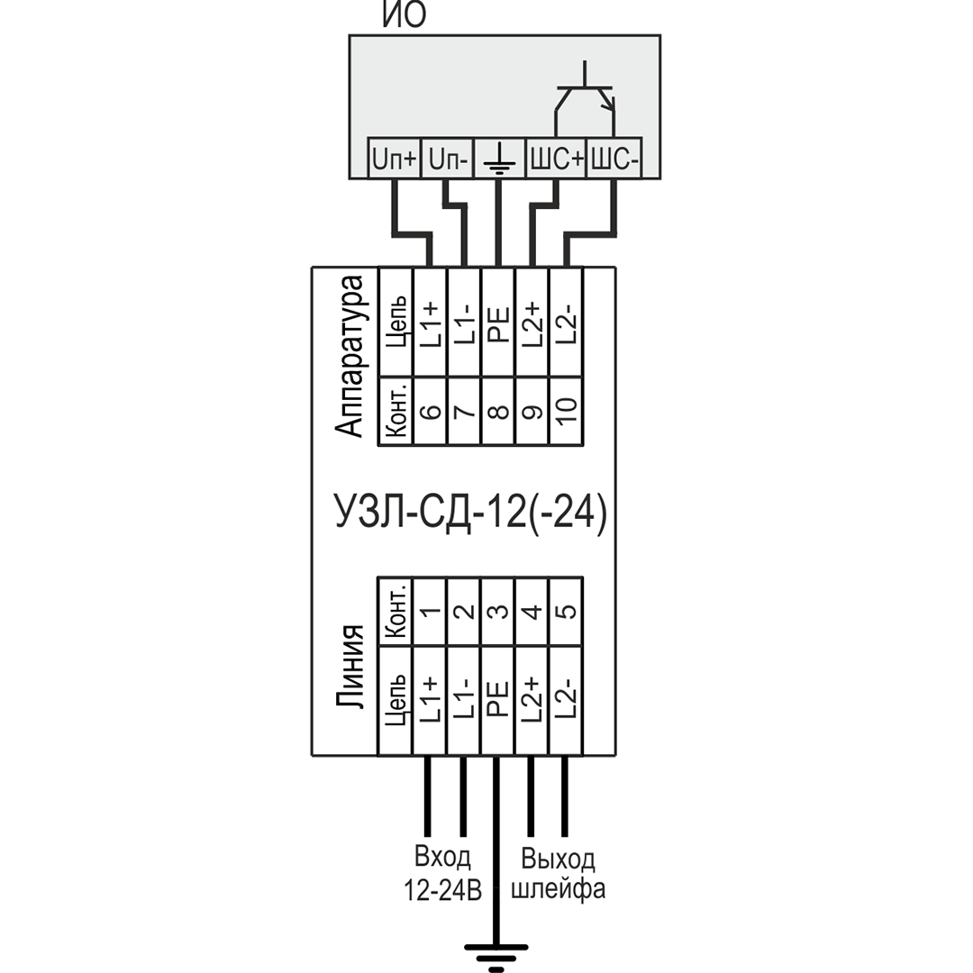
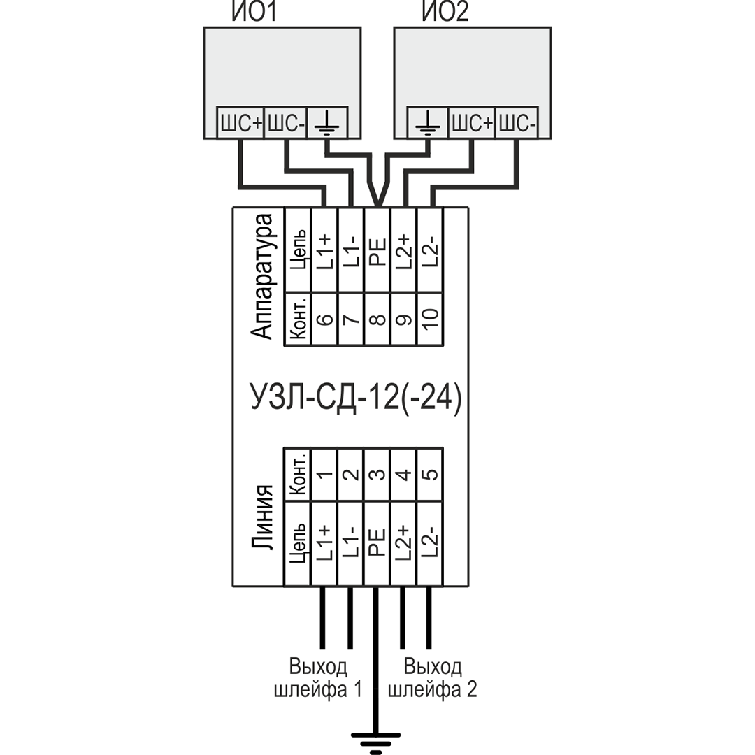
Типовые схемы включения




Пока не грянул гром… [Алгоритм безопасности № 1, 2010]
Безопасность для систем сигнализации или… пока не грянул гром 2
Идем на грозу… Защита сигнальных линий от опасных напряжений. [Алгоритм безопасности №1, 2002]
Не плюй на… землю (неграмотный монтаж – залог отказа). [Алгоритм безопасности – спецвыпуск, 2002]
| Количество защищаемых пар | 2 |
| Номинальное рабочее напряжение UN | 12 В DC |
| Макс. длительное рабочее напряжение UС | 16 В DC |
| Номинальный рабочий ток IN | 100 мА |
| С2 Номинальный ток разряда (8/20 мкс) In Линия-линия / линия-земля | 5 / 5 кА |
| Суммарный импульсный ток (8/20 мкс) | 10 кА |
| С2 Уровень напряжения защиты UP при InЛиния-линия / линия-земля | 32 / 32 В |
| Вносимое сопротивление на цепь, не более | 2,7 Ом |
| Скорость передачи данных, не более | 1 Мбит / сек |
| Диапазон рабочих температур | – 55°С ÷ +85°C |
| Габаритные размеры | 89 х 58 х 35 мм |
| Вес в упаковке | 90 г |
| Категория испытаний по МЭК 61643-21 | С 2 |
Оплата
Оплатить заказ Вы можете безналичным переводом по реквизитам, указанным в выставленном счёте после оформления заказа.
Доставка
«Альянс групп»предоставляет полный комплекс услуг по доставке оборудования в любую точку страны, любым видом транспорта.
Получить приобретённый товар Вы можете удобным для Вас способом:
- Самовывозом с нашего склада, расположенного по адресу- г. Москва, 104 км. МКАД, д. 8А.
- Воспользоваться услугой доставки в пределах Москвы и Московской области. Заказ и согласование даты доставки осуществляется через Вашего менеджера.
Если сумма заказа превышает 50 тыс. рублей, доставка по одному адресу Получателя осуществляется БЕСПЛАТНО.
- Доставка заказа в регионы России осуществляется через транспортные компании. Доставка груза до транспортной компании производится нашим транспортом.
Тарифы доставки по Москве:
При сумме заказа менее 50 тыс. рублей, доставка по Москве осуществляется по тарифам зоны:
- зона 3 — 500 руб.;
- зона 1 — 1000 руб.;
- зона 2, 4 — 1500 руб.;
- зона 5 — 2000 руб
Транспортные компании, с которыми мы сотрудничаем:
- Деловые линии
- Байкал-Сервис
- СДЭК
- Энергия
- Другим удобным для вас способом по согласованию























