Устройство защиты УЗП-24AC/5 исп.1 предназначено для защиты цепей вторичных источников электропитания распределительных сетей аппаратуры промышленной автоматизации, систем сигнализации и прочих питаемых устройств от импульсных перенапряжений (грозовых, электростатических разрядов и др.). Устанавливается на границе 1 ÷ 2 зон молниезащиты и выше (в соответствии с МЭК 61312-1).
Устройство выпускается по техническим условиям ТУ 26.30.50-077-31006686-2017.
По техническим и эксплуатационным характеристикам удовлетворяет требованиям ГОСТ IEC 61643-21, ГОСТ IEC 61000-4-5.
Степень защиты IP66 в соответствии с ГОСТ 14254-96. Конструктивно УЗП-24AC/5 исп.1 выполнено в пластиковом пылебрызгозащищенном корпусе и может эксплуатироваться на открытом воздухе либо во влажных помещениях. Климатическое исполнение соответствует УХЛ1, 5 ГОСТ 15150.
Габаритные и установочные размеры

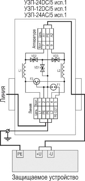
Примеры схем подключения
Защита цепей питания устройств, расположенных на одном объекте и имеющих общий контур заземления с системой выравнивания потенциалов

Защита цепей питания устройств, расположенных на удаленных объектах и не имеющих общего контура заземления

Принципиальная схема устройства

Пока не грянул гром… [Алгоритм безопасности № 1, 2010]
Безопасность для систем сигнализации или… пока не грянул гром 2
Идем на грозу… Защита сигнальных линий от опасных напряжений. [Алгоритм безопасности №1, 2002]
Не плюй на… землю (неграмотный монтаж – залог отказа). [Алгоритм безопасности – спецвыпуск, 2002]
| Номинальное рабочее напряжение UN | 24 В AC |
| Макс. длительное рабочее напряжение UС | 30 В AC |
| Рабочий ток IN, не более | 5 A |
| С2 Номинальный ток разряда In (8/20 мкс) Линия-линия / линия-земля | 2,5 / 2,5 кА |
| Суммарный импульсный ток (8/20 мкс) | 5 кА |
| С2 Уровень напряжения защиты UP при In, не более: Линия – линия: (A1) относительно (A2) Линия – земля: (A1, A2) относительно (PE) Линия – земля: (A1, A2, PE) относительно (PE-GDT) | 80В 80В 600В |
| Время срабатывания tA, не болееЛиния-линия / линия-земля | 10 нс / 100 нс |
| Вносим. cопротивление на цепь, не более | 0,2 Ом |
| Вносимая индуктивность на цепь | 20 мкГн |
| Диапазон рабочих температур | – 55°С ÷ +85°С |
| Габаритные размеры | 145х105х55 мм |
| Кабельные вводы | PG11, ∅ кабеля 6 ÷ 10 мм (2 шт.) |
| Сечение подключаемых проводов, не более | 2,5 мм² |
| Вес в упаковке | 300 г |
| Категория испытаний по МЭК 61643-21 | С1, С2 |
Оплата
Оплатить заказ Вы можете безналичным переводом по реквизитам, указанным в выставленном счёте после оформления заказа.
Доставка
«Альянс групп»предоставляет полный комплекс услуг по доставке оборудования в любую точку страны, любым видом транспорта.
Получить приобретённый товар Вы можете удобным для Вас способом:
- Самовывозом с нашего склада, расположенного по адресу- г. Москва, 104 км. МКАД, д. 8А.
- Воспользоваться услугой доставки в пределах Москвы и Московской области. Заказ и согласование даты доставки осуществляется через Вашего менеджера.
Если сумма заказа превышает 50 тыс. рублей, доставка по одному адресу Получателя осуществляется БЕСПЛАТНО.
- Доставка заказа в регионы России осуществляется через транспортные компании. Доставка груза до транспортной компании производится нашим транспортом.
Тарифы доставки по Москве:
При сумме заказа менее 50 тыс. рублей, доставка по Москве осуществляется по тарифам зоны:
- зона 3 — 500 руб.;
- зона 1 — 1000 руб.;
- зона 2, 4 — 1500 руб.;
- зона 5 — 2000 руб
Транспортные компании, с которыми мы сотрудничаем:
- Деловые линии
- Байкал-Сервис
- СДЭК
- Энергия
- Другим удобным для вас способом по согласованию























