Устройство защиты высокочастотных цепей УЗП-ВЧ SMA предназначено для защиты оборудования, подключённого к коаксиальной линии с волновым сопротивлением 50 Ом, от наведенных напряжений, вызванных электромагнитными импульсами высоких энергий (грозовыми, электростатическими разрядами и т.д.).
УЗП-ВЧ SMA рекомендуется для установки в системах GSM и Wi-Fi для защиты оборудования от импульсных перенапряжений (наводок) в высокочастотных трактах.

Конструктивно изделие выполнено в экранированном алюминиевом корпусе. Основание изделия изготовлено из диэлектрика для исключения образования «земляных петель» и случайного попадания потенциала на корпус в местах установки
-
- Климатическое исполнение соответствует УХЛ1, 5 ГОСТ 15150.
- Степень защиты в соответствии с ГОСТ 14254 IP66.
- Выпускается по техническим условиям ТУ 26.30.50-077-31006686-2017.
Состав и габаритно установочные размеры

| 1. | Устройство защиты высокочастотных цепей УЗП-ВЧ SMA | 1 шт. |
| 2. | Винт М5х8 | 1 шт. |
| 3. | Кольцевой кабельный наконечник | 1 шт. |
| 4. | Шайба стопорная 5 | 1 шт. |
| 5. | Шайба контактная 5 | 1 шт. |
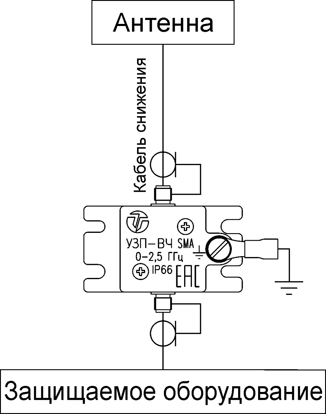
Пример схемы подключения

Пока не грянул гром… [Алгоритм безопасности № 1, 2010]
Безопасность для систем сигнализации или… пока не грянул гром 2
Идем на грозу… Защита сигнальных линий от опасных напряжений. [Алгоритм безопасности №1, 2002]
Не плюй на… землю (неграмотный монтаж – залог отказа). [Алгоритм безопасности – спецвыпуск, 2002]
| Волновое сопротивление | 50 Ом |
| Полоса пропускания по уровню -1 дб | 0÷2,5 ГГц |
| КСВН в диапазоне 20-2480 МГц, не более | 1,6 |
| Потери в диапазоне, МГц: 20-900 (ТВ, КТВ) 900-2000 (КТВ, SAT, GSM) 2400-2480 (Wi-Fi) | 0,2÷0,5 дБ 0,2÷0,6 дБ 0,3÷0,9 дБ |
| Тип разъема | SMA |
| Статическое напряжение пробоя (100 В/с) не более | 110 В |
| Уровень напряжения защиты (динамическое напряжение пробоя (1 кВ/мкс)), не более | 640 В |
| Максимальный разрядный ток (10/350 мкс) | 2 кА |
| Максимальный разрядный ток tимп. 8/20мкс (Imax) | 20 кА |
| Время срабатывания, менее | 25 нсе |
| Диапазон рабочих температур | -60 ÷ +80 °С |
| Габаритные размеры, (ДхВхШ) | 60 х 39 х 32,5 мм |
| Масса с упаковкой | 90 г |
Оплата
Оплатить заказ Вы можете безналичным переводом по реквизитам, указанным в выставленном счёте после оформления заказа.
Доставка
«Альянс групп»предоставляет полный комплекс услуг по доставке оборудования в любую точку страны, любым видом транспорта.
Получить приобретённый товар Вы можете удобным для Вас способом:
- Самовывозом с нашего склада, расположенного по адресу- г. Москва, 104 км. МКАД, д. 8А.
- Воспользоваться услугой доставки в пределах Москвы и Московской области. Заказ и согласование даты доставки осуществляется через Вашего менеджера.
Если сумма заказа превышает 50 тыс. рублей, доставка по одному адресу Получателя осуществляется БЕСПЛАТНО.
- Доставка заказа в регионы России осуществляется через транспортные компании. Доставка груза до транспортной компании производится нашим транспортом.
Тарифы доставки по Москве:
При сумме заказа менее 50 тыс. рублей, доставка по Москве осуществляется по тарифам зоны:
- зона 3 — 500 руб.;
- зона 1 — 1000 руб.;
- зона 2, 4 — 1500 руб.;
- зона 5 — 2000 руб
Транспортные компании, с которыми мы сотрудничаем:
- Деловые линии
- Байкал-Сервис
- СДЭК
- Энергия
- Другим удобным для вас способом по согласованию























