Узел системы видеонаблюдения и регистрации УСВР-4PoE/Wi-Fi

()

Узел системы видеонаблюдения и регистрации УСВР-4PoE/Wi-Fi

Изображение товара

Узел системы видеонаблюдения и регистрации УСВР-4PoE/Wi-Fi предназначен для организации локальной системы видеонаблюдения от 1 до 4-х IP-видеокамер с питанием PoE IEEE 802.3af/(.3at)/(.3bt) и записью на сетевой видеорегистратор. Передача данных на пост наблюдения или соседние аналогичные локальные узлы обеспечивается по «медным» линиям связи по сети Ethernet. Дополнительно обеспечена передача видео и управление по Wi-Fi сети.

УСВР-4PoE/Wi-Fi поставляется с установленным жёстким диском.

Конструктивно узел выполнен в пластиковом пылебрызгозащищенном корпусе и может эксплуатироваться на открытом воздухе либо во влажных помещениях. Поддержание температуры внутри узла, в заданном диапазоне, производится автоматическим включением и отключением встроенного обогревателя.

Узел системы видеонаблюдения и регистрации УСВР-4PoE/Wi-Fi выпускается по техническим условиям ТУ 26.30.50-077-31006686-2017.
По способу защиты человека от поражения электрическим током соответствует классу I по ГОСТ 12.2.007.0-75.
Климатическое исполнение соответствует УХЛ1, 5 ГОСТ 15150-69. Степень защиты IP66.

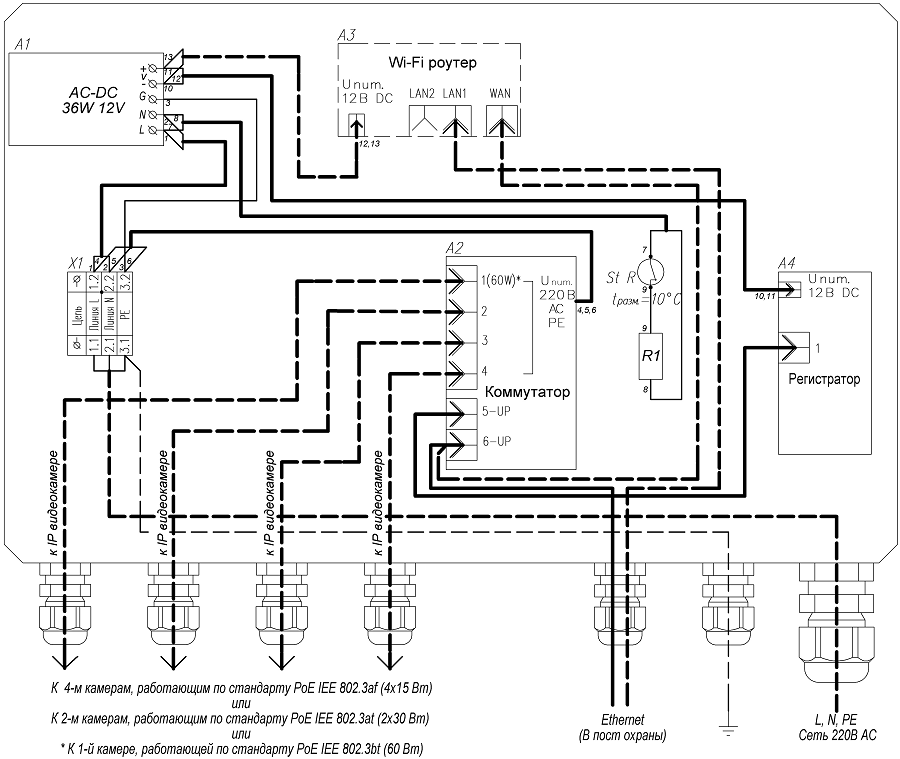
Схема подключения

Узел системы видеонаблюдения и регистрации УСВР-4PoE/Wi-Fi. Изображение  1

Состав изделия

Узел системы видеонаблюдения и регистрации УСВР-4PoE/Wi-Fi. Изображение  1

 

 1. Корпус 1шт.
 2. Панель монтажная 1шт.
 3. Система обогрева в составе:  
    - биметаллический контактный выключатель (St R) 1шт.
    - резистор обогрева (R1) 1шт.
 4. Клемма проходная (S провода до 6 мм2) 2шт.
 5. Клемма заземляющая (S провода до 6 мм2) 1шт.
 6. Неуправляемый коммутатор 2шт.
 7. AC/DC преобразователь 220/12В, 36Вт 1шт.
 8. Wi-Fi роутер (для УСВР-4PoE/Wi-Fi) 1шт.
 9. Сетевой видеорегистратор 1шт.
 10. Гермоввод PGA7 - 08 Ø кабеля 8 ÷ 4,5 мм 6шт.
 11. Гермоввод PGA11 - 10 Ø кабеля 10 ÷ 6 мм 1шт.

 


  1. Напряжение питания 220 В AC ±10%, 50 Гц
  2. Питание подключаемых видеокамер/устройств PoE IEEE 802.3af/(.3at)/(.3bt)
  3. Максимальная мощность, подключаемых видеокамер/устройств, не более, 
       – по стандарту PoE IEEE 802.3af (порты 1-4)4х15 Вт
       – по стандарту PoE IEEE 802.3af (порты 1-4)2х30 Вт
       – по стандарту PoE IEEE 802.3bt (порт 1)60 Вт
       – общий бюджет PoE60 Вт
  4. Сетевой видеорегистратор (СВР) 4CH 5.0Mp (с установленным жёстким диском), Onvif/облако, приложение мобильного мониторинга, обнаружение лиц( с камерами на чипсетах XM530 и XM550): 
     – Формат сжатия аудиоg711a
     – Разрешение видео (при частоте кадров 25 к/с)720P, 960P, 1080P, 3MP, 4MP, 5MP
     – Формат сжатия видеоH.264, H.265
     – Жёсткий диск2.5′, 1 Тбайт
     – Сетевой интерфейсRJ45 10/100 Base Ethernet
     – Сетевой протоколsmtp, ftp, HTTP, dhcp, DNS, TCP/IP, upnp, ddns, pppoe
     – Режим IPСтатический IP-адрес
  5. Обогрев: 
     – напряжение питания220 В AC ±10%, 50 Гц
     – потребляемая мощность22 Вт
  6. Диапазон рабочих температур– 40°С…+50°С
  7. Диапазон включения/отключения обогрева0°С ±3°С / +10°С ±3°С
  8. Максимальная потребляемая мощность123 Вт
  9. Материалы и поверхности изделия: 
     – корпусАБС пластик
     – монтажная панельалюминий
  10. Габаритные размеры (с гермовводами)300 х 230 х 110 мм
  11. Вес с упаковкой, не более3 кг

Тахион
47000

Не является публичной офертой

Описание

Узел системы видеонаблюдения и регистрации УСВР-4PoE/Wi-Fi предназначен для организации локальной системы видеонаблюдения от 1 до 4-х IP-видеокамер с питанием PoE IEEE 802.3af/(.3at)/(.3bt) и записью на сетевой видеорегистратор. Передача данных на пост наблюдения или соседние аналогичные локальные узлы обеспечивается по «медным» линиям связи по сети Ethernet. Дополнительно обеспечена передача видео и управление по Wi-Fi сети.

УСВР-4PoE/Wi-Fi поставляется с установленным жёстким диском.

Конструктивно узел выполнен в пластиковом пылебрызгозащищенном корпусе и может эксплуатироваться на открытом воздухе либо во влажных помещениях. Поддержание температуры внутри узла, в заданном диапазоне, производится автоматическим включением и отключением встроенного обогревателя.

Узел системы видеонаблюдения и регистрации УСВР-4PoE/Wi-Fi выпускается по техническим условиям ТУ 26.30.50-077-31006686-2017.
По способу защиты человека от поражения электрическим током соответствует классу I по ГОСТ 12.2.007.0-75.
Климатическое исполнение соответствует УХЛ1, 5 ГОСТ 15150-69. Степень защиты IP66.

Схема подключения

Узел системы видеонаблюдения и регистрации УСВР-4PoE/Wi-Fi. Изображение  1

Состав изделия

Узел системы видеонаблюдения и регистрации УСВР-4PoE/Wi-Fi. Изображение  1

 

 1. Корпус 1шт.
 2. Панель монтажная 1шт.
 3. Система обогрева в составе:  
    - биметаллический контактный выключатель (St R) 1шт.
    - резистор обогрева (R1) 1шт.
 4. Клемма проходная (S провода до 6 мм2) 2шт.
 5. Клемма заземляющая (S провода до 6 мм2) 1шт.
 6. Неуправляемый коммутатор 2шт.
 7. AC/DC преобразователь 220/12В, 36Вт 1шт.
 8. Wi-Fi роутер (для УСВР-4PoE/Wi-Fi) 1шт.
 9. Сетевой видеорегистратор 1шт.
 10. Гермоввод PGA7 - 08 Ø кабеля 8 ÷ 4,5 мм 6шт.
 11. Гермоввод PGA11 - 10 Ø кабеля 10 ÷ 6 мм 1шт.

 


  1. Напряжение питания 220 В AC ±10%, 50 Гц
  2. Питание подключаемых видеокамер/устройств PoE IEEE 802.3af/(.3at)/(.3bt)
  3. Максимальная мощность, подключаемых видеокамер/устройств, не более, 
       – по стандарту PoE IEEE 802.3af (порты 1-4)4х15 Вт
       – по стандарту PoE IEEE 802.3af (порты 1-4)2х30 Вт
       – по стандарту PoE IEEE 802.3bt (порт 1)60 Вт
       – общий бюджет PoE60 Вт
  4. Сетевой видеорегистратор (СВР) 4CH 5.0Mp (с установленным жёстким диском), Onvif/облако, приложение мобильного мониторинга, обнаружение лиц( с камерами на чипсетах XM530 и XM550): 
     – Формат сжатия аудиоg711a
     – Разрешение видео (при частоте кадров 25 к/с)720P, 960P, 1080P, 3MP, 4MP, 5MP
     – Формат сжатия видеоH.264, H.265
     – Жёсткий диск2.5′, 1 Тбайт
     – Сетевой интерфейсRJ45 10/100 Base Ethernet
     – Сетевой протоколsmtp, ftp, HTTP, dhcp, DNS, TCP/IP, upnp, ddns, pppoe
     – Режим IPСтатический IP-адрес
  5. Обогрев: 
     – напряжение питания220 В AC ±10%, 50 Гц
     – потребляемая мощность22 Вт
  6. Диапазон рабочих температур– 40°С…+50°С
  7. Диапазон включения/отключения обогрева0°С ±3°С / +10°С ±3°С
  8. Максимальная потребляемая мощность123 Вт
  9. Материалы и поверхности изделия: 
     – корпусАБС пластик
     – монтажная панельалюминий
  10. Габаритные размеры (с гермовводами)300 х 230 х 110 мм
  11. Вес с упаковкой, не более3 кг
Характеристики
Артикул производителя:40137Бренд:ТахионСортировка для цены:1000Снято с производства:N

Оплата

Оплатить заказ Вы можете безналичным переводом по реквизитам, указанным в выставленном счёте после оформления заказа.

Доставка

«Альянс групп»предоставляет полный комплекс услуг по доставке оборудования в любую точку страны, любым видом транспорта.

Получить приобретённый товар Вы можете удобным для Вас способом:

  • Самовывозом с нашего склада, расположенного по адресу- г. Москва, 104 км. МКАД, д. 8А.
  • Воспользоваться услугой доставки в пределах Москвы и Московской области. Заказ и согласование даты доставки осуществляется через Вашего менеджера.

Если сумма заказа превышает 50 тыс. рублей, доставка по одному адресу Получателя осуществляется БЕСПЛАТНО.

  • Доставка заказа в регионы России осуществляется через транспортные компании. Доставка груза до транспортной компании производится нашим транспортом.

Тарифы доставки по Москве:


При сумме заказа менее 50 тыс. рублей, доставка по Москве осуществляется по тарифам зоны:

  • зона 3 — 500 руб.;
  • зона 1 — 1000 руб.;
  • зона 2, 4 — 1500 руб.;
  • зона 5 — 2000 руб

Транспортные компании, с которыми мы сотрудничаем:

Вас также может заинтересовать: