Назначение
Приборы ВЕРСЕТ 03, ВЕРСЕТ 06, ВЕРСЕТ 09 являются универсальными многофункциональными приборами для обеспечения многих вариантов безопасности на объектах. Приборы обеспечивает охрану от проникновения посторонних лиц в охраняемое помещение, пожарную сигнализацию и пожарное оповещение.
Также с помощью приборов ВЕРСЕТ 03, ВЕРСЕТ 06, ВЕРСЕТ 09 может быть организован контролируемый проход в охраняемое помещение. Удержание двери в закрытом состоянии выполняется с помощью электромагнитного замка. Вход в помещение осуществляется по ключам управления доступом (могут быть использованы электронные ключи, Proximity-карты, пароли, вводимые с кодонаборной клавиатуры).
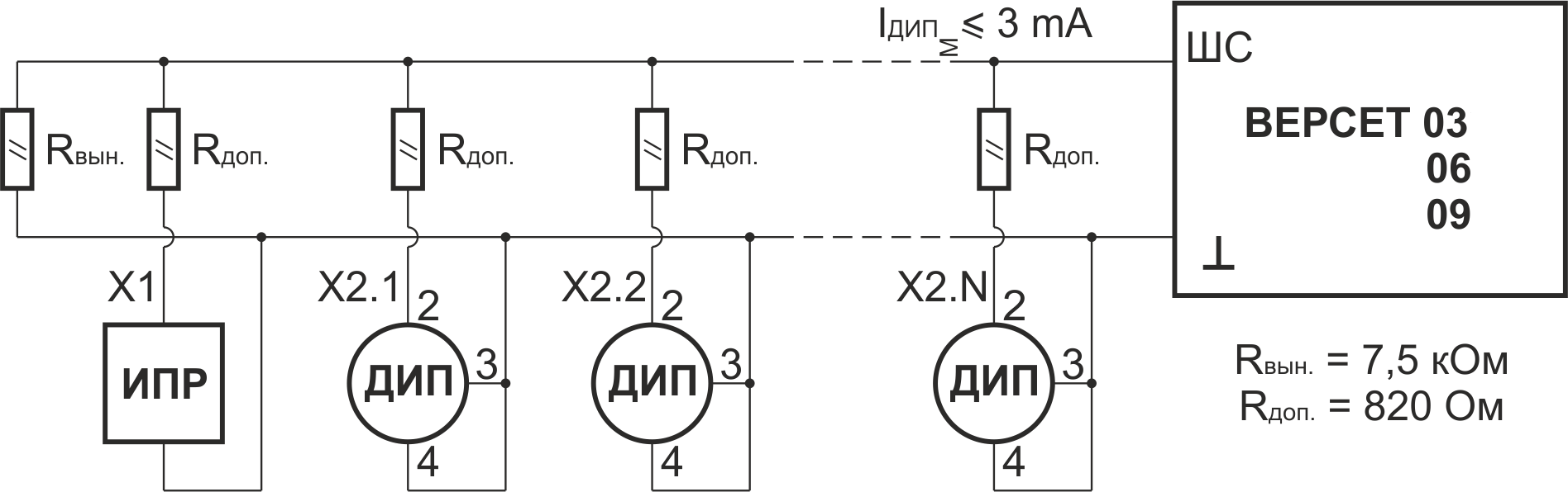
Приборы имеют контрольные (технологические) шлейфы, к которым могут быть подключены различные датчики: температурные, освещенности, протечки воды. Управление оборудованием при срабатывании датчиков выполняется с помощью мощных реле прибора.
Реализованный в приборах источник питания обеспечивает работу приборов при значительных отклонениях питающего напряжения от номинального, допустимы значения напряжения сети от 110 до 250 В.
При отсутствии сетевого напряжения источник питания обеспечивает работу прибора от резервного аккумулятора (АКБ) 4,5 Ач или 7 Ач, или внешнего резервированного источника питания.
Особенности
- Простота настройки прибора. Настройка прибора не требует компьютера, выполняется с помощью кнопок на лицевой панели. При настройке выбираются тактики работы прибора и шлейфов сигнализации, задается работа реле прибора.
- Изменяемые типы шлейфов прибора. Тип шлейфа задается в зависимости от его назначения: охранный, пожарный, технологический, неиспользуемый.
- Зоны охраны и, соответственно, шлейфы прибора могут быть объединены в разделы. В разделы объединяются однотипные шлейфы. Количество разделов может быть от одного до четырёх.
- Способы постановки зон и разделов на охрану и снятия с охраны:
- кнопками на панели прибора (пожарные зоны, охранные зоны);
- В приборе реализованы способы управления оповещением при пожаре:
- вручную с панели индикации прибора с помощью кнопки «ПУСК»;
- дистанционно, с помощью устройства дистанционного пуска (УДП), включенного в пожарный ШС.
- В приборе реализованы возможности значительно облегчающие его эксплуатацию:
- Прибор определяет неисправности шлейфов сигнализации, линий подключения, оборудования прибора. Прибор показывает причины неисправности числом миганий светодиода «НЕИСПРАВНОСТЬ».
- В приборе обеспечивается запоминание и индикация состояния неисправности линий подключения светового оповещателя, звукового оповещателя, табло «ВЫХОД», сети питания прибора, аккумулятора прибора, а также неисправности внешних технических средств, подключенных к прибору. Это дает дополнительную информацию для оперативного устранения неполадок во внешних системах, подключенных к прибору.
- В приборе обеспечено низкое токопотребление. При отсутствии сетевого напряжения источник питания обеспечивает работу прибора от резервного аккумулятора 4,5 Ач или 7 Ач, аккумуляторы обеспечивают автономную работу прибора в течение не менее 25 часов или 39 часов соответственно.
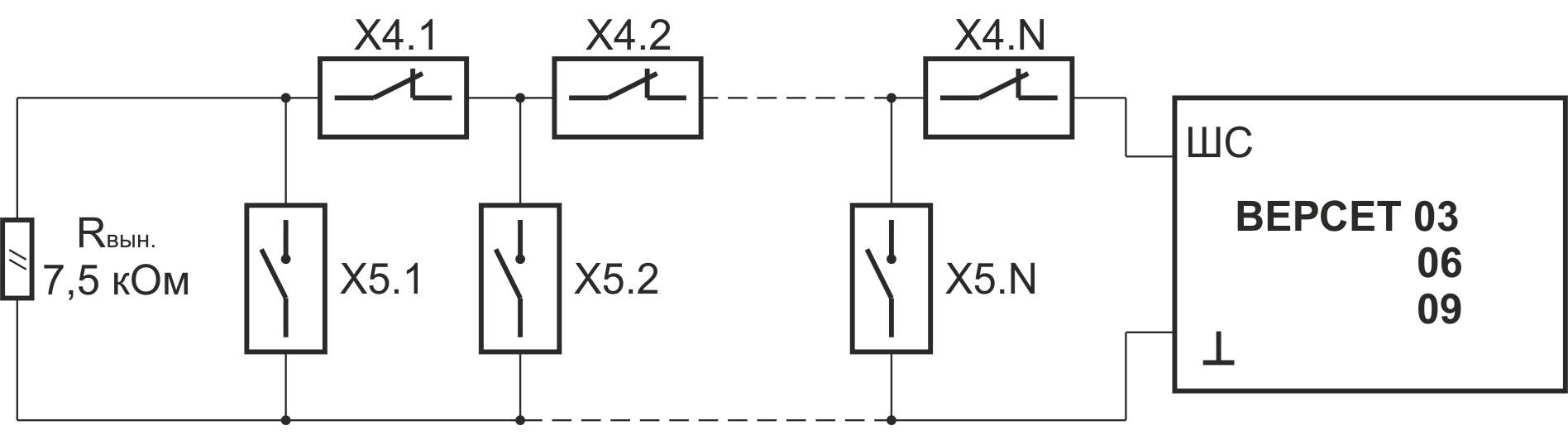
| Количество шлейфов сигнализации | 6 шт. | Количество идентификаторов (proximity-карт, цифровых кодов, брелоков, ключей ТМ) | 220 шт | Напряжение на клеммах подключения ШСв дежурном режимев разомкнутом состоянии | 15,3…18,7 В 21…23 В | Максимальный ток на клеммах ШСдля токопотребляющих извещателейпри замкнутом состоянии ШС | 2,85 мА18…22 мА | Питание прибора:от сети переменного тока частотой 50 ± 1 Гцот аккумулятора | 110…250 В 10,2…13,8 В | Максимальная мощность, потребляемая прибором от сети переменного тока | 12 ВА | Средний ток, потребляемый прибором (без учета внешней нагрузки по цепи 12 В и выносных оповещателей) в дежурном режиме от внутреннего резервного аккумулятора при пропадании сети питания, не более | 0,18 А | Время работы прибора от АКБ 4,5 Ач при пропадании сетевого напряжения, не менее:в дежурном режиме без внешней нагрузки по цепи 12 Вв режиме тревоги при полной нагрузке по цепи 12 В | 25 ч. 3 ч. | Время работы прибора от АКБ 7 Ач при пропадании сетевого напряжения, не менее:в дежурном режиме без внешней нагрузки по цепи 12 В в режиме тревоги при полной нагрузке по цепи 12 В | 39 ч. 5 ч. | Напряжение, выдаваемое прибором на внешнюю нагрузку | 10…14 В | Суммарный ток внешней нагрузки прибора по цепи 12 В (без АКБ), не более: | 1 А | Максимальный ток внешней нагрузки прибора по цепи 12 В (при наличии АКБ или внешнего РИП), не более | 1 А | Максимальный суммарный ток по выходам оповещения «-СО», «-ЗО»,«-ТВ», не более | 1 А | Максимальный ток по выходу оповещения («-СО», «-ЗО», «-ТВ») в кратковременном режиме (не более 5 мин.), не более | 1 А | Максимальный ток по выходу оповещения («-СО», «-ЗО», «-ТВ») в постоянном режиме, не более | 0,5 А | 0,5 А | 10…10,5 В | Задержки для охранного ШС (выбираемые):задержка взятия на охрану для тактики «с задержкой взятия» и «с открытой дверью»задержка включения вешнего звукового оповещателя (сирены) при нарушении ШС | 15, 30, 45, 60 с 0, 15, 30, 60 с | На контактах реле 1, реле 2, реле 3 прибора:Напряжение переменного тока, не болееНапряжение постоянного тока, не болееТок, не более | 250 В24 В3 А | На контактах реле 4 прибора:Напряжение переменного тока, не болееНапряжение постоянного тока, не болееТок, не более | 240 В100 В0,1 А | Степень защиты, не менее | IP40 | Вероятность эффективного срабатывания прибора | 0,98 | Диапазон рабочих температур (без АКБ) | -40…50 °С | Габаритные размеры прибора, не более | 250х210х80 мм | Масса прибора без аккумулятора, не более | 1 кг |
Оплата
Оплатить заказ Вы можете безналичным переводом по реквизитам, указанным в выставленном счёте после оформления заказа.
Доставка
«Альянс групп»предоставляет полный комплекс услуг по доставке оборудования в любую точку страны, любым видом транспорта.
Получить приобретённый товар Вы можете удобным для Вас способом:
- Самовывозом с нашего склада, расположенного по адресу- г. Москва, 104 км. МКАД, д. 8А.
- Воспользоваться услугой доставки в пределах Москвы и Московской области. Заказ и согласование даты доставки осуществляется через Вашего менеджера.
Если сумма заказа превышает 50 тыс. рублей, доставка по одному адресу Получателя осуществляется БЕСПЛАТНО.
- Доставка заказа в регионы России осуществляется через транспортные компании. Доставка груза до транспортной компании производится нашим транспортом.
Тарифы доставки по Москве:
При сумме заказа менее 50 тыс. рублей, доставка по Москве осуществляется по тарифам зоны:
- зона 3 — 500 руб.;
- зона 1 — 1000 руб.;
- зона 2, 4 — 1500 руб.;
- зона 5 — 2000 руб
Транспортные компании, с которыми мы сотрудничаем:
- Деловые линии
- Байкал-Сервис
- СДЭК
- Энергия
- Другим удобным для вас способом по согласованию




























