Видеокамера взрывозащищенная сетевая серии «Корунд-ВБ Смарт» ТВК-65-IP-4М-V2812-PoE+ Ex наружной установки предназначена для визуального (на экране монитора) наблюдения охраняемых (контролируемых) объектов через информационные сети.
Область применения: обеспечение охраны, безопасности и контроля за технологическими процессами взрывоопасных производств нефтяной, нефтеперерабатывающей, нефтехимической, газовой и других промышленностей народного хозяйства, опасных по газу и пыли.
Место установки: наружные пространства и внутренние пространства помещений, классифицированные как взрывоопасные зоны классов 1, 2, 21 и 22 (при классификации по зональному принципу), где возможно образование взрывоопасных газовых смесей подгрупп IIА, IIВ, IIC, пылевых сред подгрупп IIIА, IIIВ, IIIC, температурных классов Т1-Т6 или взрывоопасные зоны класса В-I, В-Iа, В-Iб, В-Iг, согласно главе 7.3 «Правил устройства электроустановок» (ПУЭ).
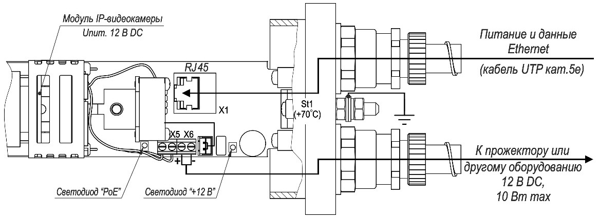
Питание видеокамеры осуществляется от инжектора (коммутатора) PoE стандарта IEEE 802.3af или IEEE 802.3at по кабелю UTP категории 5e (в комплект поставки не входит).
Видеокамера произведена в термокожухе ТГБ-4М Ex IIC, выполненном в виде взрывонепроницаемой оболочки по ГОСТ 31610.0 (IEC 60079‑0), ГОСТ IEC 60079-1, ГОСТ IEC 60079-31 с маркировкой взрывозащиты 1Ex db IIС T6 Gb X / Ex tb IIIC T80°C Db X cо степенью защиты IP66/IP68, обеспечиваемой оболочкой, и по уровню защиты относится к взрывобезопасному электрооборудованию.
Видеокамера имеет высокую чувствительность благодаря матрице "Старлайт" в режиме цвет 0,0001 лк и поддерживает формат видеосжатия H.265+.
Видеокамера имеет функции:
- обнаружения фигур и лиц людей;
- обнаружения пересечения линии или зоны человеком;
- контроля потери изображения при совместной работе с регистраторами смарт.
Изделие обеспечивает:
- автоматическое включение/отключение встроенного обогревателя в заданном диапазоне температур;
- безаварийное включение электропитания IP-видеокамеры при отрицательной температуре внутри термокожуха при перерывах в электропитании, исключая выход IP-видеокамеры из строя при запуске;
- охлаждение IP-видеокамеры при повышенных температурах (встроенный вентилятор).
Смотровое окно выполнено из ударопрочного каленого стекла.
Видеокамера выпускается по техническим условиям ТУ 26.30.50-081-31006686-2019.
Видеокамера соответствует:
- техническим требованиям – ГОСТ Р 51558;
- требованиям по безопасности – ГОСТ Р МЭК 60065;
- требованиям по ЭМС – ГОСТ Р 50009, ГОСТ 30804.3.2, ГОСТ 30804.3.3;
- III классу степени защиты от поражения электрическим током по ГОСТ 12.2.007.0.;
- климатическому исполнению – УХЛ1, 5 по ГОСТ 15150;
- степени защиты – IP66/IP68 по ГОСТ 14254.
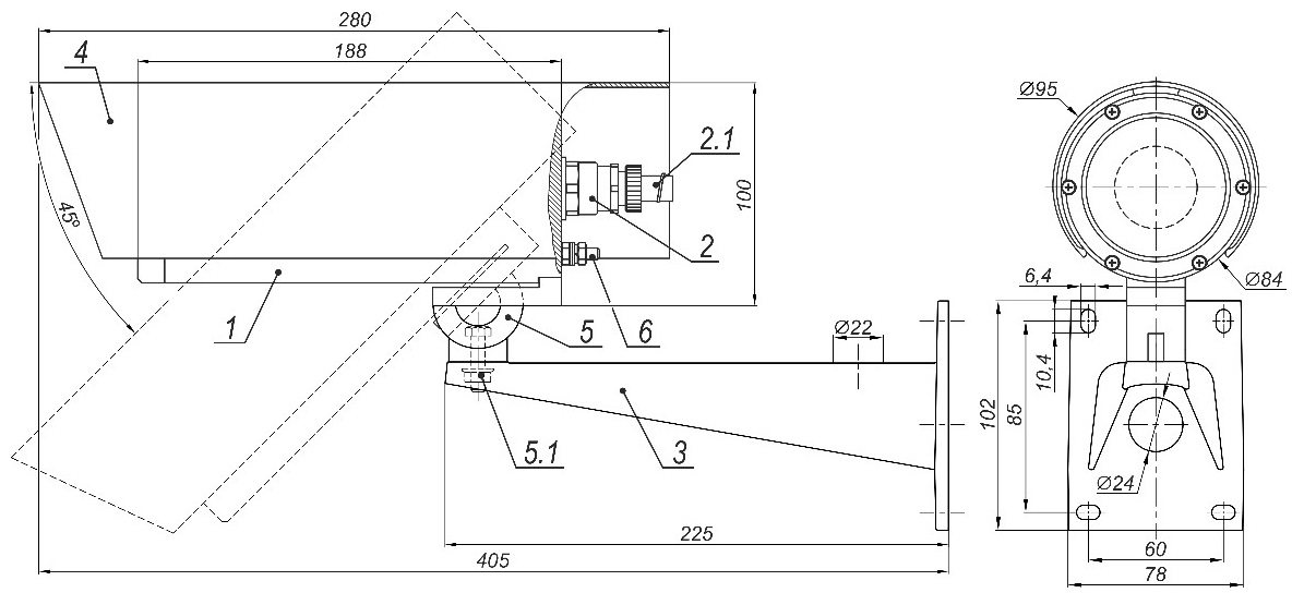
Состав видеокамеры. Габаритные и установочные размеры

| 1 | Видеокамера серии «Корунд-ВБ Смарт» |
| 2 | Кабельные вводы для небронированного кабеля – Ø кабеля 3,1–8,6* мм – 2 шт. (один кабельный ввод имеет заглушку) |
| 2.1. | Держатель металлорукава (РЗ-ЦХ-12 или МРПИ-12 – Øвн./Øнар=12/15 мм) |
| 3 | Кронштейн |
| 4 | Солнцезащитный козырёк |
| 5 | Шарнир |
| 5.1 | Гайка болта фиксации шарнира |
| 6 | Клемма заземления |
* Кабельные вводы для кабелей другого диаметра устанавливаются по отдельной заявке.
Подключение

ВИДЕОНАБЛЮДЕНИЕ ВО ВЗРЫВОПОЖАРООПАСНОЙ СРЕДЕ
СИСТЕМЫ ВИДЕОНАБЛЮДЕНИЯ ДЛЯ ПЕРИМЕТРА: СТАНДАРТНЫЕ ЗАДАЧИ — СТАНДАРТНОЕ ОБОРУДОВАНИЕ [Алгоритм безопасности № 2, 2019]
Питание всепогодных видеокамер – очень просто об очень важном
Климатические испытания. Что имеем и чем руководствоваться
Не плюй на… землю (неграмотный монтаж – залог отказа). [Алгоритм безопасности – спецвыпуск, 2002]
Что и как увидит ваша камера. [Алгоритм безопасности, декабрь 2001]
| ТВК-65-IP-4M–V2812-PoE+ Ex | ТВК-65-IP-4M–V550-PoE+ Ex |
| Взрывозащищённое исполнение | 1Ex db IIC T6 Gb X / Ex tb IIIC T80°C Db X |
| Тип камеры | цветная «день-ночь» (механический ИК-фильтр) |
| 1/3” Black light illumination CMOS | 1/2.8” Black light CMOS |
| 1920х1080 (Full HD) (2 Мп) | 2304х1296 (3 Мп) 1920х1080 (2 Мп) |
| 704х576 | 800х448 |
| Чувствительность при F=1,2 | 0,0001 лк (днем)/ 0,0001 лк (ночью) |
| Видеокодеки | H.265Al/H.265+ (совместимы с H.265/H.264) |
| Многопотоковая передача | одновременная передача двух потоков |
| 25 к/сек | 20 к/сек (3 Мп) 25 к/сек (2 Мп) |
| 25 к/сек | |
| Электронный затвор | 1/50 – 1/10000 сек |
| Объектив | с переменным фокусным расстоянием |
| ручная регулировка | моторизированный |
| 2,8-12* мм | 5-50* мм |
| Система шумоподавления | 2D/3D |
| Динамический диапазон (WDR) | Цифровой |
| Сетевой интерфейс | 10/100M Ethernet |
| Поддерживаемые сетевые протоколы | ONVIF / RTSP / FTP / DHCP / NTP / UPnP |
| Видеоаналитика | обнаружение фигур и лиц людей, обнаружение пересечения линии или зоны человеком, контроль потери изображения |
| Другие функции | ВЕБ-интерфейс, экранное меню, передача видео в реальном времени, обнаружение движения, привязка изображений, захват JPEG, программное обеспечение для удаленного мониторинга CMS, аппаратное сжатие, система «watch dog» |
| Просмотр с мобильных устройств | множественный доступ с iOS и Android |
| Питание изделия | IEEE 802.3af (PoE), IEEE 802.3at (PoE+) |
| Максимальная потребляемая мощность (IEEE 802.3at), не более: в режиме включенного обогрева в режиме выключенного обогрева | 12,9 Вт 6 Вт |
| Температура вкл./откл. холодного запуска | -10°С ± 3°С / -15°С ± 3°С |
| Диапазон температуры окружающей среды при эксплуатации | -60°С … +50°С |
| Влажность воздуха | до 100% при +25°С |
| Устойчивость к несанкционированным действиям (НСД) | II (средняя) по ГОСТ Р 51558 |
| Устойчивость к низким температурам | III (высокая) по ГОСТ Р 51558 |
| Устойчивость к внешним воздействиям | III (высокая) по ГОСТ Р 51558 |
| Степень защиты оболочки | IP66/IP68 по ГОСТ 14254 |
| Материал корпуса | сплав алюминиевый, покрытие – краска порошковая RAL9002 |
| Габаритные и установочные размеры | см. рисунок |
| Масса с упаковкой, не более | 3 кг |
| Режим работы | круглосуточный |
| IP-адрес | 192.168.1.230; логин: admin (пароль отсутствует) |
Оплата
Оплатить заказ Вы можете безналичным переводом по реквизитам, указанным в выставленном счёте после оформления заказа.
Доставка
«Альянс групп»предоставляет полный комплекс услуг по доставке оборудования в любую точку страны, любым видом транспорта.
Получить приобретённый товар Вы можете удобным для Вас способом:
- Самовывозом с нашего склада, расположенного по адресу- г. Москва, 104 км. МКАД, д. 8А.
- Воспользоваться услугой доставки в пределах Москвы и Московской области. Заказ и согласование даты доставки осуществляется через Вашего менеджера.
Если сумма заказа превышает 50 тыс. рублей, доставка по одному адресу Получателя осуществляется БЕСПЛАТНО.
- Доставка заказа в регионы России осуществляется через транспортные компании. Доставка груза до транспортной компании производится нашим транспортом.
Тарифы доставки по Москве:
При сумме заказа менее 50 тыс. рублей, доставка по Москве осуществляется по тарифам зоны:
- зона 3 — 500 руб.;
- зона 1 — 1000 руб.;
- зона 2, 4 — 1500 руб.;
- зона 5 — 2000 руб
Транспортные компании, с которыми мы сотрудничаем:
- Деловые линии
- Байкал-Сервис
- СДЭК
- Энергия
- Другим удобным для вас способом по согласованию























