Видеокамера взрывозащищенная мультиформатная серии «Корунд-ВБ» наружной установки ТВК-50MF-4МВБ-V2811-24VDC предназначена для визуального (на экране монитора) наблюдения охраняемых (контролируемых) объектов через информационные сети.
Область применения: обеспечение охраны, безопасности и контроля за технологическими процессами взрывоопасных производств нефтяной, нефтеперерабатывающей, нефтехимической, газовой и других промышленностей народного хозяйства, опасных по газу и пыли.
Место установки: наружные пространства и внутренние пространства помещений, классифицированные как взрывоопасные зоны классов 1, 2, 21 и 22 (при классификации по зональному принципу), где возможно образование взрывоопасных газовых смесей подгрупп IIА, IIВ, IIC, пылевых сред подгрупп IIIА, IIIВ, IIIC, температурных классов Т1-Т6 или взрывоопасные зоны класса В-I, В-Iа, В-Iб, В-Iг, согласно главе 7.3 «Правил устройства электроустановок» (ПУЭ).
Видеокамера выполнена в термокожухе ТГБ-4М Ex IIC в виде взрывонепроницаемой оболочки по ГОСТ 31610.0 (IEC 60079‑0), ГОСТ IEC 60079-1, ГОСТ IEC 60079-31 с маркировкой взрывозащиты 1Ex db IIС T6 Gb X / Ex tb IIIC T80°C Db X cо степенью защиты, обеспечиваемой оболочкой – IP66/IP68, и по уровню защиты относится к взрывобезопасному электрооборудованию.
Видеокамера обеспечивает:
- автоматическое включение/отключение встроенного обогревателя в заданном диапазоне температур;
- безаварийное включение электропитания видеокамеры при отрицательной температуре внутри термокожуха, обеспечивая надежную работу видеокамеры при перерывах в электропитании и исключая выход видеокамеры из строя при запуске;
- охлаждение видеокамеры при повышенных температурах (встроенный вентилятор).
Смотровое окно выполнено из ударопрочного каленого стекла.
Модуль видеокамеры изолирован от корпуса гермобокса.
Видеокамера выпускается по техническим условиям ТУ 4372-055-31006686-2014.
Видеокамера соответствует:
- техническим требованиям - ГОСТ Р 51558;
- требованиям по безопасности – ГОСТ Р МЭК 60065;
- требованиям по ЭМС – ГОСТ Р 50009, ГОСТ 30804.3.2, ГОСТ 30804.3.3;
- степени защиты от поражения электрическим током – III классу по ГОСТ 12.2.007.0.
Климатическое исполнение видеокамеры соответствует УХЛ1, 5 по ГОСТ 15150. Степень защиты IP66/IP68.
Состав видеокамеры. Габаритные и установочные размеры

| 1 | Видеокамера в термокожухе ТГБ-4М Ex IIC |
| 2 | Гермовводы для небронированного кабеля - Ø кабеля 3,2÷8,1*мм - 2 шт. (один гермоввод имеет заглушку) |
| 2.1. | Держатель металлорукава (РЗ-ЦХ-12 или МРПИ-12 – Øвн./Øнар=12/15 мм) |
| 3 | Кронштейн |
| 4 | Солнцезащитный козырёк |
| 5 | Шарнир |
| 5.1 | Гайка болта фиксации шарнира |
| 6 | Болт заземления |
* Гермовводы для кабелей другого диаметра устанавливаются по отдельной заявке.
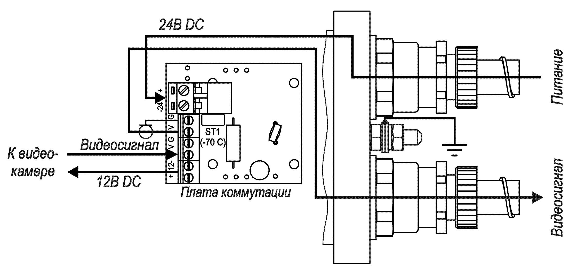
Подключение

ВИДЕОНАБЛЮДЕНИЕ ВО ВЗРЫВОПОЖАРООПАСНОЙ СРЕДЕ
СИСТЕМЫ ВИДЕОНАБЛЮДЕНИЯ ДЛЯ ПЕРИМЕТРА: СТАНДАРТНЫЕ ЗАДАЧИ — СТАНДАРТНОЕ ОБОРУДОВАНИЕ [Алгоритм безопасности № 2, 2019]
Питание всепогодных видеокамер – очень просто об очень важном
Климатические испытания. Что имеем и чем руководствоваться
Не плюй на… землю (неграмотный монтаж – залог отказа). [Алгоритм безопасности – спецвыпуск, 2002]
Что и как увидит ваша камера. [Алгоритм безопасности, декабрь 2001]
| Тип камеры | цветная «день-ночь» (электромеханический ИК-фильтр) |
| Специальное исполнение (взрывозащита) | 1Ex db IIC T6 Gb X / Ex tb IIIC T80°C Db X |
| Матрица | 1/2,8” CMOS |
| Разрешение | 1920х1080 (Full HD) (2 Мп) |
| Видеостандарт* | AHD / TVI / CVI / CVBS (NTSC, PAL) |
| Чувствительность при F=1,2 и fmin | 0,001 лк (днем) / 0,0001 лк (ночью) |
| Фокусное расстояние объектива** (f) | 2,8-11 мм |
| Автоматическая регулировка диафрагмы | есть |
| Система шумоподавления | 3D-DNR |
| Напряжение питания*** | 24 В DС |
| Мощность обогрева | 17 Вт |
| Потребляемая мощность: вкл. обогрева / откл. обогрева | 24 Вт / 7 Вт |
| Вывод кабеля | 2 гермоввода (см. п.2 Состав изделия) |
| Климатические условия работы | диапазон рабочих температур -60ºС ÷ +50ºС влажность воздуха до 100% при +25ºС |
| Температура холодного запуска откл./вкл. | -10°С / -5°С |
| Габаритные и установочные размеры | см. рисунок |
| Вес в упаковке | 3 кг |
| Режим работы | круглосуточный |
Оплата
Оплатить заказ Вы можете безналичным переводом по реквизитам, указанным в выставленном счёте после оформления заказа.
Доставка
«Альянс групп»предоставляет полный комплекс услуг по доставке оборудования в любую точку страны, любым видом транспорта.
Получить приобретённый товар Вы можете удобным для Вас способом:
- Самовывозом с нашего склада, расположенного по адресу- г. Москва, 104 км. МКАД, д. 8А.
- Воспользоваться услугой доставки в пределах Москвы и Московской области. Заказ и согласование даты доставки осуществляется через Вашего менеджера.
Если сумма заказа превышает 50 тыс. рублей, доставка по одному адресу Получателя осуществляется БЕСПЛАТНО.
- Доставка заказа в регионы России осуществляется через транспортные компании. Доставка груза до транспортной компании производится нашим транспортом.
Тарифы доставки по Москве:
При сумме заказа менее 50 тыс. рублей, доставка по Москве осуществляется по тарифам зоны:
- зона 3 — 500 руб.;
- зона 1 — 1000 руб.;
- зона 2, 4 — 1500 руб.;
- зона 5 — 2000 руб
Транспортные компании, с которыми мы сотрудничаем:
- Деловые линии
- Байкал-Сервис
- СДЭК
- Энергия
- Другим удобным для вас способом по согласованию























