Видеокамера сетевая наружной установки ТВК-91-IP-8Г-V2812-24VDC/AC Ex предназначена для визуального (на экране монитора) наблюдения охраняемых (контролируемых) объектов во взрывоопасных зонах классов 1, 2, 21 и 22 (при классификации по зональному принципу), где возможно образование взрывоопасной смеси группы I и взрывоопасных газовых смесей подгрупп IIА, IIВ, IIC, пылевых сред подгрупп IIIА, IIIВ, IIIC, температурных классов Т1-Т6 или взрывоопасные зоны класса В-I, В-Iа, В-Iб, В-Iг, согласно главе 7.3 «Правил устройства электроустановок» (ПУЭ).
Видеокамера произведена в термокожухе ТГБ-8Г Ex, выполненном в виде взрывонепроницаемой оболочки по ГОСТ 31610.0 (IEC 60079-0), ГОСТ IEC 60079-1, ГОСТ IEC 60079-31 с маркировкой взрывозащиты РВ Ех db I Mb X / 1Ех db IIC Т6 Gb Х / Ех tb IIIC Т80°C Db cо степенью защиты IP66/IP68, обеспечиваемой оболочкой, и по уровню защиты относится к взрывобезопасному электрооборудованию.
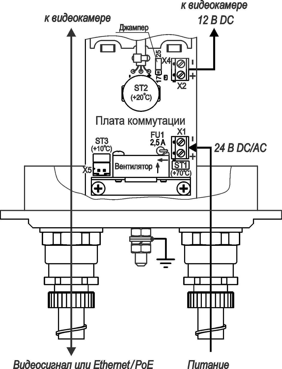
Видеокамера обеспечивает:
- автоматическое включение/отключение встроенного обогревателя в заданном диапазоне температур;
- безаварийное включение электропитания IP-видеокамеры при отрицательной температуре внутри термокожуха при перерывах в электропитании, исключая выход IP-видеокамеры из строя при запуске;
- охлаждение IP-видеокамеры при повышенных температурах (встроенный вентилятор);
- две ступени мощности обогрева, что позволяет оптимизировать электропотребление и использовать видеокамеры в разных климатических зонах в соответствии с ГОСТ 15150.
Модуль IP-видеокамеры изолирован от корпуса термокожуха.
Смотровое окно выполнено из ударопрочного калёного стекла.
Видеокамера выпускается по техническим условиям ТУ 26.30.50-083-31006686-2021.
Видеокамера соответствует:
- техническим требованиям – ГОСТ Р 51558;
- требованиям безопасности – ГОСТ Р МЭК 60065;
- требованиям ЭМС – ГОСТ Р 50009, ГОСТ 30804.3.2, ГОСТ 30804.3.3;
- III классу степени защиты от поражения электрическим током по ГОСТ 12.2.007.0;
- климатическому исполнению – УХЛ1, 5 по ГОСТ 15150;
- степени защиты – IP66/IP68 по ГОСТ 14254.
Габаритные и установочные размеры:

| 1. | Видеокамера серии ТВК |
| 2. | Кронштейн |
| 3. | Солнцезащитный козырёк |
| 4. | Кабельный ввод для небронированного кабеля – Ø кабеля 3,1–8,6* мм – 2 шт. |
| 4.1. | Держатель металлорукава (РЗ-ЦХ-12 или МРПИ-12 – Øвн./ Øнар=12/15 мм) |
| 5. | Шарнир |
| 5.1 | Болты фиксации шарнира М6 – 4 шт. |
| 5.2 | Винты фиксации шарнира М4 с цилиндрической головкой S=3 мм – 2 шт. |
| 5.3 | Болт и гайка фиксации шарнира |
| 6 | Клемма заземления |
* Кабельные вводы для кабелей другого диаметра и других металлорукавов, а также для бронированных кабелей устанавливаются по отдельной заявке.
Схема подключения:

Структура условного обозначения видеокамеры:

ВИДЕОНАБЛЮДЕНИЕ ВО ВЗРЫВОПОЖАРООПАСНОЙ СРЕДЕ
СИСТЕМЫ ВИДЕОНАБЛЮДЕНИЯ ДЛЯ ПЕРИМЕТРА: СТАНДАРТНЫЕ ЗАДАЧИ — СТАНДАРТНОЕ ОБОРУДОВАНИЕ [Алгоритм безопасности № 2, 2019]
Питание всепогодных видеокамер – очень просто об очень важном
Климатические испытания. Что имеем и чем руководствоваться
Не плюй на… землю (неграмотный монтаж – залог отказа). [Алгоритм безопасности – спецвыпуск, 2002]
Что и как увидит ваша камера. [Алгоритм безопасности, декабрь 2001]
| Модель видеокамеры | LTV-3CNS40 |
| Разрешение | 2688×1520 (4 Мр) |
| Чувствительность | 0,0005 лк (цвет, F1.2, АРУ вкл)/ 0,0001 лк (ч/б, F1.2, АРУ вкл.) |
| Фокусное расстояние объектива | 2,8-12 мм |
| Напряжение питания видеокамеры | 24 В DC/AC |
| Напряжение/ток внутреннего источника питания | 12 В DC / 1,4 А |
| Температура вкл./откл. обогрева | 20°С±3°С / 25°С±3°С |
| Мощность обогрева * | 25 Вт / 17 Вт |
| Потребляемая мощность, не более | 33 Вт / 25 Вт |
| Диапазон температуры окружающей среды при эксплуатации | – 60°С ÷ +50°С |
| Температура окружающей среды, при которой гарантирован холодный запуск видеокамеры | -60°С / -40°С |
| Влажность воздуха | до 100% при +25ºС |
| Температура вкл./откл. холодного запуска | -10°С±3°С / -15°С±3°С |
| Устойчивость к несанкционированным действиям (НСД) | II (средняя) по ГОСТ Р 51558 |
| Устойчивость к низким температурам | III (высокая) по ГОСТ Р 51558 |
| Устойчивость к внешним воздействиям | III (высокая) по ГОСТ Р 51558 |
| Степень защиты оболочки | IP66/IP68 по ГОСТ 14254 |
| Материал корпуса | нержавеющая кислотостойкая аустенитная сталь |
| Габаритные размеры | см. рисунок |
| Масса с упаковкой, не более | не более 8 кг |
| Режим работы | круглосуточный |
Оплата
Оплатить заказ Вы можете безналичным переводом по реквизитам, указанным в выставленном счёте после оформления заказа.
Доставка
«Альянс групп»предоставляет полный комплекс услуг по доставке оборудования в любую точку страны, любым видом транспорта.
Получить приобретённый товар Вы можете удобным для Вас способом:
- Самовывозом с нашего склада, расположенного по адресу- г. Москва, 104 км. МКАД, д. 8А.
- Воспользоваться услугой доставки в пределах Москвы и Московской области. Заказ и согласование даты доставки осуществляется через Вашего менеджера.
Если сумма заказа превышает 50 тыс. рублей, доставка по одному адресу Получателя осуществляется БЕСПЛАТНО.
- Доставка заказа в регионы России осуществляется через транспортные компании. Доставка груза до транспортной компании производится нашим транспортом.
Тарифы доставки по Москве:
При сумме заказа менее 50 тыс. рублей, доставка по Москве осуществляется по тарифам зоны:
- зона 3 — 500 руб.;
- зона 1 — 1000 руб.;
- зона 2, 4 — 1500 руб.;
- зона 5 — 2000 руб
Транспортные компании, с которыми мы сотрудничаем:
- Деловые линии
- Байкал-Сервис
- СДЭК
- Энергия
- Другим удобным для вас способом по согласованию























