Видеокамера взрывозащищенная сетевая серии «Корунд-ВБ Смарт» наружной установки предназначена для визуального (на экране монитора) наблюдения охраняемых (контролируемых) объектов через информационные сети с непосредственным выходом в оптоволоконную сеть.
Область применения: обеспечение охраны, безопасности и контроля за технологическими процессами взрывоопасных производств нефтяной, нефтеперерабатывающей, нефтехимической, газовой и других промышленностей народного хозяйства, опасных по газу и пыли.
Место установки: наружные пространства и внутренние пространства помещений, классифицированные как взрывоопасные зоны классов 1, 2, 21 и 22 (при классификации по зональному принципу), где возможно образование взрывоопасных газовых смесей подгрупп IIА, IIВ, IIC, пылевых сред подгрупп IIIА, IIIВ, IIIC, температурных классов Т1-Т6 или взрывоопасные зоны класса В-I, В-Iа, В-Iб, В-Iг, согласно главе 7.3 «Правил устройства электроустановок» (ПУЭ).
Видеокамера произведена в термокожухе ТГБ-4Г Ex IIC, выполненном в виде взрывонепроницаемой оболочки по ГОСТ 31610.0 (IEC 60079‑0), ГОСТ IEC 60079-1, ГОСТ IEC 60079-31 с маркировкой взрывозащиты 1Ex db IIС T6 Gb X / Ex tb IIIC T80°C Db X cо степенью защиты IP66/IP68, обеспечиваемой оболочкой, и по уровню защиты относится к взрывобезопасному электрооборудованию.
Маркировка «МК» – встроенный приёмопередатчик.
Видеокамера имеет высокую чувствительность благодаря матрице "Старлайт" в режиме цвет 0,0001 лк и поддерживает формат видеосжатия H.265+.
Видеокамера имеет функции:
- обнаружения фигур и лиц людей;
- обнаружения пересечения линии или зоны человеком;
- контроля потери изображения при совместной работе с регистраторами смарт.
Видеокамера обеспечивает:
- автоматическое включение/отключение встроенного обогревателя в заданном диапазоне температур;
- безаварийное включение электропитания IP-видеокамеры при отрицательной температуре внутри термокожуха при перерывах в электропитании, исключая выход IP-видеокамеры из строя при запуске;
- охлаждение IP-видеокамеры при повышенных температурах (встроенный вентилятор).
Смотровое окно выполнено из ударопрочного закалённого стекла.
Изделие выпускается по техническим условиям ТУ 26.30.50-081-31006686-2019.
Видеокамера соответствует:
- техническим требованиям – ГОСТ Р 51558;
- требованиям по безопасности – ГОСТ Р МЭК 60065;
- требованиям по ЭМС – ГОСТ Р 50009, ГОСТ 30804.3.2, ГОСТ 30804.3.3;
- I классу степени защиты от поражения электрическим током по ГОСТ 12.2.007.0;
- климатическому исполнению – УХЛ1, 5 по ГОСТ 15150;
- степени защиты – IP66/IP68 по ГОСТ 14254.
Состав, габаритные и установочные размеры:

| 1 | IP-видеокамера с медиаконвертером в термокожухе ТГБ-4Г Ex IIC |
| 2 | Кронштейн |
| 3 | Солнцезащитный козырёк |
| 4 | Кабельные вводы для небронированного кабеля – Ø кабеля 3,1–8,6* мм – 2 шт. (один кабельный ввод имеет заглушку) |
| 4.1 | Держатель металлорукава (РЗ-ЦХ-12 или МРПИ-12 – Øвн./ Øнар=12/15мм) |
| 5 | Шарнир |
| 5.1 | Гайка болта фиксации шарнира |
| 6 | Клемма заземления |
* Кабельные вводы для кабелей другого диаметра устанавливаются по отдельной заявке.
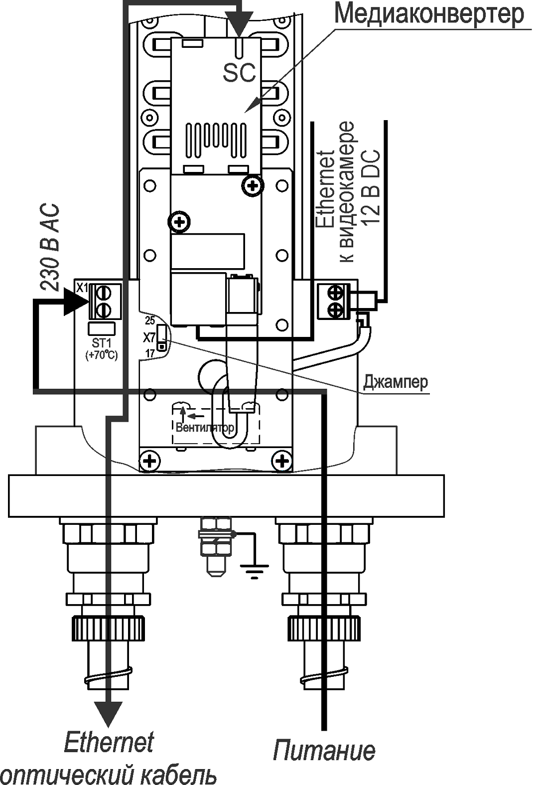
Подключение:

ВИДЕОНАБЛЮДЕНИЕ ВО ВЗРЫВОПОЖАРООПАСНОЙ СРЕДЕ
СИСТЕМЫ ВИДЕОНАБЛЮДЕНИЯ ДЛЯ ПЕРИМЕТРА: СТАНДАРТНЫЕ ЗАДАЧИ — СТАНДАРТНОЕ ОБОРУДОВАНИЕ [Алгоритм безопасности № 2, 2019]
Питание всепогодных видеокамер – очень просто об очень важном
Климатические испытания. Что имеем и чем руководствоваться
Не плюй на… землю (неграмотный монтаж – залог отказа). [Алгоритм безопасности – спецвыпуск, 2002]
Что и как увидит ваша камера. [Алгоритм безопасности, декабрь 2001]
| Взрывозащищённое исполнение | 1Ex db IIC T6 Gb X / Ex tb IIIC T80°C Db X |
| Тип камеры | цветная «день-ночь» (механический ИК-фильтр) |
| Матрица | 1/3” Black light illumination CMOS |
| основной поток | 1920х1080 (Full HD) (2 Мп) |
| дополнительный | 704х576 |
| Чувствительность при F=1,2 | 0,0001 лк (днем)/ 0,0001 лк (ночью) |
| Видеокодеки | H.265Al/H.265+ (совместимы с H.265/H.264) |
| Многопотоковая передача | одновременная передача двух потоков |
| основной поток | 25 к/сек |
| дополнительный | 25 к/сек |
| Электронный затвор | 1/50 – 1/10000 сек |
| Объектив | с переменным фокусным расстоянием |
| ручная регулировка | |
| Фокусное расстояние объектива (f) | 5-50* мм |
| Система шумоподавления | 2D/3D |
| Динамический диапазон (WDR) | Цифровой |
| Сетевой интерфейс | 10/100M Ethernet |
| Поддерживаемые сетевые протоколы | ONVIF / RTSP / FTP / DHCP / NTP / UPnP |
| Видеоаналитика | обнаружение фигур и лиц людей, обнаружение пересечения линии или зоны человеком, контроль потери изображения |
| Другие функции | ВЕБ-интерфейс, экранное меню, передача видео в реальном времени, обнаружение движения, привязка изображений, захват JPEG, программное обеспечение для удаленного мониторинга CMS, аппаратное сжатие, система «watch dog» |
| Просмотр с мобильных устройств | множественный доступ с iOS и Android |
| Дальность / скорость передачи по волокну | 20 км / 1,25 Гб/с |
| Длина волны | 1310 нм (по отдельной заявке 1550 нм) |
| Тип волокна | Одномодовое |
| Тип разъема | SC |
| Напряжение питания, В | 220 AC±10% |
| при вкл. обогрева | 31 Вт ** / 23 Вт |
| при выкл. обогрева | 6 Вт |
| Температура вкл./откл. холодного запуска | -10°С ± 3°С / -15°С ± 3°С |
| Диапазон температуры окр.среды при эксплуатации | -60°С … +50°С |
| Влажность воздуха | до 100% при +25°С |
| Устойчивость к несанкционированным действиям | II (средняя) по ГОСТ Р 51558 |
| Устойчивость к низким температурам | III (высокая) по ГОСТ Р 51558 |
| Устойчивость к внешним воздействиям | III (высокая) по ГОСТ Р 51558 |
| Степень защиты оболочки | IP66/IP68 по ГОСТ 14254 |
| Материал корпуса | сплав алюминиевый, покрытие – краска порошковая RAL9002*** |
| Габаритные размеры | см. рисунок |
| Масса с упаковкой, | 3,5 кг |
| Режим работы | круглосуточный |
Оплата
Оплатить заказ Вы можете безналичным переводом по реквизитам, указанным в выставленном счёте после оформления заказа.
Доставка
«Альянс групп»предоставляет полный комплекс услуг по доставке оборудования в любую точку страны, любым видом транспорта.
Получить приобретённый товар Вы можете удобным для Вас способом:
- Самовывозом с нашего склада, расположенного по адресу- г. Москва, 104 км. МКАД, д. 8А.
- Воспользоваться услугой доставки в пределах Москвы и Московской области. Заказ и согласование даты доставки осуществляется через Вашего менеджера.
Если сумма заказа превышает 50 тыс. рублей, доставка по одному адресу Получателя осуществляется БЕСПЛАТНО.
- Доставка заказа в регионы России осуществляется через транспортные компании. Доставка груза до транспортной компании производится нашим транспортом.
Тарифы доставки по Москве:
При сумме заказа менее 50 тыс. рублей, доставка по Москве осуществляется по тарифам зоны:
- зона 3 — 500 руб.;
- зона 1 — 1000 руб.;
- зона 2, 4 — 1500 руб.;
- зона 5 — 2000 руб
Транспортные компании, с которыми мы сотрудничаем:
- Деловые линии
- Байкал-Сервис
- СДЭК
- Энергия
- Другим удобным для вас способом по согласованию























