Всепогодный узел коммутации ВУК-38У-PoE+ Р2 предназначен для обеспечения работы от 1-й до 8-и IP-видеокамер с питанием по технологии РоЕ/PoE+, организации группового канала передачи данных по волоконно-оптической сети, а также поддержания заданного температурного режима при эксплуатации задействованного оборудования.
Изделие оборудовано
- блоком управления климатом (БУК-5), предназначенным для управление обогревом;
- обогревателем термошкафов ОТШ-60, оборудованным встроенным биметаллическим выключателем, ограничивающим температуру поверхности радиатора до +90 °С;
- комплектом бесперебойного питания (КБП-48/8 (7,2 А ч));
- тамперным контактом для сигнализации о несанкционированном доступе.
Изделие выпускается по техническим условиям ТУ 26.30.50-077-31006686-2017.
По способу защиты человека от поражения электрическим током изделие соответствует классу I по ГОСТ 12.2.007.0-75.
Климатическое исполнение изделия соответствует УХЛ1, 5 ГОСТ 15150-69. Степень защиты IP 66.
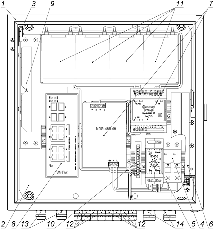
Состав изделия:
| 1. Шкаф 380х380х210мм | 1шт. |
| 2. Монтажная панель | 1шт. |
| 3. Тамперный контакт (S2) | 1шт. |
| 4. Выключатель автоматический ВА47-29 2P6A/4,5кА хар-ка С "TDM" (S1) | 1шт. |
| 5. Блок управления климатом (БУК-5) | 1шт. |
| 6. Обогреватель (ОТШ-60) | 1шт. |
| 7. Комплект бесперебойного питания КБП- 7,2А·ч | 1шт. |
| 8. Управляемый коммутатор Wi-Tek Wi-PMS312GF-I 8 Eth+4 SFP | 1шт. |
| 9. Оптический кросс W4 (или аналогичный) с адаптерами SC-SC (4 шт) | 1шт. |
| 10. Шина заземления (Ш1) | 1шт. |
| 11. Аккумуляторы DTM 1207 или аналоги (поставляются в отдельной упаковке) | 4шт. |
| 12. Гермоввод PBA9-08, Ø кабеля 4,5-8 мм | 4шт. |
| 13. Гермоввод PBA11-10, Ø кабеля 6-10 мм | 2шт. |
| 14. Гермоввод PBA13,5-11, Ø кабеля 7-12 мм | 2шт. |
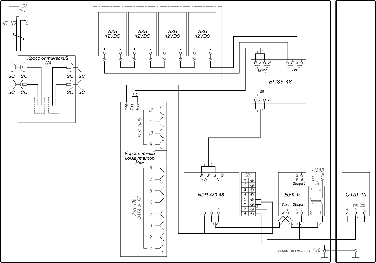
Схема подключения:

“Все в одном флаконе” – оно вам надо? Или как правильно установить наружную камеру [Технологии защиты, № 02, 2021]
СИСТЕМЫ ВИДЕОНАБЛЮДЕНИЯ ДЛЯ ПЕРИМЕТРА: СТАНДАРТНЫЕ ЗАДАЧИ — СТАНДАРТНОЕ ОБОРУДОВАНИЕ [Алгоритм безопасности № 2, 2019]
САМАЯ ЧЕСТНАЯ РЕКЛАМНАЯ СТАТЬЯ ПРО САМЫЕ БАНАЛЬНЫЕ ТЕРМОШКАФЫ
Климатические испытания. Что имеем и чем руководствоваться
| 1. Питание изделия: | |
| – напряжение питания | 220 В AC, 50 Гц |
| – максимальный ток нагрузки | 6 А |
| 2. Обогрев: | |
| – напряжение питания | 220 В AC, 50 Гц |
| – потребляемая мощность | 60 Вт |
| 3. Диапазон рабочих температур | – 60 °С ÷ +50 °С |
| 4. Интерфейсы: | |
| – порт 10/100/1000 Base-T RJ-45 PoE+ | 8 шт. |
| – порт 1000 Base-X SFP | 4 шт. |
| 5. Питание подключаемых видеокамер/устройств | PoE/PoE |
| 6. Максимальная мощность, подключаемых видеокамер/устройств, не более: | |
| – по стандарту PoE IEEE 802.3af | 8х15 Вт |
| – по стандарту PoE IEEE 802.3at | 8х30 Вт |
| – общий бюджет PoE | 240 Вт |
| 7. Максимальная потребляемая мощность | 310 Вт |
| 8. Характеристики КБП- 7,2 А ч: | |
| – номинальное выходное напряжение | 48÷55 В DC |
| – напряжение отсечки аккумуляторных батарей (АКБ) от нагрузки | 38÷41 В DC |
| – максимальный ток нагрузки | 8 А |
| – ёмкость АКБ | 7,2 А ч |
| 9. Материалы и поверхности изделия: | |
| – корпус (дверь) | листовая сталь 1,25 (1,5) мм, грунтовка, порошковое покрытие |
| – панель монтажная | листовая сталь 2 мм, оцинкованная |
| 10. Габаритные размеры (без гермовводов) ШхВхГ | 380х380х210 мм |
| 11. Вес c упаковкой | 18 кг |
Оплата
Оплатить заказ Вы можете безналичным переводом по реквизитам, указанным в выставленном счёте после оформления заказа.
Доставка
«Альянс групп»предоставляет полный комплекс услуг по доставке оборудования в любую точку страны, любым видом транспорта.
Получить приобретённый товар Вы можете удобным для Вас способом:
- Самовывозом с нашего склада, расположенного по адресу- г. Москва, 104 км. МКАД, д. 8А.
- Воспользоваться услугой доставки в пределах Москвы и Московской области. Заказ и согласование даты доставки осуществляется через Вашего менеджера.
Если сумма заказа превышает 50 тыс. рублей, доставка по одному адресу Получателя осуществляется БЕСПЛАТНО.
- Доставка заказа в регионы России осуществляется через транспортные компании. Доставка груза до транспортной компании производится нашим транспортом.
Тарифы доставки по Москве:
При сумме заказа менее 50 тыс. рублей, доставка по Москве осуществляется по тарифам зоны:
- зона 3 — 500 руб.;
- зона 1 — 1000 руб.;
- зона 2, 4 — 1500 руб.;
- зона 5 — 2000 руб
Транспортные компании, с которыми мы сотрудничаем:
- Деловые линии
- Байкал-Сервис
- СДЭК
- Энергия
- Другим удобным для вас способом по согласованию
























