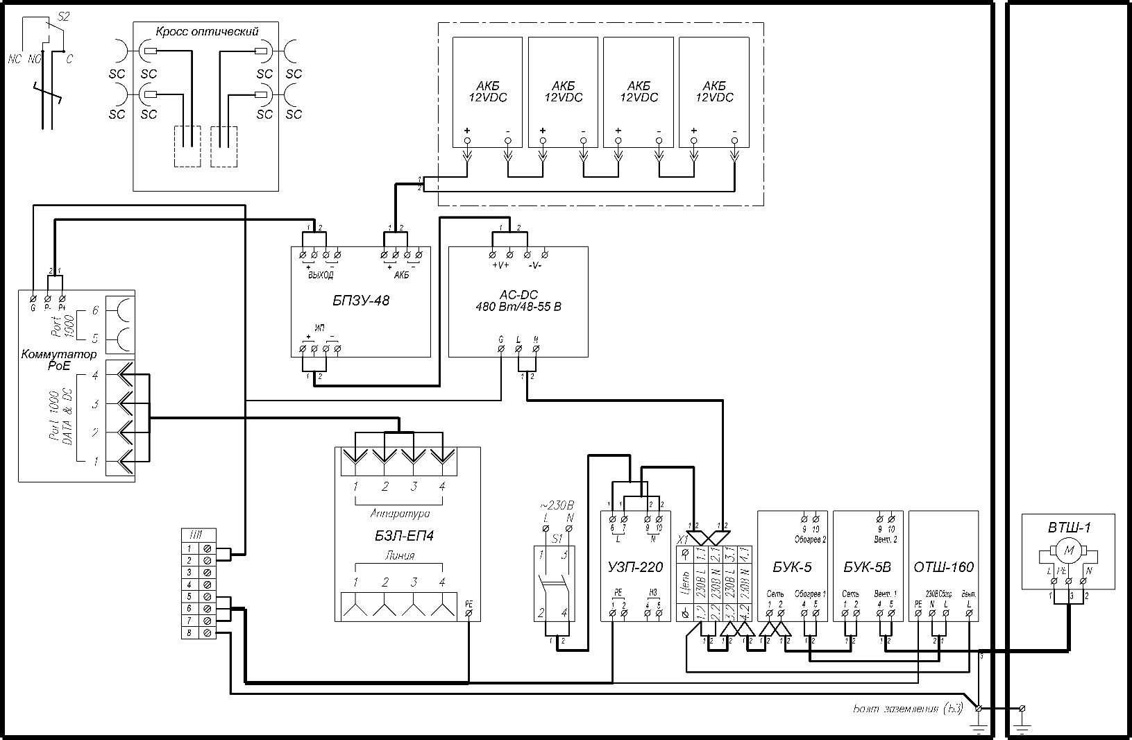
Всепогодный узел коммутации ВУК-64-PoE+ Р2 В1 У11 У71 предназначен для обеспечения работы от 1-го до 4-х оконечных IP-устройств с питанием по технологии РоЕ (IEEE 802.3af/at/bt), организации группового канала передачи данных по волоконно-оптической сети, а также поддержания заданного температурного режима при эксплуатации задействованного оборудования.
Узел оборудован:
- блоком управления климатом (БУК-5), предназначенным для управления обогревом;
- блоком управления климатом (БУК-5В), предназначенным для управления вентиляторной системой охлаждения;
- обогревателем термошкафов ОТШ-160, оборудованным встроенным биметаллическим выключателем, ограничивающим температуру поверхности радиатора до +90°С;
- вентиляторной системой охлаждения (вентилятор ВТШ-70 и фильтр ФТШ-70), выполненной в вандалоустойчивых корпусах;
- устройством защиты электропитания УЗП-220, предназначенным для защиты оборудования, подключённого к линиям электропитания переменного тока 230 В, от наведенных напряжений, вызванных электромагнитными импульсами высоких энергий (грозовыми, электростатическими разрядами и т.д);
- блоком защиты БЗЛ-ЕП4, предназначенным для защиты от импульсных перенапряжений 4-х портов локальной сети Ethernet 10/100/1000 Base-TX, в том числе, использующих технологию PoE (IEEE 802.3af/at/bt);
- AC/DC преобразователем 230/48-55 В, 240 Вт;
- блоком переключения питания с зарядным устройством БПЗУ-48, предназначенным для создания системы бесперебойного питания с использованием внешнего источника питания 48 В DC и четырех подключенных последовательно 12 В аккумуляторных батарей (АКБ);
- кронштейном для установки АКБ (до 9 А·ч);
- тамперным контактом для сигнализации о несанкционированном доступе.
Узел выпускается по техническим условиям ТУ 26.30.50-077-31006686-2017.
Узел соответствует:
- техническим требованиям – ГОСТ Р 51558;
- требованиям безопасности – ГОСТ Р МЭК 60065;
- требованиям по ЭМС – ГОСТ Р 50009, ГОСТ 30804.3.2, ГОСТ 30804.3.3;
- степени защиты от поражения электрическим током – I классу по ГОСТ 12.2.007.0;
- климатическому исполнению – УХЛ1, 5 по ГОСТ 15150;
- степени защиты – IP55 по ГОСТ 14254.
Состав:

| 1 | Шкаф 600х600х210 мм | 1 шт. |
| 2 | Монтажная панель | 1 шт. |
| 3 | Тамперный контакт (S2) | 1 шт. |
| 4 | Обогреватель ОТШ-160 | 1 шт. |
| 5 | Выключатель автоматический ВА47-29 2P 6A/4,5кА хар-ка С (S1) | 1 шт. |
| 6 | Клеммы проходные (Х2) (S провода до 6 мм²) | 4 шт. |
| 7 | Блок управления климатом (БУК-5) | 1 шт. |
| 8 | Блок управления климатом (БУК-5В) | 1 шт. |
| 9 | Вентилятор (ВТШ-70) | 1 шт. |
| 10 | Фильтр (ФТШ-70) | 1 шт. |
| 11 | Блок переключения питания с зарядным устройством БПЗУ-48 | 1 шт. |
| 12 | AC/DC преобразователь 230/48-55 В*, 240 Вт | 1 шт. |
| 13 | Неуправляемый PoE коммутатор 4 порта Eth + 2 порта SFP | 1 шт. |
| 14 | Оптический кросс с адаптерами SC-SC (4 шт.) | 1 шт. |
| 15 | Шина заземления (Ш1) | 1 шт. |
| 16 | Кронштейн для установки АКБ (до 9 А·ч) | 1 шт. |
| 17 | Устройство защиты электропитания 230В (УЗП-220) | 1 шт. |
| 18 | Блок защиты портов в сети ETHERNET c питанием РоЕ (БЗЛ-ЕП4) | 1 шт. |
| 19 | Патч-корд UTP, кат.5е | 4 шт. |
| 20 | Кабельный ввод PG9, Ø кабеля 4,5-8 мм | 8 шт. |
| 21 | Кабельный ввод PG11, Ø кабеля 6-10 мм | 2 шт. |
| 22 | Кабельный ввод PG13,5, Ø кабеля 7-12 мм | 2 шт. |
* Не устанавливать напряжение на AC/DC преобразователе выше 52В.
Схема подключения:

“Все в одном флаконе” – оно вам надо? Или как правильно установить наружную камеру [Технологии защиты, № 02, 2021]
СИСТЕМЫ ВИДЕОНАБЛЮДЕНИЯ ДЛЯ ПЕРИМЕТРА: СТАНДАРТНЫЕ ЗАДАЧИ — СТАНДАРТНОЕ ОБОРУДОВАНИЕ [Алгоритм безопасности № 2, 2019]
САМАЯ ЧЕСТНАЯ РЕКЛАМНАЯ СТАТЬЯ ПРО САМЫЕ БАНАЛЬНЫЕ ТЕРМОШКАФЫ
Климатические испытания. Что имеем и чем руководствоваться
| Характеристика | Значение |
| Питание изделия: | |
| – напряжение питания | 230 В AC, 50 Гц |
| – максимальный ток нагрузки | 6 А |
| Обогрев: | |
| – напряжение питания | 230 В AC, 50 Гц |
| – потребляемая мощность | 178 Вт |
| Вентиляция: | |
| – напряжение питания | 230 В AC, 50 Гц |
| – потребляемая мощность | 18 Вт |
| Диапазон рабочих температур | – 50 °С ÷ +50 °С |
| Максимальная мощность тепловых потерь дополнительно устанавливаемой в изделие аппаратуры | 90 Вт |
| Интерфейсы: | |
| – порт 10/100/1000 Base-T RJ-45 PoE watchdog | 4 шт. |
| – порт 1000 Base-X SFP | 2 шт. |
| Напряжение отсечки АКБ от нагрузки | 38÷41 В DC |
| PoE: | |
| – по стандарту PoE IEEE 802.3af/at | 2 порта |
| – по стандарту PoE IEEE 802.3af/at/bt | 2 порта |
| – общий бюджет PoE | 180 Вт |
| Максимальная потребляемая мощность | 400 Вт |
| Ёмкость АКБ | до 9 А·ч |
| Материалы и поверхности изделия: | |
| – корпус | листовая сталь 1,5 мм, грунтовка, порошковое покрытие |
| – панель монтажная | листовая сталь 2,5 мм, оцинкованная |
| Габаритные размеры (без гермовводов) ШхВхГ | 600х600х210 мм |
| Вес c упаковкой | 30 кг |
Оплата
Оплатить заказ Вы можете безналичным переводом по реквизитам, указанным в выставленном счёте после оформления заказа.
Доставка
«Альянс групп»предоставляет полный комплекс услуг по доставке оборудования в любую точку страны, любым видом транспорта.
Получить приобретённый товар Вы можете удобным для Вас способом:
- Самовывозом с нашего склада, расположенного по адресу- г. Москва, 104 км. МКАД, д. 8А.
- Воспользоваться услугой доставки в пределах Москвы и Московской области. Заказ и согласование даты доставки осуществляется через Вашего менеджера.
Если сумма заказа превышает 50 тыс. рублей, доставка по одному адресу Получателя осуществляется БЕСПЛАТНО.
- Доставка заказа в регионы России осуществляется через транспортные компании. Доставка груза до транспортной компании производится нашим транспортом.
Тарифы доставки по Москве:
При сумме заказа менее 50 тыс. рублей, доставка по Москве осуществляется по тарифам зоны:
- зона 3 — 500 руб.;
- зона 1 — 1000 руб.;
- зона 2, 4 — 1500 руб.;
- зона 5 — 2000 руб
Транспортные компании, с которыми мы сотрудничаем:
- Деловые линии
- Байкал-Сервис
- СДЭК
- Энергия
- Другим удобным для вас способом по согласованию























