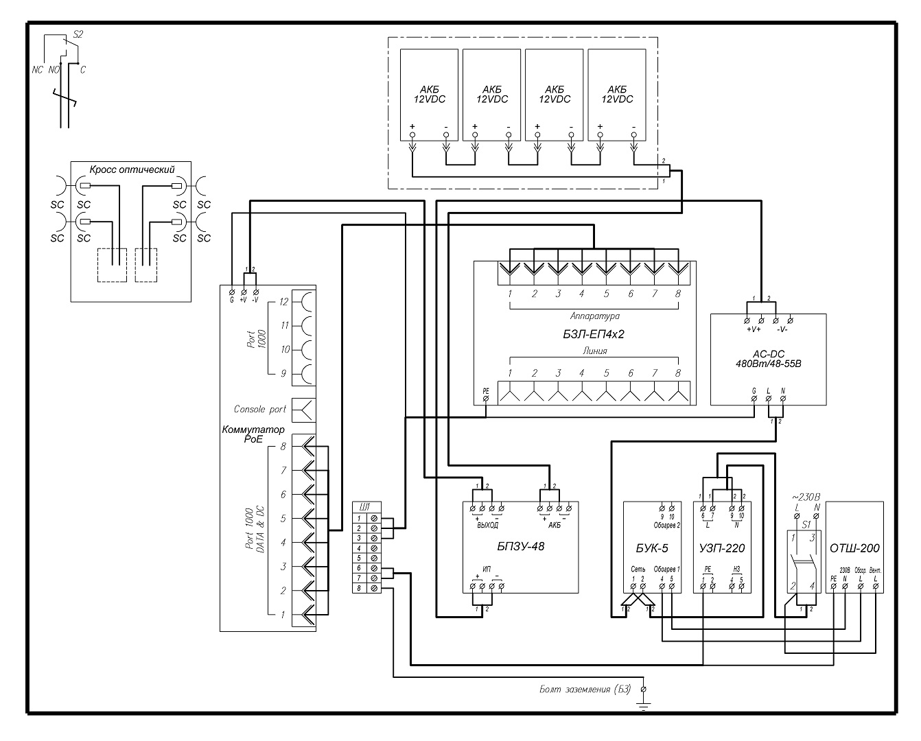
Всепогодный узел коммутации ВУКП-58У-PoE+ Р2 У11 У81 предназначен для обеспечения работы от 1-го до 8-и оконечных IP-устройств с питанием по технологии РоЕ (IEEE 802.3af/at/bt), организации группового канала передачи данных по волоконно-оптической сети, а также поддержания заданного температурного режима при эксплуатации задействованного оборудования в условиях морского климата, на химических производствах, на автомагистралях, в тоннелях и прочих агрессивных средах. Материал термошкафа – армированный стекловолокном полиэстер, класс ударопрочности IK10.
Изделие оборудовано
- блоком управления климатом (БУК-5), предназначенным для управление обогревом;
- обогревателем термошкафов ОТШ-200, оборудованным встроенным биметаллическим выключателем, ограничивающим температуру поверхности радиатора до +90°С;
- устройством защиты электропитания УЗП-220 предназначенным для защиты оборудования, подключённого к линиям электропитания переменного тока 220 В, от наведенных напряжений, вызванных электромагнитными импульсами высоких энергий (грозовыми, электростатическими разрядами и т.д);
- блоком защиты БЗЛ-ЕП4х2, предназначенным для защиты от импульсных перенапряжений 8-и портов локальной сети Ethernet 10/100/1000 Base-TX, в том числе, использующих технологию PoE (IEEE 802.3af/at/bt);
- AC/DC преобразователем 230/48-55В, 480Вт;
- блоком переключения питания с зарядным устройством БПЗУ-48, предназначенным для создания системы бесперебойного питания с использованием внешнего источника питания 48 В DC и четырех подключенных последовательно 12 В аккумуляторных батарей (АКБ);
- кронштейном для установки АКБ (до 9 А·ч);
- тамперным контактом для сигнализации о несанкционированном доступе.
Изделие выпускается по техническим условиям ТУ 26.30.50-077-31006686-2017.
По способу защиты человека от поражения электрическим током изделие соответствует классу I по ГОСТ 12.2.007.0-75.
Климатическое исполнение изделия соответствует УХЛ1, 5 ГОСТ 15150-69. Степень защиты IP 66.
Состав изделия:

| 1. Шкаф 500х600х230мм | 1шт. |
| 2. Монтажная панель | 1шт. |
| 3. Тамперный контакт (S2) | 1шт. |
| 4. Выключатель автоматический ВА47-29 2P6A/4,5кА хар-ка С (S1) | 1шт. |
| 5. Блок управления климатом (БУК-5) | 1шт. |
| 6. Обогреватель ОТШ-200 | 1шт. |
| 7. Блок переключения питания с зарядным устройством БПЗУ-48 | 1шт. |
| 8. AC/DC преобразователь 230/48-55В**, 480Вт | 1шт. |
| 9. Устройство защиты питания 220В (УЗП-220) | 1 шт. |
| 10. Кронштейн для установки АКБ (до 9 А·ч) | 1шт. |
| 11. Управляемый PoE коммутатор 8 портов Eth + 4 порта SFP | 1шт. |
| 12. Патч-корд UTP, кат.5е | 8шт. |
| 13. Оптический кросс с адаптерами SC-SC (4 шт.) | 1шт. |
| 14. Шина заземления (Ш1) | 1шт. |
| 15. Блок защиты портов в сети ETHERNET c питанием РоЕ (БЗЛ-ЕП4x2) | 1шт. |
| 16. Гермоввод PBA9-08, Ø кабеля 4,5-8 мм | 8шт. |
| 17. Гермоввод PBA11-10, Ø кабеля 6-10 мм | 2шт. |
| 18. Гермоввод PBA13,5-11, Ø кабеля 7-12 мм | 2шт. |
** Не устанавливать напряжение на AC/DC преобразователе выше 52В.
Схема подключения:

“Все в одном флаконе” – оно вам надо? Или как правильно установить наружную камеру [Технологии защиты, № 02, 2021]
СИСТЕМЫ ВИДЕОНАБЛЮДЕНИЯ ДЛЯ ПЕРИМЕТРА: СТАНДАРТНЫЕ ЗАДАЧИ — СТАНДАРТНОЕ ОБОРУДОВАНИЕ [Алгоритм безопасности № 2, 2019]
САМАЯ ЧЕСТНАЯ РЕКЛАМНАЯ СТАТЬЯ ПРО САМЫЕ БАНАЛЬНЫЕ ТЕРМОШКАФЫ
Климатические испытания. Что имеем и чем руководствоваться
| Параметр | Значение |
| 1. Питание изделия: | |
| – напряжение питания | 230 В AC, 50 Гц |
| – максимальный ток нагрузки | 6 А |
| 2. Обогрев: | |
| – напряжение питания | 230 В AC, 50 Гц |
| – потребляемая мощность | 218 Вт |
| 3. Диапазон рабочих температур | – 40 °С ÷ +50 °С |
| 4. Интерфейсы: | |
| – порт 10/100/1000 Base-T RJ-45 PoE, watchdog | 8 шт. |
| – порт combo 1G/SFP | 2 шт. |
| – консольный порт | 1 шт. |
| 5. Напряжение отсечки АКБ от нагрузки | 38÷41 В DC |
| 6. Ёмкость АКБ | до 9 А·ч |
| 7. PoE: | |
| – по стандарту PoE IEEE 802.3af/at | 6 портов |
| – по стандарту PoE IEEE 802.3af/at/bt | 2 порта |
| – общий бюджет PoE | 300 Вт |
| 8. Максимальная потребляемая мощность | 540 Вт |
| 9. Материалы и поверхности изделия: | |
| – корпус (дверь) | армированный стекловолокном полиэстер |
| – панель монтажная | листовая сталь 2 мм, оцинкованная |
| 10. Габаритные размеры (без гермовводов) ШхВхГ | 500 х 600 х 230 мм |
| 11. Вес c упаковкой | 20 кг |
Оплата
Оплатить заказ Вы можете безналичным переводом по реквизитам, указанным в выставленном счёте после оформления заказа.
Доставка
«Альянс групп»предоставляет полный комплекс услуг по доставке оборудования в любую точку страны, любым видом транспорта.
Получить приобретённый товар Вы можете удобным для Вас способом:
- Самовывозом с нашего склада, расположенного по адресу- г. Москва, 104 км. МКАД, д. 8А.
- Воспользоваться услугой доставки в пределах Москвы и Московской области. Заказ и согласование даты доставки осуществляется через Вашего менеджера.
Если сумма заказа превышает 50 тыс. рублей, доставка по одному адресу Получателя осуществляется БЕСПЛАТНО.
- Доставка заказа в регионы России осуществляется через транспортные компании. Доставка груза до транспортной компании производится нашим транспортом.
Тарифы доставки по Москве:
При сумме заказа менее 50 тыс. рублей, доставка по Москве осуществляется по тарифам зоны:
- зона 3 — 500 руб.;
- зона 1 — 1000 руб.;
- зона 2, 4 — 1500 руб.;
- зона 5 — 2000 руб
Транспортные компании, с которыми мы сотрудничаем:
- Деловые линии
- Байкал-Сервис
- СДЭК
- Энергия
- Другим удобным для вас способом по согласованию























