Всепогодный узел связи ВУС-1-220 предназначен для передачи сигналов от 1-й или 2-х IP-видеокамер или других цифровых устройств с Ethernet портом связи (ПОС, СКУД, автоматизация, диспетчеризация) по беспроводному каналу Wi-Fi на центральный пост наблюдения.
Узел выпускается по техническим условиям ТУ 26.30.50-077-31006686-2017.
По способу защиты человека от поражения электрическим током узел соответствует классу I по ГОСТ 12.2.007.0-75.
Климатическое исполнение соответствует УХЛ1,5 ГОСТ 15150-69. Степень защиты IP 66.
Состав изделия:
Устройство ВУС-1-220 исп.8 (и исп.9) (крышка не показана)

| 1. | Корпус |
| 2. | Панель монтажная |
| 3. | Магнитоконтактный извещатель |
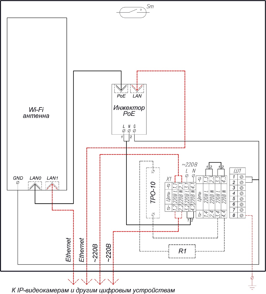
| 4. | Антенна WI-Fi |
| 5. | Инжектор РоЕ (для питания антенны) |
| 6. | Клеммы четырехпроводные (Х1) (S провода до 4 мм²) - 4 шт. |
| 7. | Патч-корд UTP, кат.5е |
| 8. | Шина заземления (Ш1) |
| 9. | Гермоввод PGA7-08G – Ø кабеля 4,5-8 мм - 3 шт. |
| 10. | Гермоввод PGA11-10G – Ø кабеля 6-10 мм - 3 шт. |
| Приобретаются по отдельной заявке: | |
| 11. | Система обогрева в составе: |
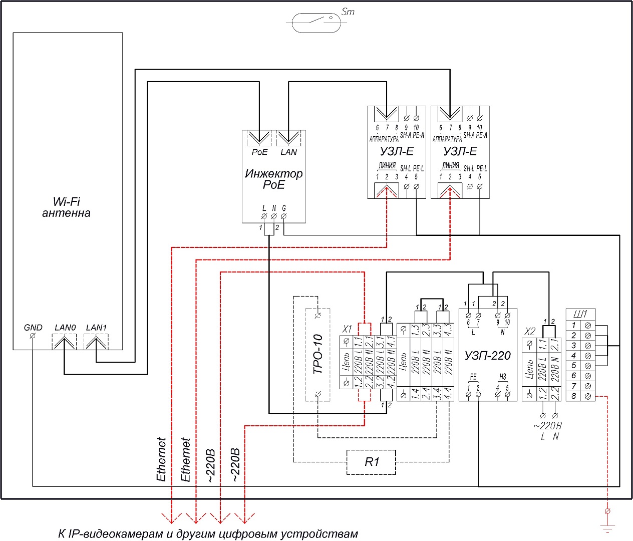
| 12. | Устройство защиты электропитания 220В (УЗП-220) |
| 13. | Клеммы проходные (Х2) (S провода до 6 мм²) (поставляются совместно с УЗП-220) - 2 шт. |
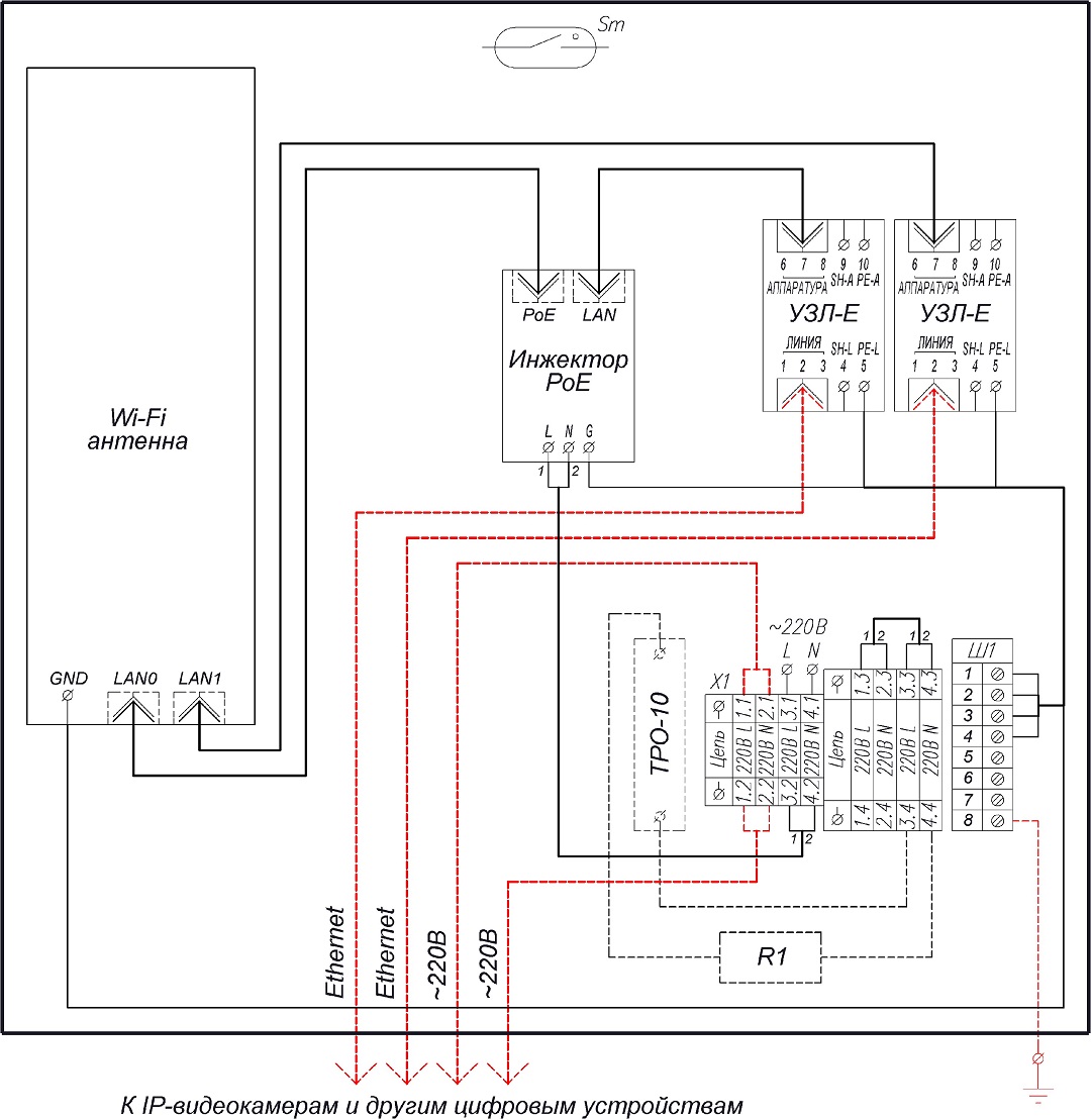
| 14. | Устройство защиты информационных портов ETHERNET (УЗЛ-Е) - до 2 шт. |
| 15. | Патч-корд UTP, кат.5е - до 2 шт. |
Устройство ВУС-1-220 исп.1 (крышка не показана) (в ВУС-1-220 система обогрева – не устанавливаются)

Варианты исполнений комплектования ВУС-1-220 с использованием дополнительного оборудования
| № исполнения | - | 1 | 2 | 3 | 4 | 5 | 6 | 7 | 8 | 9 | 10 | 11 |
| Система обогрева | - | + | - | + | - | + | - | + | - | + | - | + |
| УЗЛ-Е | - | - | 1 | 1 | 2 | 2 | 1 | 1 | 2 | 2 | - | - |
| УЗП-220, двухпроводные клеммы | - | - | - | - | - | - | 1 | 1 | 1 | 1 | 1 | 1 |
Схема электрическая принципиальная:
ВУС-1-220 (ВУС-1-220 исп.1)

ВУС-1-220 исп.2 - исп.5

ВУС-1-220 исп.6 – исп.11

| Напряжение питания | 220 В AC ±10%, 50 Гц |
| Рабочая частота передачи по каналу Wi-Fi | 2,4 ГГц* |
| Дальность связи | 1,2-2 км** |
| Напряжение питания подключаемых видеокамер | 220 В AC |
| Обогрев (при наличии): напряжение питания/мощность диапазон включения/отключения | 220 В AC ±10%, 50 Гц / 40 Вт +10°С ±3°С / +20°С ±3°С |
| Диапазон рабочих температур (без обогрева / с обогревом) | – 20°С /- 40°С ÷ +50°С |
| Материалы и поверхности изделия: – корпус – панель монтажная | полиэстер алюминиевый сплав |
| Габаритные размеры (с гермовводами) | 390 х 253 х 111 мм |
| Вес с упаковкой, не более | 2,1 кг. |
Оплата
Оплатить заказ Вы можете безналичным переводом по реквизитам, указанным в выставленном счёте после оформления заказа.
Доставка
«Альянс групп»предоставляет полный комплекс услуг по доставке оборудования в любую точку страны, любым видом транспорта.
Получить приобретённый товар Вы можете удобным для Вас способом:
- Самовывозом с нашего склада, расположенного по адресу- г. Москва, 104 км. МКАД, д. 8А.
- Воспользоваться услугой доставки в пределах Москвы и Московской области. Заказ и согласование даты доставки осуществляется через Вашего менеджера.
Если сумма заказа превышает 50 тыс. рублей, доставка по одному адресу Получателя осуществляется БЕСПЛАТНО.
- Доставка заказа в регионы России осуществляется через транспортные компании. Доставка груза до транспортной компании производится нашим транспортом.
Тарифы доставки по Москве:
При сумме заказа менее 50 тыс. рублей, доставка по Москве осуществляется по тарифам зоны:
- зона 3 — 500 руб.;
- зона 1 — 1000 руб.;
- зона 2, 4 — 1500 руб.;
- зона 5 — 2000 руб
Транспортные компании, с которыми мы сотрудничаем:
- Деловые линии
- Байкал-Сервис
- СДЭК
- Энергия
- Другим удобным для вас способом по согласованию























